Запчасти для грузовых автомобилей
8-800-555-32-41
Перезвоните мне
Отправить готовую заявку
0
Корзина
Поиск
КАТАЛОГ ПРОДУКЦИИ
Запчасти УРАЛ
Запчасти КамАЗ
Запчасти АМТ
Запчасти ЧТЗ
Запчасти погрузчиков Dalian
Запчасти ЯМЗ
Двигатели ЯМЗ в сборе
Запчасти Shaanxi Fast Gear
Лебедки
Спецпредложения
О компании
Доставка и оплата
Гарантии и сервис
Контакты
Графические каталоги запчастей
Кожух Т-10.02
Главная
/
Графические каталоги
/
ЧТЗ
/
Т-10.02
/
Кожух
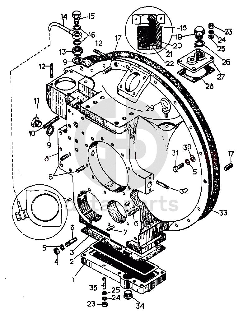
19
2
14
18
21
8
1
27
13
29
32
12
12
35
6
6
6
10
26
23
23
7
17
17
11
33
3
28
15
22
4
30
25
25
34
31
16
9
9
20
24
24
5
5
%
1
64-14-25
Поддон
Кол-во
1
?
Оставить заявку
2
64-14-113СП
Заборник
Кол-во
1
?
Оставить заявку
3
700-40-7193
Прокладка
Кол-во
1
?
Оставить заявку
4
3010
Гайка
Кол-во
6
?
Оставить заявку
5
[Шайба 12 ОТ 65Г 09]
Шайба 12 ОТ 65Г 09
Кол-во
35
?
Оставить заявку
6
700-29-2476
Шпилька
Кол-во
20
?
Оставить заявку
7
700-32-2198
Штифт
Кол-во
2
?
Узнать цену
700-32-2198
Штифт 2.10х20 ГОСТ 3128-70
Производство:
ЧТЗ
Под заказ
цена по запросу
В корзину
8
64-14-20
Корпус
Кол-во
1
?
Оставить заявку
9
[Кольцо 27х35]
Кольцо 27х35
Кол-во
2
?
Оставить заявку
10
700-29-2477
Шпилька
Кол-во
4
?
Оставить заявку
11
700-37-2154
Пробка
Кол-во
1
?
Оставить заявку
12
700-29-2474
Шпилька
Кол-во
8
?
Оставить заявку
13
64-14-61
Пробка
Кол-во
1
?
Оставить заявку
14
64-14-121СП
Трубка
Кол-во
1
?
Оставить заявку
15
700-41-2716
Штуцер
Кол-во
2
?
Оставить заявку
16
[Кольцо 14х20]
Кольцо 14х20
Кол-во
4
?
Оставить заявку
17
700-32-2206
Штифт
Кол-во
2
?
Оставить заявку
18
18-26-421
Корпус сапуна
Кол-во
1
?
Оставить заявку
19
18-26-286СП
Сапун
Кол-во
1
?
Оставить заявку
20
[Набивка]
Набивка
Кол-во
1
?
Оставить заявку
21
18-26-422
Шайба
Кол-во
1
?
Оставить заявку
22
261046
Кольцо пружинное
Кол-во
1
?
Оставить заявку
23
700-30-2099
Гайка
Кол-во
21
?
Оставить заявку
24
[Шайба 10 ОТ 65Г 09]
Шайба 10 ОТ 65Г 09
Кол-во
33
?
Оставить заявку
25
31308-1
Шайба
Кол-во
13
?
Оставить заявку
26
700-40-260-17
Прокладка
Кол-во
1
?
Оставить заявку
27
64-14-44
Крышка
Кол-во
1
?
Оставить заявку
28
700-40-7257
Прокладка
Кол-во
1
?
Оставить заявку
29
700-28-2224
Рым-болт
Кол-во
2
?
Оставить заявку
30
3135-1
Шайба
Кол-во
17
?
Оставить заявку
31
[Болт М12х35.58.019]
Болт М12х35.58.019
Кол-во
15
?
Оставить заявку
32
700-29-2135
Шпилька
Кол-во
2
?
Оставить заявку
33
700-40-6160
Прокладка
Кол-во
1
?
Оставить заявку
34
37104
Пробка
Кол-во
1
?
Оставить заявку
35
700-29-2475
Шпилька
Кол-во
9
?
Оставить заявку
Получить консультацию
У нас большой опыт по подбору запчастей, и мы с радостью поможем вам найти нужную деталь, даже если вы не знаете ее артикул
Дмитрий Иванов
Директор отдела продаж
Мобильный номер:
8 (912) 474-74-74
E-mail:
td.uralval@mail.ru
Вы должны включить JavaScript чтобы использовать эту форму.
Ваше имя
Ваш телефон
Комментарий
Я соглашаюсь с
Политикой конфиденциальности
и даю согласие на обработку персональных данных.
Feed me
Отправить