Запчасти для грузовых автомобилей
8-800-555-32-41
Перезвоните мне
Отправить готовую заявку
0
Корзина
Поиск
КАТАЛОГ ПРОДУКЦИИ
Запчасти УРАЛ
Запчасти КамАЗ
Запчасти АМТ
Запчасти ЧТЗ
Запчасти погрузчиков Dalian
Запчасти ЯМЗ
Двигатели ЯМЗ в сборе
Запчасти Shaanxi Fast Gear
Лебедки
Спецпредложения
О компании
Доставка и оплата
Гарантии и сервис
Контакты
Графические каталоги запчастей
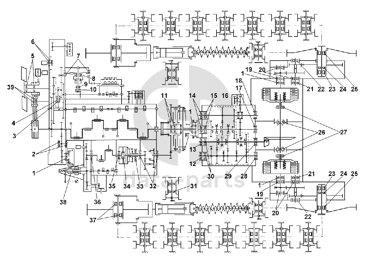
Схема расположения подшипников на тракторе Кран ТР-20, ТР-12
Главная
/
Графические каталоги
/
ЧТЗ
/
Кран ТР-20, ТР-12
/
Схема расположения подшипников на тракторе
1
1
1
1
2
3
4
5
6
7
8
9
10
11
11
12
13
13
14
15
16
17
18
19
19
19
20
20
21
21
21
22
22
23
23
24
24
25
25
26
27
27
28
29
30
31
32
33
34
35
36
37
37
38
39
39
%
1
118
Подшипник шариковый радиальный однорядный
Кол-во
0
?
Оставить заявку
2
407
Подшипник шариковый радиальный однорядный
Кол-во
0
?
Оставить заявку
3
307
Подшипник шариковый радиальный однорядный
Кол-во
0
?
Узнать цену
307
Подшипник
Производство:
Россия
Под заказ
цена по запросу
В корзину
4
308
Подшипник шариковый радиальный однорядный
Кол-во
0
?
Узнать цену
308
Подшипник
Производство:
Россия
Под заказ
цена по запросу
В корзину
5
306
Подшипник 306
Кол-во
0
?
Узнать цену
306
Подшипник
Производство:
Россия
Под заказ
цена по запросу
В корзину
6
304А
Подшипник 304А
Кол-во
0
?
Оставить заявку
7
941/15
Подшипник роликовый игольчатый с одним наружным штампованным кольцом
Кол-во
0
?
Оставить заявку
8
8205
Подшипник шариковый упорный однорядный
Кол-во
0
?
Оставить заявку
9
8104
Подшипник шариковый упорный однорядный
Кол-во
0
?
Оставить заявку
10
203
Подшипник шариковый радиальный однорядный
Кол-во
0
?
Узнать цену
203
Подшипник
Производство:
Россия
Под заказ
цена по запросу
В корзину
11
180308УС9
Подшипник 180308УС9
Кол-во
0
?
Оставить заявку
11
180308У1С9Ш
Подшипник шариковый радиальный однорядный
Кол-во
0
?
Оставить заявку
12
311А
Подшипник 311А
Кол-во
0
?
Оставить заявку
13
170311А1
Подшипник шариковый радиальный однорядный
Кол-во
0
?
Оставить заявку
13
М6311
Подшипник М6311
Кол-во
0
?
Оставить заявку
14
312А
Подшипник 312А
Кол-во
0
?
Оставить заявку
15
2312КМ
Подшипник 2312КМ
Кол-во
0
?
Оставить заявку
16
111
Подшипник 111
Кол-во
0
?
Узнать цену
111
Подшипник
Производство:
Россия
Под заказ
цена по запросу
В корзину
17
402311
Подшипник 402311
Кол-во
0
?
Оставить заявку
18
402411
Подшипник 402411
Кол-во
0
?
Оставить заявку
19
70-32315К1М
Подшипник
Кол-во
0
?
Оставить заявку
20
70-32612К1М
Подшипник
Кол-во
0
?
Оставить заявку
21
213
Подшипник 213
Кол-во
0
?
Оставить заявку
21
6213
Подшипник 6213
Кол-во
0
?
Оставить заявку
22
70-32417М
Подшипник 70-32417М
Кол-во
0
?
Оставить заявку
23
70-2228КМ
Подшипник 70-2228КМ
Кол-во
0
?
Оставить заявку
24
228А
Подшипник 228А
Кол-во
0
?
Оставить заявку
25
2224КМ
Подшипник роликовый радиальный с короткими цилиндрическими роликами
Кол-во
0
?
Оставить заявку
26
7516А
Подшипник 7516А
Кол-во
0
?
Узнать цену
7516А
Подшипник роликовый конический (редуктор главной передачи)
Производство:
Россия
Под заказ
цена по запросу
В корзину
27
120
Подшипник 120
Кол-во
0
?
Оставить заявку
27
46120
Подшипник шариковый радиально-упорный однорядный
Кол-во
0
?
Оставить заявку
28
402611КМУ
Подшипник 402611КМУ
Кол-во
0
?
Оставить заявку
29
60-402715КМ
Подшипник 60-402715КМ
Кол-во
0
?
Оставить заявку
30
2311К1М
Подшипник 2311К1М
Кол-во
0
?
Оставить заявку
31
311
Подшипник шариковый радиальный однорядный
Кол-во
0
?
Узнать цену
311
Подшипник шариковый (коробка раздаточная)
Производство:
Россия
Под заказ
цена по запросу
В корзину
32
208
Подшипник 208
Кол-во
0
?
Оставить заявку
33
1000909
Подшипник 1000909
Кол-во
0
?
Оставить заявку
34
942/20
Подшипник 942/20
Кол-во
0
?
Оставить заявку
35
211АК
Подшипник 211АК
Кол-во
0
?
Оставить заявку
36
210АК
Подшипник 210АК
Кол-во
0
?
Оставить заявку
37
272614
Подшипник 272614
Кол-во
0
?
Оставить заявку
37
2614К2
Подшипник 2614 К2
Кол-во
0
?
Оставить заявку
38
8103Н
Подшипник 8103Н
Кол-во
0
?
Оставить заявку
38
8103
Подшипник
Кол-во
0
?
Узнать цену
8103
Подшипник ТНВД 17х30х9 УРАЛ, МАЗ, КАМАЗ
Производство:
АО ЯЗДА
Под заказ
256
p
В корзину
39
206А
Подшипник 206А
Кол-во
0
?
Оставить заявку
39
206К
Подшипник шариковый радиальный однорядный
Кол-во
0
?
Оставить заявку
Получить консультацию
У нас большой опыт по подбору запчастей, и мы с радостью поможем вам найти нужную деталь, даже если вы не знаете ее артикул
Дмитрий Иванов
Директор отдела продаж
Мобильный номер:
8 (912) 474-74-74
E-mail:
td.uralval@mail.ru
Вы должны включить JavaScript чтобы использовать эту форму.
Ваше имя
Ваш телефон
Комментарий
Я соглашаюсь с
Политикой конфиденциальности
и даю согласие на обработку персональных данных.
Feed me
Отправить