Запчасти для грузовых автомобилей
8-800-555-32-41
Перезвоните мне
Отправить готовую заявку
0
Корзина
Поиск
КАТАЛОГ ПРОДУКЦИИ
Запчасти УРАЛ
Запчасти КамАЗ
Запчасти АМТ
Запчасти ЧТЗ
Запчасти погрузчиков Dalian
Запчасти ЯМЗ
Двигатели ЯМЗ в сборе
Запчасти Shaanxi Fast Gear
Лебедки
Спецпредложения
О компании
Доставка и оплата
Гарантии и сервис
Контакты
Графические каталоги запчастей
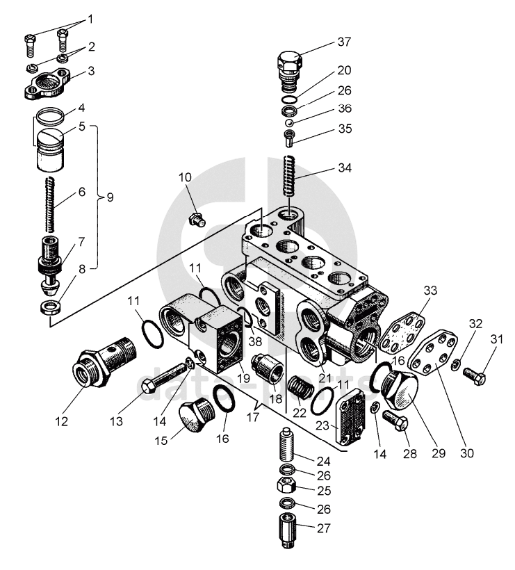
Гидрораспределитель Корпус Т-10М
Главная
/
Графические каталоги
/
ЧТЗ
/
Т-10М
/
Гидрораспределитель Корпус
1
2
3
4
5
6
7
8
9
10
11
11
11
12
13
14
14
15
16
17
18
19
20
21
22
23
24
25
26
26
26
27
28
29
30
31
32
33
34
35
36
37
38
%
1
БолтМ10-6gx25.58.019
Болт
Кол-во
2
?
Оставить заявку
2
Шайба10.ОТ.65Г.09
Шайба 10.ОТ.65Г.09
Кол-во
2
?
Оставить заявку
3
50-26-761
Фланец
Кол-во
1
?
Оставить заявку
4
Кольцо027-032-30-2-5
Кольцо 027-032-30-2-5
Кол-во
1
?
Оставить заявку
5
50-26-769
Направляющая клапана
Кол-во
1
?
Оставить заявку
6
700-38-2930
Пружина
Кол-во
1
?
Оставить заявку
7
50-26-767
Клапан перепускной
Кол-во
1
?
Оставить заявку
8
50-26-768
Седло клапана
Кол-во
1
?
Оставить заявку
9
50-26-732СП
Клапан перепускной
Кол-во
1
?
Оставить заявку
10
375
Пробка
Кол-во
2
?
Узнать цену
375
Рем.к-т. двигателя Урал- 20 наим. (ПГБЦ+парон.+рти)
Производство:
АЗ Урал
Под заказ
цена по запросу
В корзину
11
Кольцо039-045-36-2-5
Кольцо 039-045-36-2-5
Кол-во
3
?
Оставить заявку
12
700-41-3632
Штуцер
Кол-во
1
?
Оставить заявку
13
700-28-2561
Болт
Кол-во
2
?
Оставить заявку
14
Шайба12.ОТ.65Г.09
Шайба 12.ОТ.65Г.09
Кол-во
6
?
Оставить заявку
15
700-46-2262
Пробка
Кол-во
1
?
Оставить заявку
16
46764
Кольцо
Кол-во
5
?
Оставить заявку
17
50-26-733СП
Клапан обратный
Кол-во
1
?
Оставить заявку
18
50-26-771
Клапан обратный
Кол-во
1
?
Оставить заявку
19
50-26-770
Корпус клапана
Кол-во
1
?
Оставить заявку
20
Кольцо022-028-36-2-5
Кольцо 022-028-36-2-5
Кол-во
1
?
Оставить заявку
21
50-26-766
Корпус гидрораспределителя
Кол-во
1
?
Оставить заявку
22
700-38-2886
Пружина
Кол-во
1
?
Оставить заявку
23
50-26-772
Крышка
Кол-во
1
?
Оставить заявку
24
700-35-2172
Винт
Кол-во
1
?
Оставить заявку
25
700-30-2371
Гайка
Кол-во
1
?
Оставить заявку
26
Кольцо018-022-25-2-5
Кольцо 018-022-25-2-5
Кол-во
3
?
Оставить заявку
27
50-26-763
Колпачок
Кол-во
1
?
Оставить заявку
28
БолтМ12-6gx30.88.35.019
Болт М12-6gx30 88.35.019
Кол-во
4
?
Оставить заявку
29
700-37-2268
Пробка
Кол-во
1
?
Оставить заявку
30
50-26-756
Крышка
Кол-во
1
?
Оставить заявку
31
БолтМ8-6gx16.58.019
Болт М8-6gx16.58.019
Кол-во
14
?
Оставить заявку
32
Шайба8Т.65Г.09
Шайба 8Т.65Г.09
Кол-во
12
?
Оставить заявку
33
700-40-8294
Прокладка
Кол-во
1
?
Оставить заявку
34
700-38-2873
Пружина
Кол-во
1
?
Оставить заявку
35
50-26-759
Направляющая клапана
Кол-во
1
?
Оставить заявку
36
ШарикБ9,525-200
Шарик Б 9,525-200
Кол-во
1
?
Оставить заявку
37
50-26-760
Седло клапана
Кол-во
1
?
Оставить заявку
38
700-40-2135
Кольцо
Кол-во
1
?
Оставить заявку
Получить консультацию
У нас большой опыт по подбору запчастей, и мы с радостью поможем вам найти нужную деталь, даже если вы не знаете ее артикул
Дмитрий Иванов
Директор отдела продаж
Мобильный номер:
8 (912) 474-74-74
E-mail:
td.uralval@mail.ru
Вы должны включить JavaScript чтобы использовать эту форму.
Ваше имя
Ваш телефон
Комментарий
Я соглашаюсь с
Политикой конфиденциальности
и даю согласие на обработку персональных данных.
Feed me
Отправить