Запчасти для грузовых автомобилей
8-800-555-32-41
Перезвоните мне
Отправить готовую заявку
0
Корзина
Поиск
КАТАЛОГ ПРОДУКЦИИ
Запчасти УРАЛ
Запчасти КамАЗ
Запчасти АМТ
Запчасти ЧТЗ
Запчасти погрузчиков Dalian
Запчасти ЯМЗ
Двигатели ЯМЗ в сборе
Запчасти Shaanxi Fast Gear
Лебедки
Спецпредложения
О компании
Доставка и оплата
Гарантии и сервис
Контакты
Графические каталоги запчастей
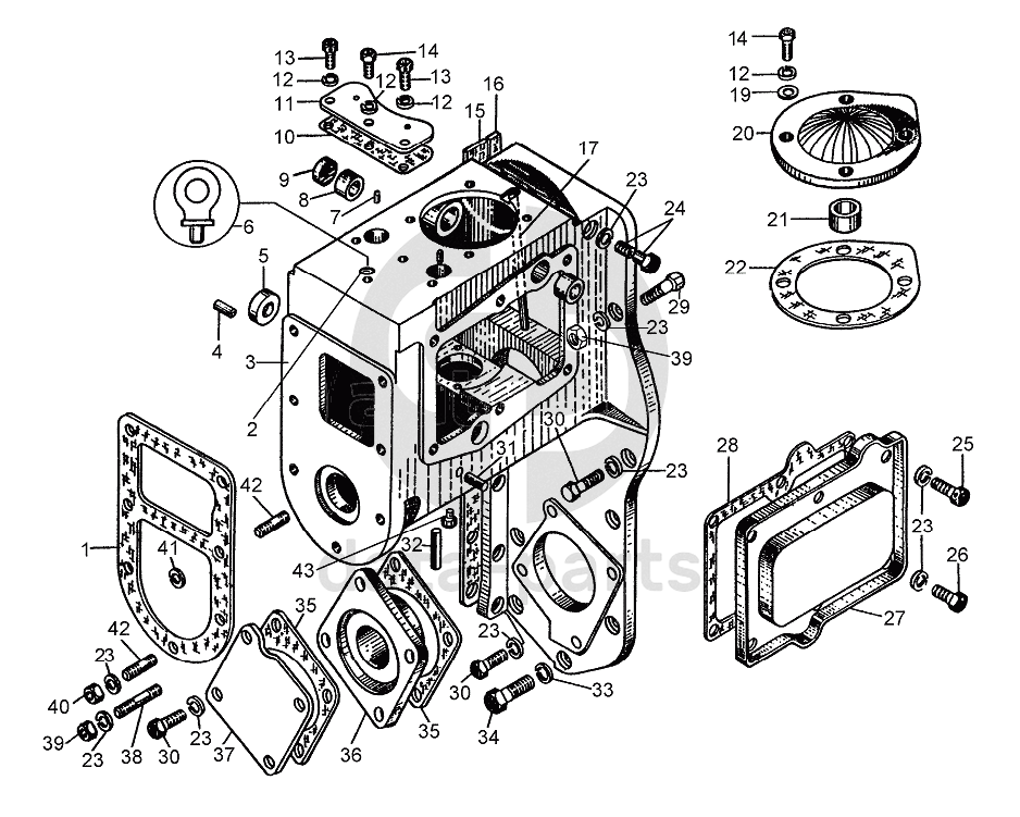
Корпус регулятора Т-10М
Главная
/
Графические каталоги
/
ЧТЗ
/
Т-10М
/
Корпус регулятора
1
2
3
4
5
6
7
8
9
10
11
12
12
12
12
13
13
14
14
15
16
17
19
20
21
22
23
23
23
23
23
23
23
23
24
25
26
27
28
29
30
30
30
31
32
33
34
35
35
36
37
38
39
39
40
41
42
42
43
%
1
40748
Прокладка
Кол-во
1
?
Оставить заявку
2
3197-02
Шайба 10х3.02.3кп.05
Кол-во
1
?
Оставить заявку
3
51-06-22
Корпус регулятора
Кол-во
1
?
Оставить заявку
4
700-32-2191
Штифт 5h8х20
Кол-во
1
?
Оставить заявку
5
Манжета1.2-15x30-1
Манжета 1.2-15x30-1
Кол-во
1
?
Оставить заявку
6
51-06-43
Рым-болт
Кол-во
1
?
Оставить заявку
7
700-32-2182
Штифт
Кол-во
2
?
Оставить заявку
8
941/15
Подшипник роликовый игольчатый с одним наружным штампованным кольцом
Кол-во
2
?
Оставить заявку
9
06305
Пробка-колпачек
Кол-во
1
?
Оставить заявку
10
40962-1
Прокладка
Кол-во
1
?
Оставить заявку
11
06311
Крышка
Кол-во
1
?
Оставить заявку
12
Шайба8Т.65Г.09
Шайба 8Т.65Г.09
Кол-во
7
?
Оставить заявку
13
28473
Болт
Кол-во
2
?
Оставить заявку
14
БолтМ8x20.58.019
Болт М8x20.58.019
Кол-во
5
?
Оставить заявку
15
06577
Прокладка
Кол-во
3
?
Узнать цену
06577
Прокладка
Производство:
ЧТЗ
Под заказ
цена по запросу
В корзину
16
46170
Прокладка
Кол-во
1
?
Оставить заявку
17
06306
Трубка
Кол-во
1
?
Оставить заявку
19
31386-1
Шайба
Кол-во
4
?
Оставить заявку
20
06308-2
Крышка
Кол-во
1
?
Оставить заявку
21
06309
Втулка
Кол-во
1
?
Оставить заявку
22
40961
Прокладка
Кол-во
1
?
Оставить заявку
23
Шайба10.ОТ.65Г.09
Шайба 10.ОТ.65Г.09
Кол-во
20
?
Оставить заявку
24
БолтМ10-6gx170.58.019
Болт М10-6gx170.58.019
Кол-во
1
?
Оставить заявку
25
700-28-2455
Болт
Кол-во
2
?
Оставить заявку
26
БолтМ10x20.58.019
Болт М10x20.58.019
Кол-во
4
?
Оставить заявку
27
06312-2
Крышка
Кол-во
1
?
Узнать цену
06312-2
Крышка
Производство:
ЧТЗ
Под заказ
цена по запросу
В корзину
28
40963-1
Прокладка
Кол-во
2
?
Оставить заявку
29
БолтМ10x40.58.019
Болт М10x40.58.019
Кол-во
1
?
Оставить заявку
30
БолтМ10x30.58.019
Болт М10x30.58.019
Кол-во
12
?
Оставить заявку
31
700-32-2192
Штифт 5h8х25
Кол-во
1
?
Оставить заявку
32
700-32-2200
Штифт
Кол-во
1
?
Узнать цену
700-32-2200
Штифт
Производство:
ЧТЗ
Под заказ
цена по запросу
В корзину
33
Шайба12.ОТ.65Г.09
Шайба 12.ОТ.65Г.09
Кол-во
1
?
Оставить заявку
34
28579
Болт
Кол-во
1
?
Оставить заявку
35
700-40-2631
Прокладка
Кол-во
2
?
Оставить заявку
36
50-26-830-1
Плита
Кол-во
1
?
Оставить заявку
37
51-06-3
Крышка
Кол-во
1
?
Узнать цену
51-06-3
Крышка
Производство:
ЧТЗ
Под заказ
цена по запросу
В корзину
38
700-29-2194
Шпилька
Кол-во
3
?
Узнать цену
700-29-2194
Шпилька М10-3р/6gх45.66.016 ГОСТ 22034-76
Производство:
ЧТЗ
Под заказ
цена по запросу
В корзину
39
ГайкаМ10.6.019
Гайка
Кол-во
3
?
Оставить заявку
40
3084
Гайка
Кол-во
7
?
Узнать цену
3084
Гайка
Производство:
ЧТЗ
Под заказ
цена по запросу
В корзину
41
353-07-1
Шайба чистая 10
Кол-во
1
?
Оставить заявку
42
700-29-2463
Шпилька
Кол-во
7
?
Оставить заявку
43
379
Пробка
Кол-во
1
?
Узнать цену
379
Пробка
Производство:
ЧТЗ
Под заказ
цена по запросу
В корзину
Получить консультацию
У нас большой опыт по подбору запчастей, и мы с радостью поможем вам найти нужную деталь, даже если вы не знаете ее артикул
Дмитрий Иванов
Директор отдела продаж
Мобильный номер:
8 (912) 474-74-74
E-mail:
td.uralval@mail.ru
Вы должны включить JavaScript чтобы использовать эту форму.
Ваше имя
Ваш телефон
Комментарий
Я соглашаюсь с
Политикой конфиденциальности
и даю согласие на обработку персональных данных.
Feed me
Отправить