Запчасти для грузовых автомобилей
8-800-555-32-41
Перезвоните мне
Отправить готовую заявку
0
Корзина
Поиск
КАТАЛОГ ПРОДУКЦИИ
Запчасти УРАЛ
Запчасти КамАЗ
Запчасти АМТ
Запчасти ЧТЗ
Запчасти погрузчиков Dalian
Запчасти ЯМЗ
Двигатели ЯМЗ в сборе
Запчасти Shaanxi Fast Gear
Лебедки
Спецпредложения
О компании
Доставка и оплата
Гарантии и сервис
Контакты
Графические каталоги запчастей
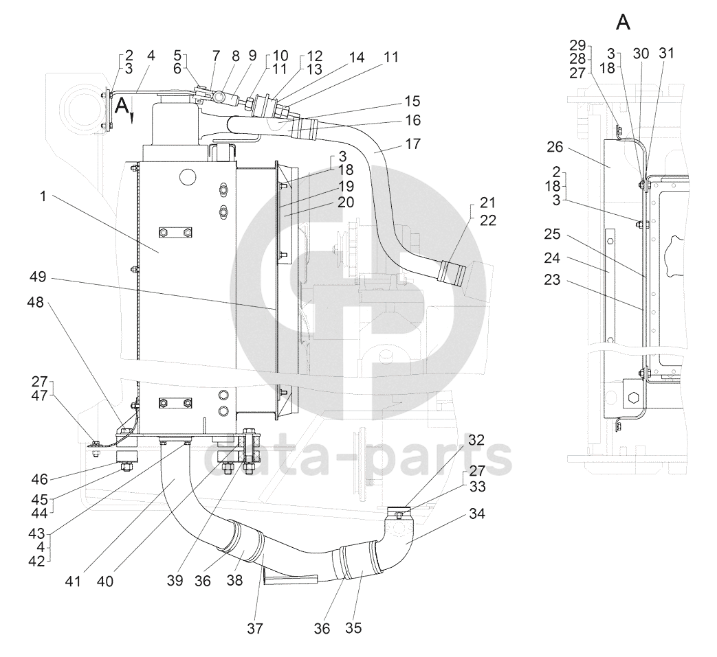
Установка радиаторов Бульдозер Б11
Главная
/
Графические каталоги
/
ЧТЗ
/
Бульдозер Б11
/
Установка радиаторов
1
2
2
3
3
3
3
4
4
5
6
7
8
9
10
11
11
12
13
14
15
16
17
18
18
18
19
20
21
22
23
24
25
26
27
27
27
28
29
30
31
32
33
34
35
37
38
39
40
41
42
43
44
45
46
47
48
49
36
36
%
1
64-08-15СП
Блок радиаторов
Кол-во
0
?
Оставить заявку
2
БолтМ8-6gх25.88.35.019
Болт
Кол-во
0
?
Оставить заявку
3
Шайба8Т.65Г.09
Шайба 8Т.65Г.09
Кол-во
0
?
Оставить заявку
4
64-08-287СП
Кронштейн
Кол-во
0
?
Оставить заявку
5
64-08-290
Палец
Кол-во
0
?
Оставить заявку
6
Шплинт3,2х22.019
Шплинт
Кол-во
0
?
Оставить заявку
7
64-08-427
Проушина
Кол-во
0
?
Оставить заявку
8
64-08-290-01
Палец
Кол-во
0
?
Оставить заявку
9
64-08-291
Раскос
Кол-во
0
?
Оставить заявку
10
ГайкаМ18х1,5-7Н.6.019
Гайка
Кол-во
0
?
Оставить заявку
11
Шайба18.ОТ.65Г.09
Шайба 18.ОТ.65Г.09
Кол-во
0
?
Оставить заявку
12
24-08-157
Втулка
Кол-во
0
?
Узнать цену
24-08-157
Втулка
Производство:
ЧТЗ
Под заказ
цена по запросу
В корзину
13
700-40-4428
Втулка
Кол-во
0
?
Оставить заявку
14
24-08-154
Тарелка амортизатора
Кол-во
0
?
Оставить заявку
15
64-08-471
Патрубок
Кол-во
0
?
Узнать цену
64-08-471
Патрубок
Производство:
ЧТЗ
Под заказ
цена по запросу
В корзину
16
64-08-562
Труба
Кол-во
0
?
Оставить заявку
17
64-08-573
Труба
Кол-во
0
?
Оставить заявку
18
ГайкаМ8-7Н.6.019
Гайка
Кол-во
0
?
Оставить заявку
19
64-08-54
Накладка
Кол-во
0
?
Оставить заявку
20
64-08-564
Щиток
Кол-во
0
?
Оставить заявку
21
700-40-3495
Рукав
Кол-во
0
?
Оставить заявку
22
SGТ50-70/9
Хомут червячный
Кол-во
0
?
Оставить заявку
23
114-08-4
Планка
Кол-во
0
?
Оставить заявку
24
114-08-3
Планка
Кол-во
0
?
Оставить заявку
25
114-08-2
Планка
Кол-во
0
?
Оставить заявку
26
700-40-9749
Штора
Кол-во
0
?
Оставить заявку
27
3197
Шайба
Кол-во
0
?
Оставить заявку
28
Шайба10.ОТ.65Г.09
Шайба 10.ОТ.65Г.09
Кол-во
0
?
Оставить заявку
29
БолтМ10-6gх20.88.35.019
Болт
Кол-во
0
?
Оставить заявку
30
700-40-9748
Уплотнение
Кол-во
0
?
Оставить заявку
31
114-08-1
Планка боковая
Кол-во
0
?
Оставить заявку
32
700-40-8714
Прокладка
Кол-во
0
?
Оставить заявку
33
3083
Гайка
Кол-во
0
?
Узнать цену
3083
Гайка
Производство:
ЧТЗ
Под заказ
цена по запросу
В корзину
34
64-08-477
Патрубок
Кол-во
0
?
Узнать цену
64-08-477
Патрубок
Производство:
ЧТЗ
Под заказ
цена по запросу
В корзину
35
700-40-3504
Рукав
Кол-во
0
?
Оставить заявку
36
SGT70-90/9
Хомут червячный
Кол-во
0
?
Оставить заявку
37
64-08-292СП
Патрубок
Кол-во
0
?
Оставить заявку
38
700-40-3503
Рукав
Кол-во
0
?
Оставить заявку
39
64-08-389
Втулка
Кол-во
0
?
Оставить заявку
40
700-40-9292
Амортизатор
Кол-во
0
?
Оставить заявку
41
64-08-446
Патрубок
Кол-во
0
?
Узнать цену
64-08-446
Патрубок
Производство:
ЧТЗ
Под заказ
цена по запросу
В корзину
42
БолтМ8-6gх30.88.35.019
Болт
Кол-во
0
?
Оставить заявку
43
31386
Шайба
Кол-во
0
?
Оставить заявку
44
Шайба16.ОТ.65Г.09
Шайба 16.ОТ.65Г.09
Кол-во
0
?
Оставить заявку
45
3013
Гайка
Кол-во
0
?
Узнать цену
3013
Гайка М16.6 ТУ 14-4-1005-79
Производство:
ЧТЗ
Под заказ
цена по запросу
В корзину
46
64-08-388
Накладка
Кол-во
0
?
Оставить заявку
47
БолтМ10-6gх30.58.019
Болт
Кол-во
0
?
Оставить заявку
48
64-08-265СП
Накладка
Кол-во
0
?
Оставить заявку
49
700-40-9588
Прокладка
Кол-во
0
?
Оставить заявку
Получить консультацию
У нас большой опыт по подбору запчастей, и мы с радостью поможем вам найти нужную деталь, даже если вы не знаете ее артикул
Дмитрий Иванов
Директор отдела продаж
Мобильный номер:
8 (912) 474-74-74
E-mail:
td.uralval@mail.ru
Вы должны включить JavaScript чтобы использовать эту форму.
Ваше имя
Ваш телефон
Комментарий
Я соглашаюсь с
Политикой конфиденциальности
и даю согласие на обработку персональных данных.
Feed me
Отправить