Запчасти для грузовых автомобилей
8-800-555-32-41
Перезвоните мне
Отправить готовую заявку
0
Корзина
Поиск
КАТАЛОГ ПРОДУКЦИИ
Запчасти УРАЛ
Запчасти КамАЗ
Запчасти АМТ
Запчасти ЧТЗ
Запчасти погрузчиков Dalian
Запчасти ЯМЗ
Двигатели ЯМЗ в сборе
Запчасти Shaanxi Fast Gear
Лебедки
Спецпредложения
О компании
Доставка и оплата
Гарантии и сервис
Контакты
Графические каталоги запчастей
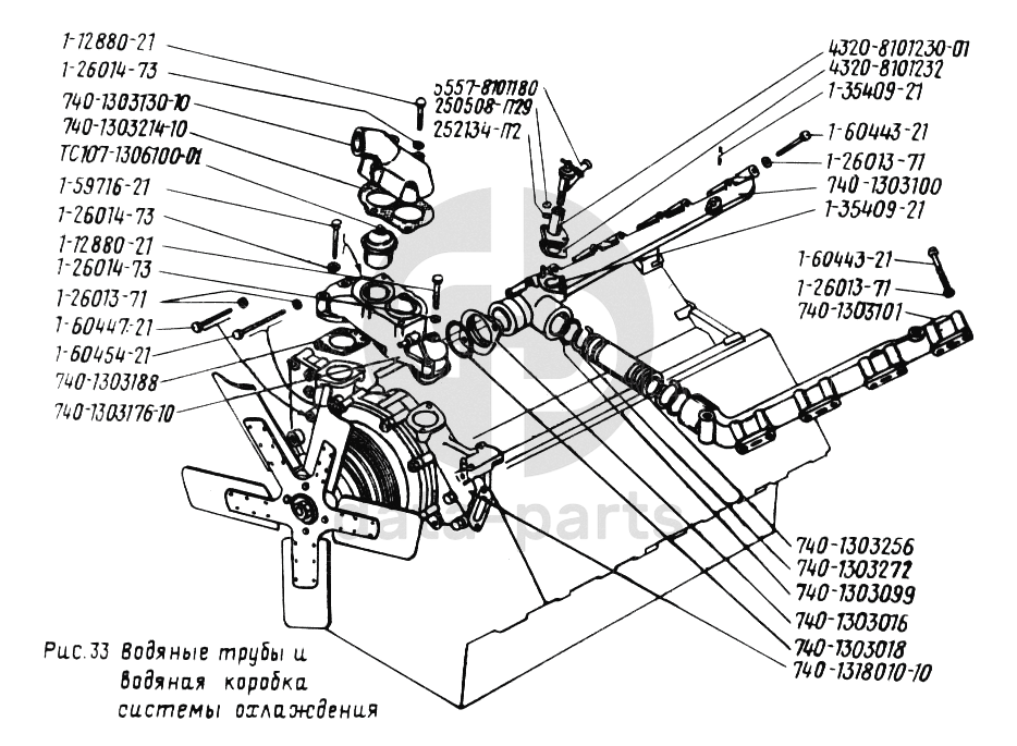
Водяные трубы и водяная коробка системы охлаждения УРАЛ-5557
Главная
/
Графические каталоги
/
УралАЗ
/
УРАЛ-5557
/
Водяные трубы и водяная коробка системы охлаждения
%
1
1-59716-21
Болт М10х1,25х90
Кол-во
0
?
Оставить заявку
2
4320-8101230-01
Фланец
Кол-во
0
?
Оставить заявку
3
740-1303101
Труба водяная левая
Кол-во
0
?
Оставить заявку
4
740-1303100
Труба водяная правая в сборе
Кол-во
0
?
Оставить заявку
5
740-1303256
Труба водяная соединительная
Кол-во
0
?
Оставить заявку
6
740-1303016
Фланец соединительный
Кол-во
0
?
Оставить заявку
7
1-35409-21
Шпилька М6х16
Кол-во
0
?
Оставить заявку
8
1-60447-21
Болт М8х75
Кол-во
0
?
Оставить заявку
9
252134-П2
Шайба 6 пружинная
Кол-во
0
?
Узнать цену
252134-П2
Шайба 6т
Производство:
ПАО Автодизель (ЯМЗ)
65 в наличии
3
p
В корзину
10
5557-8101180
Кран масляного радиатора в сборе
Кол-во
0
?
Узнать цену
5557-8101180
Кран УРАЛ отопителя, радиатора масляного
Производство:
Россия
Под заказ
цена по запросу
В корзину
11
1-12880-21
Болт М10х1,25х60
Кол-во
0
?
Оставить заявку
12
4320-8101232
Прокладка
Кол-во
0
?
Оставить заявку
13
740-1303214-10
Прокладка патрубка
Кол-во
0
?
Оставить заявку
14
740-1303130-10
Патрубок водяной коробки
Кол-во
0
?
Оставить заявку
15
740-1303188
Прокладка водяной коробки
Кол-во
0
?
Оставить заявку
16
250508-П29
Гайка М6-6Н
Кол-во
0
?
Узнать цену
250508-П29
Гайка М6 многоцелевая (упаковка 15шт.)
Производство:
ПАО Автодизель (ЯМЗ)
203 в наличии
9
p
В корзину
250508-П29
Гайка М6 многоцелевая (упаковка 15шт.)
Производство:
АЗ Урал
Под заказ
8
p
В корзину
17
740-1318010-10
Гидромуфта
Кол-во
0
?
Узнать цену
740-1318010-10
Гидромуфта УРАЛ-4320 привода вентилятора (двигатель KAMAZ)
Производство:
АЗ Урал
Под заказ
цена по запросу
В корзину
18
740-1303099
Кольцо уплотнительное перепускной трубы входного канала
Кол-во
0
?
Оставить заявку
19
1-26014-73
Шайба 10 волнистая
Кол-во
0
?
Оставить заявку
20
ТС107-1306100-01
Термостат системы охлаждения
Кол-во
0
?
Оставить заявку
21
1-60454-21
Болт М8х110
Кол-во
0
?
Оставить заявку
22
1-60443-21
Болт М8х55
Кол-во
0
?
Оставить заявку
23
740-1303272
Кольцо запорное
Кол-во
0
?
Оставить заявку
24
740-1303018
Кольцо уплотнительное фланца
Кол-во
0
?
Оставить заявку
25
740-1303176-10
Коробка водяная в сборе
Кол-во
0
?
Оставить заявку
26
1-26013-71
Шайба 8 волнистая
Кол-во
0
?
Оставить заявку
Получить консультацию
У нас большой опыт по подбору запчастей, и мы с радостью поможем вам найти нужную деталь, даже если вы не знаете ее артикул
Дмитрий Иванов
Директор отдела продаж
Мобильный номер:
8 (912) 474-74-74
E-mail:
td.uralval@mail.ru
Вы должны включить JavaScript чтобы использовать эту форму.
Ваше имя
Ваш телефон
Комментарий
Я соглашаюсь с
Политикой конфиденциальности
и даю согласие на обработку персональных данных.
Feed me
Отправить