Запчасти для грузовых автомобилей
8-800-555-32-41
Перезвоните мне
Отправить готовую заявку
0
Корзина
Поиск
КАТАЛОГ ПРОДУКЦИИ
Запчасти УРАЛ
Запчасти КамАЗ
Запчасти АМТ
Запчасти ЧТЗ
Запчасти погрузчиков Dalian
Запчасти ЯМЗ
Двигатели ЯМЗ в сборе
Запчасти Shaanxi Fast Gear
Лебедки
Спецпредложения
О компании
Доставка и оплата
Гарантии и сервис
Контакты
Графические каталоги запчастей
Насос усилителя рулевого управления УРАЛ-4420
Главная
/
Графические каталоги
/
УралАЗ
/
УРАЛ-4420
/
Насос усилителя рулевого управления
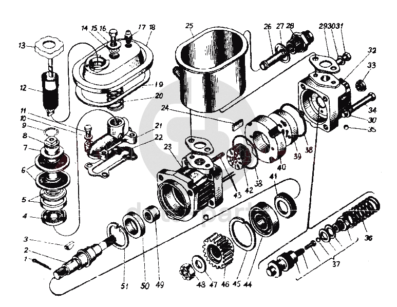
1
2
3
4
5
6
7
8
9
10
11
12
13
14
15
16
17
18
19
20
21
22
23
24
25
26
27
28
29
30
30
31
32
33
34
35
36
37
38
38
39
40
41
42
43
44
45
46
47
48
49
50
51
%
1
1-07338-01
Шплинт 4Х40
Кол-во
1
?
Оставить заявку
2
5320-3407217
Валик насоса гидроусилителя руля
Кол-во
1
?
Оставить заявку
3
853803
Шпонка сегментная 5х7,5
Кол-во
1
?
Оставить заявку
4
5320-3407765
Пластина нижняя
Кол-во
1
?
Оставить заявку
5
5320-3407429
Манжета уплотнительная
Кол-во
1
?
Оставить заявку
6
5320-3407359
Элемент фильтрующий
Кол-во
1
?
Оставить заявку
7
5320-3407763
Пластина верхняя
Кол-во
1
?
Оставить заявку
8
5320-3407340
Труба фильтра в сборе
Кол-во
1
?
Оставить заявку
9
1-34012-76
Кольцо стопорное
Кол-во
1
?
Оставить заявку
10
1-05194-01
Шайба 6
Кол-во
2
?
Оставить заявку
11
1-09028-21
Болт М6Х30
Кол-во
2
?
Оставить заявку
12
5320-3407328
Фильтр заливной в сборе
Кол-во
1
?
Оставить заявку
13
5320-3407350
Пробка в сборе
Кол-во
1
?
Оставить заявку
14
864218
Кольцо уплотнительное
Кол-во
1
?
Оставить заявку
15
1-26470-01
Шайба 8
Кол-во
1
?
Оставить заявку
16
1-60439-21
Болт М8х35
Кол-во
1
?
Оставить заявку
17
864000
Клапан предохранительный
Кол-во
1
?
Узнать цену
864000
клапан предохранительный
Производство:
ПАО КАМАЗ
Под заказ
139
p
В корзину
18
5320-3407398
Крышка бачка с пружиной в сборе
Кол-во
1
?
Оставить заявку
19
5320-3407413
Прокладка
Кол-во
1
?
Оставить заявку
20
5320-3407363
Пружина
Кол-во
1
?
Оставить заявку
21
5320-3407435
Коллектор насоса
Кол-во
1
?
Оставить заявку
22
5320-3407439
Прокладка
Кол-во
1
?
Оставить заявку
23
5320-3407211
Корпус
Кол-во
1
?
Оставить заявку
24
5320-3407251
Лопасть насоса
Кол-во
10
?
Оставить заявку
25
4320-3410010
Бак масляный в сборе
Кол-во
1
?
Узнать цену
4320-3410010
Бак масляный УРАЛ рулевого управления универсальный
Производство:
Россия
Под заказ
цена по запросу
В корзину
26
4320-3410021
Трубка масляного бака
Кол-во
1
?
Оставить заявку
27
853634
Шайба
Кол-во
1
?
Оставить заявку
28
5320-3407322
Штуцер
Кол-во
1
?
Оставить заявку
29
5320-3407437
Прокладка
Кол-во
2
?
Оставить заявку
30
1-05168-77
Шайба 10 пружинная
Кол-во
4
?
Оставить заявку
31
853023-П7
Болт М10Х1,25Х90
Кол-во
2
?
Оставить заявку
32
5320-3407212
Крышка насоса в сборе
Кол-во
1
?
Оставить заявку
33
864843
Седло уплотнительное
Кол-во
1
?
Оставить заявку
34
853022-П7
Болт М10Х1.25Х70
Кол-во
2
?
Оставить заявку
35
864712
Шарик 3,969-60
Кол-во
1
?
Оставить заявку
36
5320-3407281
Пружина перепускного клапана
Кол-во
1
?
Оставить заявку
37
5320-3407213
Клапан перепускной в сборе
Кол-во
1
?
Оставить заявку
38
854217
Кольцо уплотнительное
Кол-во
2
?
Оставить заявку
39
5320-3407255
Диск распределительный
Кол-во
1
?
Оставить заявку
40
5320-3407253
Статор насоса
Кол-во
1
?
Оставить заявку
41
5320-3407220
Кольцо маслоотгонное
Кол-во
1
?
Оставить заявку
42
53203407248
Ротор
Кол-во
1
?
Оставить заявку
43
853757
Штифт установочный
Кол-во
2
?
Оставить заявку
44
305
Подшипник шариковый
Кол-во
1
?
Узнать цену
305
Подшипник шариковый (на привод агрегатов, гидромуфты привода вентилятора)
Производство:
Россия
Под заказ
цена по запросу
В корзину
45
862806
Кольцо упорное
Кол-во
1
?
Оставить заявку
46
5320-3407240
Шестерня
Кол-во
1
?
Оставить заявку
47
1-35507-01
Шайба 15
Кол-во
1
?
Оставить заявку
48
853536-П29
Гайка
Кол-во
1
?
Оставить заявку
49
154901
Подшипник игольчатый
Кол-во
1
?
Оставить заявку
50
864121
Манжета насоса
Кол-во
1
?
Оставить заявку
51
862807
Кольцо упорное
Кол-во
1
?
Оставить заявку
Получить консультацию
У нас большой опыт по подбору запчастей, и мы с радостью поможем вам найти нужную деталь, даже если вы не знаете ее артикул
Дмитрий Иванов
Директор отдела продаж
Мобильный номер:
8 (912) 474-74-74
E-mail:
td.uralval@mail.ru
Вы должны включить JavaScript чтобы использовать эту форму.
Ваше имя
Ваш телефон
Комментарий
Я соглашаюсь с
Политикой конфиденциальности
и даю согласие на обработку персональных данных.
Feed me
Отправить