Запчасти для грузовых автомобилей
8-800-555-32-41
Перезвоните мне
Отправить готовую заявку
0
Корзина
Поиск
КАТАЛОГ ПРОДУКЦИИ
Запчасти УРАЛ
Запчасти КамАЗ
Запчасти АМТ
Запчасти ЧТЗ
Запчасти погрузчиков Dalian
Запчасти ЯМЗ
Двигатели ЯМЗ в сборе
Запчасти Shaanxi Fast Gear
Лебедки
Спецпредложения
О компании
Доставка и оплата
Гарантии и сервис
Контакты
Графические каталоги запчастей
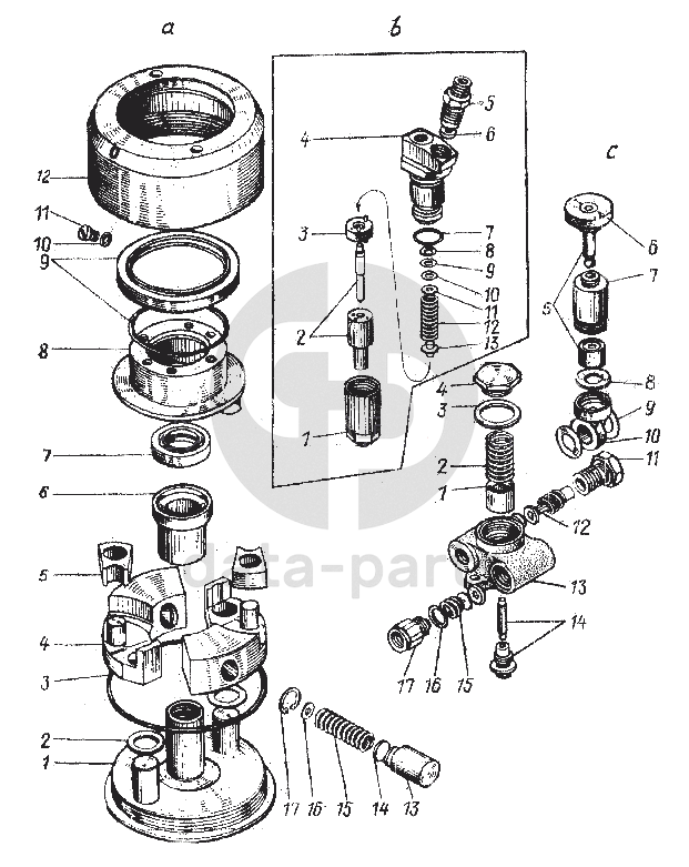
Муфта опережения впрыска (а), форсунка (б), насос ручной подкачки топлива УРАЛ-4420
Главная
/
Графические каталоги
/
УралАЗ
/
УРАЛ-4420
/
Муфта опережения впрыска (а), форсунка (б), насос ручной подкачки топлива
1
1
1
2
2
2
3
3
3
4
4
4
5
5
5
6
6
6
7
7
7
8
8
8
9
9
9
10
10
10
11
11
11
12
12
12
13
13
13
14
14
15
15
16
16
17
17
%
1
236-1106228
Поршень топливного насоса
Кол-во
1
?
Оставить заявку
1
33-1121020
Полумуфта ведомая в сборе
Кол-во
1
?
Оставить заявку
1
33-1112116
Гайка распылителя
Кол-во
8
?
Оставить заявку
2
870645-П29
Шайба 20
Кол-во
2
?
Оставить заявку
2
33-1106232
Пружина поршня
Кол-во
1
?
Оставить заявку
2
33-1112110
Распылитель форсунки в сборе
Кол-во
8
?
Оставить заявку
3
33-1121100
Кольцо уплотнительное корпуса муфты
Кол-во
1
?
Оставить заявку
3
1-03033-60
Прокладка
Кол-во
1
?
Оставить заявку
3
33-1112382
Проставка в сборе
Кол-во
8
?
Оставить заявку
4
33-1121032
Груз муфты в сборе
Кол-во
2
?
Оставить заявку
4
33-1106234
Пробка
Кол-во
1
?
Оставить заявку
4
33-1112023
Корпус форсунки
Кол-во
8
?
Оставить заявку
5
33-1112204
Штуцер форсунки
Кол-во
8
?
Оставить заявку
5
33-1106298
Поршень ручного насоса в сборе
Кол-во
1
?
Оставить заявку
5
33-1121038
Проставка груза
Кол-во
2
?
Оставить заявку
6
33-1121060
Втулка ведущей полумуфты
Кол-во
1
?
Оставить заявку
6
33-1106312
Рукоятка
Кол-во
1
?
Оставить заявку
6
236-1112208
Фильтр форсунки в сборе
Кол-во
8
?
Узнать цену
236-1112208
Фильтр ЯМЗ форсунки
Производство:
АО ЯЗДА
434 в наличии
209
p
В корзину
7
33-1106292
Цилиндр ручного насоса
Кол-во
1
?
Оставить заявку
7
33-1112342
Кольцо уплотнительное форсунки
Кол-во
8
?
Оставить заявку
7
33-1121066
Манжета ведущей полумуфты
Кол-во
1
?
Оставить заявку
8
33-1106306
Прокладка поршня насоса
Кол-во
1
?
Оставить заявку
8
870601-П2
Шайба регулировочная форсунки (Устанавливаются по потребности с 870601-П2 по 870611-П2)
Кол-во
3
?
Оставить заявку
8
33-1121052
Полумуфта ведущая
Кол-во
1
?
Оставить заявку
9
870602-П2
Шайба регулировочная
Кол-во
3
?
Оставить заявку
9
1-02570-60
Прокладка
Кол-во
2
?
Оставить заявку
9
33-1121090
Манжета корпуса муфты с пружиной
Кол-во
1
?
Оставить заявку
10
870603-П2
Шайба регулировочная
Кол-во
3
?
Оставить заявку
10
33-1106324
Корпус цилиндра
Кол-во
1
?
Оставить заявку
10
870455
Прокладка 8х12х1 топливного насоса и муфты опережения впрыска
Кол-во
2
?
Оставить заявку
11
870350-П29
Винт М8х7
Кол-во
2
?
Узнать цену
870350-П29
Винт
Производство:
АО ЯЗДА
Под заказ
148
p
В корзину
11
33-1106322
Болт в сборе
Кол-во
1
?
Оставить заявку
11
870604-П2
Шайба регулировочная
Кол-во
3
?
Оставить заявку
12
33-1106264
Клапан топливного насоса
Кол-во
2
?
Оставить заявку
12
33-1121086
Корпус муфты
Кол-во
1
?
Оставить заявку
12
33-1112140
Пружина форсунки
Кол-во
8
?
Оставить заявку
13
33-1106016
Корпус топливного насоса в сборе
Кол-во
1
?
Оставить заявку
13
33-1112135
Штанга
Кол-во
8
?
Оставить заявку
13
33-1121074
Стакан пружины
Кол-во
2
?
Оставить заявку
14
236-1121072
Прокладка регулировочная
Кол-во
4
?
Узнать цену
236-1121072
Прокладка пружины
Производство:
АО ЯЗДА
Под заказ
58
p
В корзину
14
33-1106222
Шток со втулкой в сборе
Кол-во
1
?
Оставить заявку
15
33-1121070
Пружина муфты опережения
Кол-во
2
?
Оставить заявку
15
33-1106272
Пружина клапана
Кол-во
2
?
Оставить заявку
16
870452-П2
Шайба 10
Кол-во
6
?
Узнать цену
870452-П2
Шайба
Производство:
АО ЯЗДА
Под заказ
22
p
В корзину
16
1-02570-60
Прокладка
Кол-во
0
?
Оставить заявку
17
33-1106276
Корпус
Кол-во
1
?
Оставить заявку
17
33-1121040
Кольцо Б22 ГОСТ 13943-68
Кол-во
2
?
Оставить заявку
Получить консультацию
У нас большой опыт по подбору запчастей, и мы с радостью поможем вам найти нужную деталь, даже если вы не знаете ее артикул
Дмитрий Иванов
Директор отдела продаж
Мобильный номер:
8 (912) 474-74-74
E-mail:
td.uralval@mail.ru
Вы должны включить JavaScript чтобы использовать эту форму.
Ваше имя
Ваш телефон
Комментарий
Я соглашаюсь с
Политикой конфиденциальности
и даю согласие на обработку персональных данных.
Feed me
Отправить