Запчасти для грузовых автомобилей
8-800-555-32-41
Перезвоните мне
Отправить готовую заявку
0
Корзина
Поиск
КАТАЛОГ ПРОДУКЦИИ
Запчасти УРАЛ
Запчасти КамАЗ
Запчасти АМТ
Запчасти ЧТЗ
Запчасти погрузчиков Dalian
Запчасти ЯМЗ
Двигатели ЯМЗ в сборе
Запчасти Shaanxi Fast Gear
Лебедки
Спецпредложения
О компании
Доставка и оплата
Гарантии и сервис
Контакты
Графические каталоги запчастей
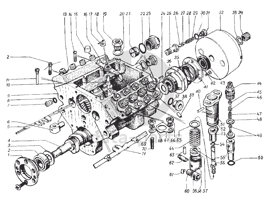
Насос топливный высокого давления УРАЛ-4420
Главная
/
Графические каталоги
/
УралАЗ
/
УРАЛ-4420
/
Насос топливный высокого давления
1
2
3
4
5
6
7
8
9
10
11
12
13
14
16
17
18
19
20
21
22
23
24
25
26
27
28
29
30
31
32
33
34
35
36
37
38
39
40
41
42
43
44
45
46
47
48
49
50
51
52
53
54
55
56
57
58
59
60
61
62
63
64
65
66
67
68
69
70
71
%
1
33-1111552
Крышка подшипника задняя
Кол-во
1
?
Оставить заявку
2
6-7204А
Роликоподшипник кулачкового вала ТНВД
Кол-во
2
?
Узнать цену
6-7204А
Подшипник
Производство:
АО ЯЗДА
Под заказ
726
p
В корзину
3
870643-П15
Шайба 20
Кол-во
2
?
Узнать цену
870643-П15
Шайба
Производство:
АО ЯЗДА
Под заказ
20
p
В корзину
4
33-1111172
Вал кулачковый
Кол-во
1
?
Оставить заявку
5
33-1111031
Рейка правая
Кол-во
1
?
Оставить заявку
6
33-1111028
Палец
Кол-во
4
?
Оставить заявку
7
33-1111047
Пробка
Кол-во
4
?
Оставить заявку
8
33-1111058
Кольцо уплотнительное пробки корпуса топливного насоса
Кол-во
4
?
Оставить заявку
9
33-1111022
Корпус топливного насоса
Кол-во
1
?
Оставить заявку
10
33-1111410
Ось рычага реек
Кол-во
1
?
Оставить заявку
11
33-1111418
Винт стопорный
Кол-во
2
?
Оставить заявку
12
33-1111126
Винт
Кол-во
2
?
Оставить заявку
13
33-1111098
Кожух защитный
Кол-во
2
?
Оставить заявку
14
870355-П29
Винт М6х32
Кол-во
2
?
Узнать цену
870355-П29
Винт
Производство:
АО ЯЗДА
Под заказ
48
p
В корзину
16
33-1111400
Рычаг реек
Кол-во
1
?
Оставить заявку
17
1-07342-01
Шплинт 2х15
Кол-во
1
?
Оставить заявку
18
870615-П2
Шайба 7
Кол-во
1
?
Узнать цену
870615-П2
Шайба
Производство:
АО ЯЗДА
Под заказ
34
p
В корзину
19
33-1111032
Ввертыш
Кол-во
2
?
Оставить заявку
20
1-02574-60
Прокладка
Кол-во
2
?
Оставить заявку
21
33-1111042
Втулка рейки
Кол-во
4
?
Оставить заявку
22
33-1112342
Кольцо уплотнительное форсунки
Кол-во
2
?
Оставить заявку
23
870890-П29
Пробка М27х1,5
Кол-во
2
?
Оставить заявку
24
870806-П2
Шпонка 4х6,5 сегментная
Кол-во
1
?
Оставить заявку
25
33-1111285
Корпус перепускного клапана
Кол-во
1
?
Оставить заявку
26
33-1111325
Шарик 6 V 6,35 мм Н
Кол-во
1
?
Оставить заявку
27
33-1111290
Направляющая клапана
Кол-во
1
?
Оставить заявку
28
33-1111289
Пружина клапана
Кол-во
1
?
Оставить заявку
29
870617
Шайба регулировочная
Кол-во
1
?
Оставить заявку
30
1-02844-60
Прокладка 10
Кол-во
1
?
Оставить заявку
31
33-1111300
Пробка клапана в сборе
Кол-во
1
?
Оставить заявку
32
33-1121010
Муфта опережения впрыска топлива
Кол-во
1
?
Оставить заявку
33
870869-П29
Шайба 14 пружинная
Кол-во
1
?
Узнать цену
870869-П29
Шайба
Производство:
АО ЯЗДА
Под заказ
42
p
В корзину
34
870501-П29
Гайка М14х1,5 кольцевая
Кол-во
1
?
Узнать цену
870501-П29
Гайка
Производство:
АО ЯЗДА
Под заказ
246
p
В корзину
35
33-1111196
Кольцо уплотнительное крышки подшипника топливного насоса
Кол-во
1
?
Оставить заявку
36
33-1111192
Прокладка регулировочная
Кол-во
2
?
Оставить заявку
37
33-1111054
Кольцо уплотнительное пробки
Кол-во
2
?
Оставить заявку
38
33-1111049
Пробка топливного канала
Кол-во
2
?
Оставить заявку
39
33-1111079
Жиклер
Кол-во
1
?
Оставить заявку
40
870750-П2
Штифт3х6,3 установочный
Кол-во
8
?
Оставить заявку
41
33-3111182
Крышка подшипника передняя
Кол-во
1
?
Оставить заявку
42
870354-П29
Винт М6х16
Кол-во
12
?
Узнать цену
870354-П29
Винт
Производство:
АО ЯЗДА
Под заказ
41
p
В корзину
43
740-1029240
Манжета в сборе
Кол-во
1
?
Оставить заявку
44
33-1111118
Штуцер топливного насоса
Кол-во
8
?
Оставить заявку
45
33-1111113
Упор пружины
Кол-во
8
?
Оставить заявку
46
870618
Шайба регулировочная пружины нагнетательного клапана
Кол-во
16
?
Оставить заявку
47
33-1111108
Пружина нагнетательного клапана
Кол-во
8
?
Оставить заявку
48
236-1111086
Прокладка нагнетательного клапана
Кол-во
8
?
Оставить заявку
49
33-1111102
Клапан нагнетательный в сборе
Кол-во
8
?
Оставить заявку
50
33-1111083
Кольцо уплотнительное втулки плунжера
Кол-во
8
?
Оставить заявку
51
33-1111053
Корпус секции с фланцем в сборе
Кол-во
8
?
Оставить заявку
52
33-1111083
Кольцо уплотнительное втулки плунжера
Кол-во
0
?
Оставить заявку
53
33-1111060
Втулка поворотная с осью в сборе
Кол-во
8
?
Оставить заявку
54
33-1111067
Кольцо стопорное
Кол-во
8
?
Оставить заявку
55
33-1111074
Пара плунжерная в сборе
Кол-во
8
?
Оставить заявку
56
33-1111151
Толкатель
Кол-во
8
?
Оставить заявку
57
33-1111575
Пята толкателя (комплект)
Кол-во
8
?
Оставить заявку
58
33-1111138
Толкатель плунжера
Кол-во
8
?
Оставить заявку
59
33-1111140
Ролик
Кол-во
8
?
Оставить заявку
60
33-1111144
Втулка
Кол-во
8
?
Оставить заявку
61
236-1106246
Сухарь
Кол-во
8
?
Оставить заявку
62
33-1111142
Ось ролика
Кол-во
8
?
Оставить заявку
63
870751-П2
Штифт
Кол-во
8
?
Оставить заявку
64
33-1111148
Пружина толкателя
Кол-во
8
?
Оставить заявку
65
870622
Шайба диаметр 19 пружины толкателя
Кол-во
8
?
Оставить заявку
66
1-21647-21
Гайка М10х1,25
Кол-во
16
?
Оставить заявку
67
33-1111096
Шайба штуцера стопорная
Кол-во
8
?
Оставить заявку
68
1-05168-73
Шайба 10 пружинная
Кол-во
16
?
Оставить заявку
69
1-26386-71
Шайба 10
Кол-во
8
?
Оставить заявку
70
1-35461-31
Шпилька М10х1,25х20х20
Кол-во
16
?
Оставить заявку
71
33-1111027
Рейка левая в сборе
Кол-во
1
?
Оставить заявку
Получить консультацию
У нас большой опыт по подбору запчастей, и мы с радостью поможем вам найти нужную деталь, даже если вы не знаете ее артикул
Дмитрий Иванов
Директор отдела продаж
Мобильный номер:
8 (912) 474-74-74
E-mail:
td.uralval@mail.ru
Вы должны включить JavaScript чтобы использовать эту форму.
Ваше имя
Ваш телефон
Комментарий
Я соглашаюсь с
Политикой конфиденциальности
и даю согласие на обработку персональных данных.
Feed me
Отправить