Запчасти для грузовых автомобилей
8-800-555-32-41
Перезвоните мне
Отправить готовую заявку
0
Корзина
Поиск
КАТАЛОГ ПРОДУКЦИИ
Запчасти УРАЛ
Запчасти КамАЗ
Запчасти АМТ
Запчасти ЧТЗ
Запчасти погрузчиков Dalian
Запчасти ЯМЗ
Двигатели ЯМЗ в сборе
Запчасти Shaanxi Fast Gear
Лебедки
Спецпредложения
О компании
Доставка и оплата
Гарантии и сервис
Контакты
Графические каталоги запчастей
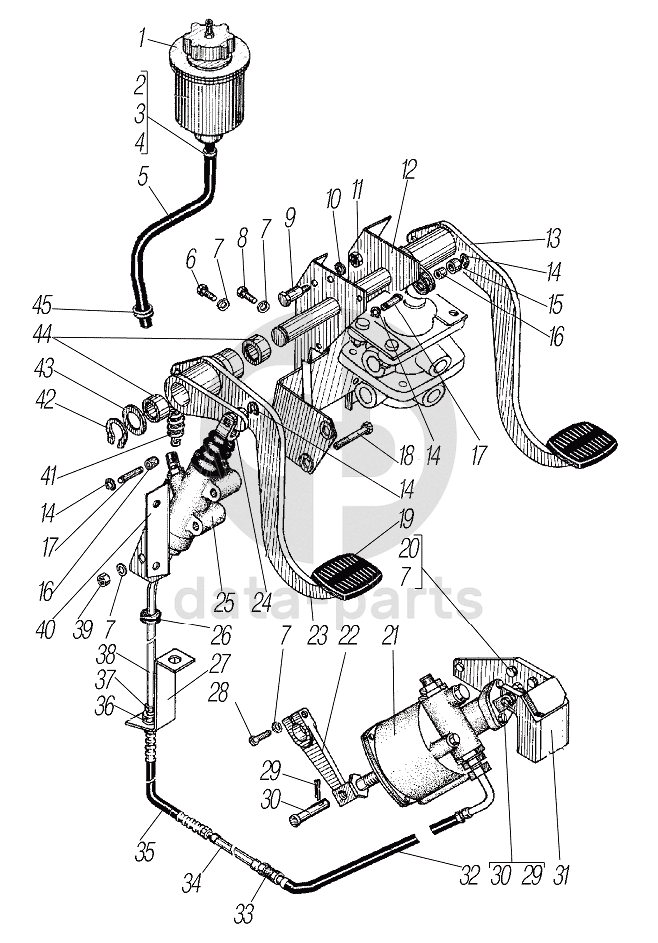
Привод педалей сцепления и тормоза УРАЛ-4320-0971-58
Главная
/
Графические каталоги
/
УралАЗ
/
УРАЛ-4320-0971-58
/
Привод педалей сцепления и тормоза
1
2
3
4
5
6
7
7
7
7
7
8
9
10
11
12
13
14
14
14
14
15
16
16
17
17
18
19
20
21
22
23
24
25
26
27
28
29
29
30
30
31
32
33
34
35
36
37
38
39
40
41
42
43
44
45
%
1
375-3505082-Б2
Бачок для тормозной жидкости с сеткой в сборе
Кол-во
1
?
Узнать цену
375-3505082-Б2
Бачок ГТЦ УРАЛ в сборе
Производство:
АЗ Урал
47 в наличии
836
p
В корзину
2
4598711592
Пряжка хомута
Кол-во
1
?
Узнать цену
4598711592
Пряжка хомута 45 9871 1592
Производство:
АЗ Урал
Под заказ
цена по запросу
В корзину
3
375-3916019
Лента стяжная
Кол-во
1
?
Узнать цену
375-3916019
Лента стяжная 375-3916019
Производство:
АЗ Урал
Под заказ
цена по запросу
В корзину
4
4598711152
Шплинт
Кол-во
1
?
Оставить заявку
5
6361Х-1602170
Рукав 8х15-098
Кол-во
1
?
Узнать цену
6361Х-1602170
Шланг УРАЛ ПГУ
Производство:
АЗ Урал
Под заказ
191
p
В корзину
6
201493-П29
Болт М10-6gх16
Кол-во
1
?
Узнать цену
201493-П29
Болт М10х16 крепление кронштейна тормозных трубок УРАЛ
Производство:
АЗ Урал
Под заказ
24
p
В корзину
7
252136-П2
Шайба 10 пружинная
Кол-во
8
?
Узнать цену
252136-П2
Шайба 10.2х2.5 пружинная
Производство:
ПАО Автодизель (ЯМЗ)
509 в наличии
11
p
В корзину
8
201494-П29
Болт М10-6gх18
Кол-во
4
?
Узнать цену
201494-П29
Болт М10х1.5х19 стопора оси блока шестерен заднего хода
Производство:
АЗ Урал
Под заказ
29
p
В корзину
9
6361-1602111
Эксцентрик
Кол-во
3
?
Оставить заявку
10
252155-П2
Шайба 8 пружинная
Кол-во
3
?
Узнать цену
252155-П2
Шайба 8Л УРАЛ
Производство:
ПАО Автодизель (ЯМЗ)
Под заказ
847
p
В корзину
11
250510-П29
Гайка М8-6Н
Кол-во
3
?
Узнать цену
250510-П29
Гайка М8х1.25х14 ЗИЛ многоцелевая
Производство:
АЗ Урал
Под заказ
7
p
В корзину
250510-П29
Гайка М8х1.25х14 ЗИЛ многоцелевая
Производство:
ПАО Автодизель (ЯМЗ)
Под заказ
7
p
В корзину
12
6361-3504050
Кронштейн
Кол-во
1
?
Оставить заявку
13
6363-3504010
Педаль тормоза
Кол-во
1
?
Оставить заявку
14
5557-1602177
Стопор
Кол-во
4
?
Узнать цену
5557-1602177
Стопор
Производство:
АЗ Урал
Под заказ
21
p
В корзину
15
6361-3504037
Ролик
Кол-во
1
?
Оставить заявку
16
1-941/12К
Подшипник 1-941/12К
Кол-во
2
?
Оставить заявку
17
6361-1602032
Ось
Кол-во
2
?
Оставить заявку
18
63206-2913032
Болт
Кол-во
2
?
Оставить заявку
19
450-1602047
Накладка педали
Кол-во
2
?
Оставить заявку
20
206535-П29
Болт М10-6gх22
Кол-во
8
?
Узнать цену
206535-П29
Болт М10х22 крепление кронштейна цилиндра сцепления УРАЛ
Производство:
АЗ Урал
Под заказ
74
p
В корзину
21
6361ЯХ-1602410
Пневмогидроусилитель
Кол-во
1
?
Узнать цену
6361ЯХ-1602410
ПГУ УРАЛ с штуцером и кронштейном: 4320Я3-1602196-21 в сборе без шланга
Производство:
АЗ Урал
Под заказ
цена по запросу
В корзину
22
4320Я3-1602074
Рычаг
Кол-во
2
?
Узнать цену
4320Я3-1602074
Рычаг УРАЛ вала вилки выключения сцепления дв.ЯМЗ-236НЕ2
Производство:
АЗ Урал
7 в наличии
2 341
p
В корзину
23
6363-1602010
Педаль сцепления
Кол-во
1
?
Оставить заявку
24
6361-1602104
Толкатель
Кол-во
1
?
Узнать цену
6361-1602104
Толкатель УРАЛ цилиндра сцепления Н/О
Производство:
АЗ Урал
Под заказ
559
p
В корзину
25
6361Х-1602510
Цилиндр гидравлический
Кол-во
1
?
Узнать цену
6361Х-1602510
ЦИЛИНДР ГИДРАВЛИЧЕСКИЙ
Производство:
АЗ Урал
Под заказ
4 196
p
В корзину
26
353-3802035
Валик шестерни привода спидометра
Кол-во
1
?
Оставить заявку
27
6361Х-1602167
Кронштейн
Кол-во
1
?
Оставить заявку
28
200319-П29
Болт М10-6gх50
Кол-во
2
?
Узнать цену
200319-П29
Болт М10х1.5х50 крышки заднего подшипника КПП ЗИЛ, подвески задней ГАЗ-3306
Производство:
ПАО Автодизель (ЯМЗ)
Под заказ
96
p
В корзину
200319-П29
Болт М10х1.5х50 крышки заднего подшипника КПП ЗИЛ, подвески задней ГАЗ-3306
Производство:
АЗ Урал
Под заказ
24
p
В корзину
29
258052-П29
Шплинт 4х20
Кол-во
2
?
Узнать цену
258052-П29
Шплинт 4х20
Производство:
АЗ Урал
Под заказ
11
p
В корзину
30
260087-П52
Палец 12х35
Кол-во
2
?
Узнать цену
260087-П52
Палец D=12х35 педали сцепления и тормоза УРАЛ
Производство:
АЗ Урал
Под заказ
43
p
В корзину
31
4320Я3-1602196
Кронштейн
Кол-во
1
?
Узнать цену
4320Я3-1602196
Кронштейн УРАЛ ПГУ (11.1602410-10 6361ЯХ-1602410)
Производство:
АЗ Урал
Под заказ
2 900
p
В корзину
32
6363-1602180
Шланг
Кол-во
1
?
Оставить заявку
33
339982
Штуцер М14х1,5-М14х1,5
Кол-во
1
?
Узнать цену
339982
Штуцер М14х1,5-М14х1,5
Производство:
АЗ Урал
Под заказ
87
p
В корзину
34
63655-1602185
Трубка гидропривода выключения сцепления
Кол-во
1
?
Узнать цену
63655-1602185
Трубка УРАЛ гидропривода выключения сцепления
Производство:
АЗ Урал
Под заказ
1 874
p
В корзину
35
6363-1602182
Шланг
Кол-во
1
?
Оставить заявку
36
252161-П2
Шайба 20Л
Кол-во
3
?
Узнать цену
252161-П2
Шайба 20л
Производство:
ПАО Автодизель (ЯМЗ)
Под заказ
11
p
В корзину
37
250640-П29
Гайка М20х1,5-6Н
Кол-во
3
?
Узнать цену
250640-П29
Гайка М20х1.5х10 ЗИЛ оси колодок тормозных
Производство:
Россия
Под заказ
цена по запросу
В корзину
250640-П29
Гайка М20х1.5х10 ЗИЛ оси колодок тормозных
Производство:
АЗ Урал
Под заказ
52
p
В корзину
38
6361Х-1602183
Трубка привода сцепления
Кол-во
1
?
Узнать цену
6361Х-1602183
Трубка УРАЛ привода сцепления
Производство:
АЗ Урал
Под заказ
770
p
В корзину
39
250512-П29
Гайка М10
Кол-во
3
?
Узнать цену
250512-П29
Гайка М10х1.5х8 ГАЗ-2410, 3110, УРАЛ под ключ 17мм облиц.радиатора, топл.бака, ГЦС, РЦС
Производство:
ПАО Автодизель (ЯМЗ)
1 в наличии
66
p
В корзину
250512-П29
Гайка М10х1.5х8 ГАЗ-2410, 3110, УРАЛ под ключ 17мм облиц.радиатора, топл.бака, ГЦС, РЦС
Производство:
АЗ Урал
Под заказ
18
p
В корзину
40
6361-1602020
Кронштейн
Кол-во
1
?
Оставить заявку
41
4320-1602119
Пружина
Кол-во
2
?
Узнать цену
4320-1602119
Пружина УРАЛ педали сцепления (рычаг регулировки стояночного тормоза) (упаковка 20шт.)
Производство:
АЗ Урал
39 в наличии
128
p
В корзину
42
14-0283
Скоба оси
Кол-во
2
?
Узнать цену
14-0283
Скоба УРАЛ оси колодки тормозной (упаковка 50шт.)
Производство:
АЗ Урал
207 в наличии
31
p
В корзину
43
252021-П29
Шайба 24
Кол-во
2
?
Узнать цену
252021-П29
Шайба 22 ПГУ УРАЛ
Производство:
АЗ Урал
Под заказ
34
p
В корзину
44
1-943/25К
Подшипник
Кол-во
4
?
Оставить заявку
45
Н-203
Втулка
Кол-во
1
?
Оставить заявку
Получить консультацию
У нас большой опыт по подбору запчастей, и мы с радостью поможем вам найти нужную деталь, даже если вы не знаете ее артикул
Дмитрий Иванов
Директор отдела продаж
Мобильный номер:
8 (912) 474-74-74
E-mail:
td.uralval@mail.ru
Вы должны включить JavaScript чтобы использовать эту форму.
Ваше имя
Ваш телефон
Комментарий
Я соглашаюсь с
Политикой конфиденциальности
и даю согласие на обработку персональных данных.
Feed me
Отправить