Запчасти для грузовых автомобилей
8-800-555-32-41
Перезвоните мне
Отправить готовую заявку
0
Корзина
Поиск
КАТАЛОГ ПРОДУКЦИИ
Запчасти УРАЛ
Запчасти КамАЗ
Запчасти АМТ
Запчасти ЧТЗ
Запчасти погрузчиков Dalian
Запчасти ЯМЗ
Двигатели ЯМЗ в сборе
Запчасти Shaanxi Fast Gear
Лебедки
Спецпредложения
О компании
Доставка и оплата
Гарантии и сервис
Контакты
Графические каталоги запчастей
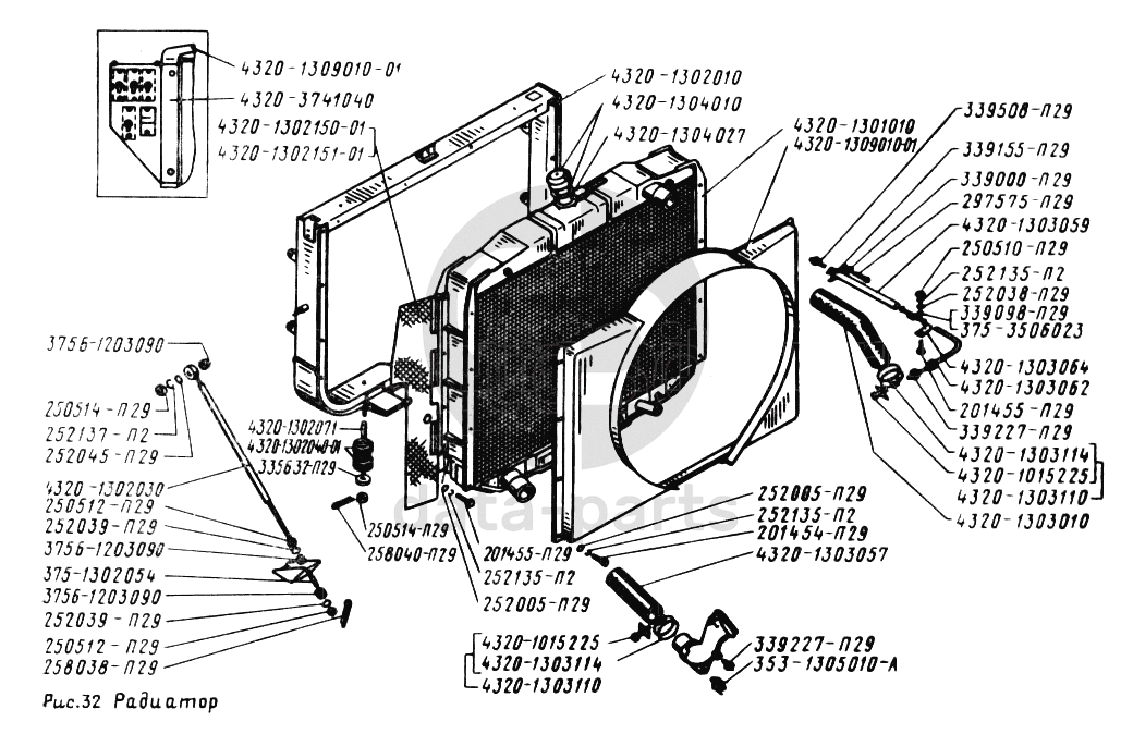
Радиатор УРАЛ-43202
Главная
/
Графические каталоги
/
УралАЗ
/
УРАЛ-43202
/
Радиатор
%
1
339115-П29
Угольник М14х1,5 К1/4"
Кол-во
0
?
Узнать цену
339115-П29
Угольник УРАЛ системы топливной М14х1.5-К 1/4"
Производство:
АЗ Урал
Под заказ
446
p
В корзину
2
4320-1303010
Шланг отводящий
Кол-во
0
?
Узнать цену
4320-1303010
Патрубок УРАЛ радиатора верхний (L=120х100мм d=60)
Производство:
АЗ Урал
Под заказ
цена по запросу
В корзину
3
4320-1303062
Труба компрессора отводящая в сборе
Кол-во
0
?
Узнать цену
4320-1303062
Трубка УРАЛ компрессора подводящая в сборе L=905мм d=14мм медь
Производство:
АЗ Урал
Под заказ
1 567
p
В корзину
4
4320-1302151-01
Козырек боковой левый
Кол-во
0
?
Оставить заявку
5
4320-1302150-01
Козырек боковой правый в сборе
Кол-во
0
?
Оставить заявку
6
4320-1309010-01
Кожух вентилятора в сборе
Кол-во
0
?
Оставить заявку
7
4320-1302030
Тяга крепления радиатора в сборе
Кол-во
0
?
Узнать цену
4320-1302030
Тяга УРАЛ крепления радиатора
Производство:
АЗ Урал
Под заказ
911
p
В корзину
8
339227-П29
Штуцер
Кол-во
0
?
Оставить заявку
9
258040-П29
Шплинт 3х25
Кол-во
0
?
Узнать цену
258040-П29
Шплинт 3.2х25
Производство:
ПАО Автодизель (ЯМЗ)
Под заказ
9
p
В корзину
258040-П29
Шплинт 3.2х25
Производство:
АЗ Урал
Под заказ
11
p
В корзину
10
4320-1015225
Стяжка хомута в сборе
Кол-во
0
?
Узнать цену
4320-1015225
Cтяжка хомута 4320-1015225
Производство:
АЗ Урал
Под заказ
цена по запросу
В корзину
11
4320-1303059
Шланг отводящей трубы компрессора
Кол-во
0
?
Оставить заявку
12
4320-3741040
Щиток приборов подогревателя в сборе
Кол-во
0
?
Узнать цену
4320-3741040
Щиток УРАЛ приборов ПЖД
Производство:
АЗ Урал
Под заказ
9 973
p
В корзину
13
339000-П29
Пряжка хомута
Кол-во
0
?
Узнать цену
339000-П29
Лента УРАЛ хомута шланга компрессора
Производство:
АЗ Урал
Под заказ
13
p
В корзину
14
297575-П29
Шплинт 6х22
Кол-во
0
?
Оставить заявку
15
252135-П2
Шайба 8 пружинная
Кол-во
0
?
Узнать цену
252135-П2
Шайба 8х2.5 ЯМЗ заглушки блока цилиндров
Производство:
ПАО Автодизель (ЯМЗ)
495 в наличии
3
p
В корзину
16
252039-П29
Шайба 10
Кол-во
0
?
Узнать цену
252039-П29
Шайба 10.0х28.0
Производство:
АЗ Урал
Под заказ
16
p
В корзину
17
4320-1301010
Радиатор в сборе
Кол-во
0
?
Оставить заявку
18
4320-1302010
Рамка подвески радиатора в сборе
Кол-во
0
?
Узнать цену
4320-1302010
Рамка подвески радиатора в сборе 4320-1302010
Производство:
АЗ Урал
Под заказ
цена по запросу
В корзину
19
4320-1303057
Рукав
Кол-во
0
?
Узнать цену
4320-1303057
Патрубок УРАЛ радиатора нижний (L=150мм d=60)
Производство:
АЗ Урал
Под заказ
559
p
В корзину
20
4320-1303110
Хомут в сборе
Кол-во
0
?
Оставить заявку
21
4320-1303114
Хомут
Кол-во
0
?
Узнать цену
4320-1303114
Хомут крепления патрубков радиатора (дв.КамАЗ) 4320-1303114
Производство:
АЗ Урал
Под заказ
цена по запросу
В корзину
22
4320-1304010
Пробка радиатора в сборе
Кол-во
0
?
Узнать цену
4320-1304010
Пробка радиатора УРАЛ
Производство:
АЗ Урал
Под заказ
цена по запросу
В корзину
23
339098-П29
Хомут крепления шланга
Кол-во
0
?
Узнать цену
339098-П29
Хомут УРАЛ трубки отопителя
Производство:
АЗ Урал
Под заказ
20
p
В корзину
24
252137-П2
Шайба 12 пружинная
Кол-во
0
?
Узнать цену
252137-П2
Шайба 12 пружинная 12,2х20,5х4,0
Производство:
ПАО Автодизель (ЯМЗ)
276 в наличии
15
p
В корзину
25
375-3506023
Прокладка хомута
Кол-во
0
?
Узнать цену
375-3506023
Прокладка УРАЛ тормозной системы
Производство:
АЗ Урал
Под заказ
цена по запросу
В корзину
26
375Б-1203090
Амортизатор подвески глушителя
Кол-во
0
?
Оставить заявку
27
375-1302054
Трубка распорная подвески радиатора
Кол-во
0
?
Узнать цену
375-1302054
Трубка УРАЛ крепления радиатора распорная
Производство:
АЗ Урал
Под заказ
84
p
В корзину
28
335632-П29
Шайба 12
Кол-во
0
?
Узнать цену
335632-П29
Шайба 12.0 рамки радиатора УРАЛ
Производство:
АЗ Урал
Под заказ
37
p
В корзину
29
4320-1302040-01
Подушка подвески радиатора
Кол-во
0
?
Узнать цену
4320-1302040-01
Подушка подвески радиатора и воздушного фильтра
Производство:
Россия
Под заказ
цена по запросу
В корзину
4320-1302040-01
Подушка подвески радиатора
Производство:
АЗ Урал
Под заказ
цена по запросу
В корзину
30
4320-1302071
Втулка распорная
Кол-во
0
?
Узнать цену
4320-1302071
Втулка УРАЛ подушки радиатора распорная
Производство:
АЗ Урал
28 в наличии
83
p
В корзину
31
339508-П29
Штуцер водоотводной
Кол-во
0
?
Узнать цену
339508-П29
Штуцер К 3/8" системы охлаждения УРАЛ
Производство:
АЗ Урал
Под заказ
97
p
В корзину
32
250512-П29
Гайка М10
Кол-во
0
?
Узнать цену
250512-П29
Гайка М10х1.5х8 ГАЗ-2410, 3110, УРАЛ под ключ 17мм облиц.радиатора, топл.бака, ГЦС, РЦС
Производство:
ПАО Автодизель (ЯМЗ)
1 в наличии
66
p
В корзину
250512-П29
Гайка М10х1.5х8 ГАЗ-2410, 3110, УРАЛ под ключ 17мм облиц.радиатора, топл.бака, ГЦС, РЦС
Производство:
АЗ Урал
Под заказ
18
p
В корзину
33
250514-П29
Гайка М12-6Н
Кол-во
0
?
Узнать цену
250514-П29
Гайка М12х1.75х10 S=19 крепления баков топливных ПГУ Н/О ЗИЛ
Производство:
АЗ Урал
Под заказ
23
p
В корзину
250514-П29
Гайка М12х1.75х10 S=19 крепления баков топливных ПГУ Н/О ЗИЛ
Производство:
ПАО Автодизель (ЯМЗ)
Под заказ
20
p
В корзину
34
4320-1304027
Кольцо уплотнительное
Кол-во
0
?
Оставить заявку
35
4320-1303064
Пластина
Кол-во
0
?
Узнать цену
4320-1303064
Пластина УРАЛ шланга отводящего
Производство:
АЗ Урал
Под заказ
48
p
В корзину
36
252038-П29
Шайба 8,5
Кол-во
0
?
Узнать цену
252038-П29
Шайба 8 УРАЛ
Производство:
ПАО Автодизель (ЯМЗ)
Под заказ
17
p
В корзину
252038-П29
Шайба 8 УРАЛ
Производство:
АЗ Урал
Под заказ
11
p
В корзину
37
252045-П29
Шайба 12
Кол-во
0
?
Узнать цену
252045-П29
Шайба 12 облицовки радиатора УРАЛ
Производство:
АЗ Урал
Под заказ
12
p
В корзину
38
250510-П29
Гайка М8-6Н
Кол-во
0
?
Узнать цену
250510-П29
Гайка М8х1.25х14 ЗИЛ многоцелевая
Производство:
АЗ Урал
Под заказ
7
p
В корзину
250510-П29
Гайка М8х1.25х14 ЗИЛ многоцелевая
Производство:
ПАО Автодизель (ЯМЗ)
Под заказ
7
p
В корзину
39
252005-П29
Шайба 8
Кол-во
0
?
Узнать цену
252005-П29
Шайба ЯМЗ-534 компрессора 8.01.016
Производство:
ПАО Автодизель (ЯМЗ)
106 в наличии
9
p
В корзину
252005-П29
Шайба ЯМЗ-534 компрессора 8.01.016
Производство:
АЗ Урал
Под заказ
13
p
В корзину
40
353-1305010-А
Кран сливной в сборе
Кол-во
0
?
Узнать цену
353-1305010-А
Кран УРАЛ сливной системы охлаждения, предпуск.подогрева
Производство:
Россия
Под заказ
цена по запросу
В корзину
41
201454-П29
Болт М8-6gх16
Кол-во
0
?
Узнать цену
201454-П29
Болт М8х1.25х16 крепления крышки штанги реактивной УРАЛ
Производство:
ПАО Автодизель (ЯМЗ)
35 в наличии
13
p
В корзину
201454-П29
Болт М8х1.25х16 крепления крышки штанги реактивной УРАЛ
Производство:
АЗ Урал
Под заказ
19
p
В корзину
42
258038-П29
Шплинт 3,2х16
Кол-во
0
?
Узнать цену
258038-П29
Шплинт 3.2х16
Производство:
АЗ Урал
Под заказ
9
p
В корзину
43
201455-П29
Болт М8-6gх18
Кол-во
0
?
Узнать цену
201455-П29
Болт М8х1.25х18 ГАЗ УАЗ дв.ЗМЗ многоцелевой
Производство:
АЗ Урал
Под заказ
8
p
В корзину
Получить консультацию
У нас большой опыт по подбору запчастей, и мы с радостью поможем вам найти нужную деталь, даже если вы не знаете ее артикул
Дмитрий Иванов
Директор отдела продаж
Мобильный номер:
8 (912) 474-74-74
E-mail:
td.uralval@mail.ru
Вы должны включить JavaScript чтобы использовать эту форму.
Ваше имя
Ваш телефон
Комментарий
Я соглашаюсь с
Политикой конфиденциальности
и даю согласие на обработку персональных данных.
Feed me
Отправить