Запчасти для грузовых автомобилей
8-800-555-32-41
Перезвоните мне
Отправить готовую заявку
0
Корзина
Поиск
КАТАЛОГ ПРОДУКЦИИ
Запчасти УРАЛ
Запчасти КамАЗ
Запчасти АМТ
Запчасти ЧТЗ
Запчасти погрузчиков Dalian
Запчасти ЯМЗ
Двигатели ЯМЗ в сборе
Запчасти Shaanxi Fast Gear
Лебедки
Спецпредложения
О компании
Доставка и оплата
Гарантии и сервис
Контакты
Графические каталоги запчастей
Система пускового подогрева УРАЛ-4320
Главная
/
Графические каталоги
/
УралАЗ
/
УРАЛ-4320
/
Система пускового подогрева
%
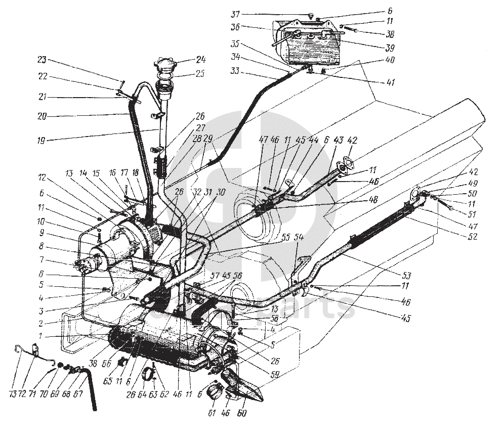
1
4320-1015128
Шланг электровентилятора
Кол-во
1
?
Узнать цену
4320-1015128
Шланг УРАЛ воздуховода соединительный
Производство:
АЗ Урал
Под заказ
цена по запросу
В корзину
2
4В20-1015654
Трубка подачи топлива от насоса к горелке котла в сборе
Кол-во
1
?
Оставить заявку
3
201499-П29
Болт М10-6gх30
Кол-во
2
?
Узнать цену
201499-П29
Болт М10х1.5х30 привода распределителя, крышки картера сцепления ЗИЛ, привода насоса масляного ГАЗ-3110
Производство:
ПАО Автодизель (ЯМЗ)
66 в наличии
58
p
В корзину
201499-П29
Болт М10х1.5х30 привода распределителя, крышки картера сцепления ЗИЛ, привода насоса масляного ГАЗ-3110
Производство:
АЗ Урал
Под заказ
24
p
В корзину
4
252136-П9
Шайба пружинная 10
Кол-во
0
?
Оставить заявку
5
250512-П29
Гайка М10
Кол-во
0
?
Узнать цену
250512-П29
Гайка М10х1.5х8 ГАЗ-2410, 3110, УРАЛ под ключ 17мм облиц.радиатора, топл.бака, ГЦС, РЦС
Производство:
ПАО Автодизель (ЯМЗ)
1 в наличии
66
p
В корзину
250512-П29
Гайка М10х1.5х8 ГАЗ-2410, 3110, УРАЛ под ключ 17мм облиц.радиатора, топл.бака, ГЦС, РЦС
Производство:
АЗ Урал
Под заказ
18
p
В корзину
6
250510-П29
Гайка М8-6Н
Кол-во
1
?
Узнать цену
250510-П29
Гайка М8х1.25х14 ЗИЛ многоцелевая
Производство:
АЗ Урал
Под заказ
7
p
В корзину
250510-П29
Гайка М8х1.25х14 ЗИЛ многоцелевая
Производство:
ПАО Автодизель (ЯМЗ)
Под заказ
7
p
В корзину
7
4320-1015506-01
Кронштейн в сборе
Кол-во
1
?
Оставить заявку
8
4320-1015604
Патрубок в сборе
Кол-во
1
?
Узнать цену
4320-1015604
Патрубок УРАЛ ПЖД
Производство:
АЗ Урал
Под заказ
915
p
В корзину
9
ПЖД30-1015200-02
Агрегат насосный в сборе
Кол-во
1
?
Оставить заявку
10
201460-П29
Болт М8-6gх30
Кол-во
2
?
Узнать цену
201460-П29
Болт М8х1.25х30 крышки фильтра тонкой очистки топлива ЗИЛ-5301
Производство:
ПАО Автодизель (ЯМЗ)
10 в наличии
7
p
В корзину
201460-П29
Болт М8х1.25х30 крышки фильтра тонкой очистки топлива ЗИЛ-5301
Производство:
АЗ Урал
Под заказ
23
p
В корзину
11
252135-П9
Шайба пружинная 8
Кол-во
2
?
Оставить заявку
12
4320-1015525
Скоба кронштейна
Кол-во
1
?
Узнать цену
4320-1015525
Скоба УРАЛ кронштейна насосного ПЖД30
Производство:
АЗ Урал
Под заказ
263
p
В корзину
13
201502-П29
Болт М10х38
Кол-во
1
?
Узнать цену
201502-П29
Болт М10х38 крепления рычага регулировочного УРАЛ
Производство:
АЗ Урал
Под заказ
24
p
В корзину
14
4320-1015533
Скоба кронштейна
Кол-во
2
?
Узнать цену
4320-1015533
Скоба УРАЛ кронштейна насосного ПЖД30
Производство:
АЗ Урал
Под заказ
278
p
В корзину
15
375-3506023
Прокладка хомута
Кол-во
2
?
Узнать цену
375-3506023
Прокладка УРАЛ тормозной системы
Производство:
АЗ Урал
Под заказ
цена по запросу
В корзину
16
4320-1015649
Хомут
Кол-во
2
?
Узнать цену
4320-1015649
Хомут УРАЛ трубки топливной ПЖД30
Производство:
АЗ Урал
Под заказ
33
p
В корзину
17
339390.П29
Лента стяжная
Кол-во
1
?
Оставить заявку
18
4320-1015720
Переходник
Кол-во
1
?
Оставить заявку
19
4320-1015590
Труба наливная котла верхняя в сборе
Кол-во
1
?
Узнать цену
4320-1015590
Труба УРАЛ ПЖД верхняя наливная
Производство:
АЗ Урал
Под заказ
2 734
p
В корзину
20
4320-1015530
Шланг перепускной со втулкой в сборе
Кол-во
1
?
Узнать цену
4320-1015530
Шланг перепускной (Д-12,L-600) с втулкой,системы предпускового подогрева 4320-1015530
Производство:
АЗ Урал
Под заказ
цена по запросу
В корзину
21
339491-П29
Лента стяжная
Кол-во
1
?
Узнать цену
339491-П29
Лента УРАЛ трубок подкачки колес 10х200х0.6
Производство:
АЗ Урал
Под заказ
24
p
В корзину
22
339000-П29
Пряжка хомута
Кол-во
2
?
Узнать цену
339000-П29
Лента УРАЛ хомута шланга компрессора
Производство:
АЗ Урал
Под заказ
13
p
В корзину
23
297575-П29
Шплинт 6х22
Кол-во
2
?
Оставить заявку
24
375-1015162-10
Пробка топливного бака
Кол-во
1
?
Оставить заявку
25
375-1103026-12
Прокладка
Кол-во
1
?
Оставить заявку
26
4320-1015215
Хомут в сборе
Кол-во
4
?
Оставить заявку
27
4320-1015546
Шланг соединительный
Кол-во
1
?
Оставить заявку
28
4320-1015575
Труба наливная нижняя
Кол-во
1
?
Узнать цену
4320-1015575
Труба УРАЛ ПЖД подводящая нижняя
Производство:
АЗ Урал
Под заказ
3 231
p
В корзину
29
4320-1015646
Трубка подачи топлива к насосу
Кол-во
1
?
Узнать цену
4320-1015646
Трубка топливная УРАЛ к насосу ПЖД медь
Производство:
АЗ Урал
Под заказ
599
p
В корзину
30
4320-1015546
Шланг соединительный
Кол-во
0
?
Оставить заявку
31
4320-1015569
Хомут
Кол-во
1
?
Узнать цену
4320-1015569
Хомут УРАЛ крепления воздухопровода
Производство:
АЗ Урал
15 в наличии
133
p
В корзину
32
201458-П29
Болт М8-6gх25
Кол-во
1
?
Узнать цену
201458-П29
Болт М8х1.25х25 многоцелевой (упаковка 50шт.)
Производство:
ПАО Автодизель (ЯМЗ)
90 в наличии
15
p
В корзину
201458-П29
Болт М8х1.25х25 многоцелевой (упаковка 50шт.)
Производство:
АЗ Урал
Под заказ
10
p
В корзину
33
375К-1104161
Шланг топливопроводный
Кол-во
1
?
Оставить заявку
34
375-1104181
Проволока обвязочная
Кол-во
2
?
Оставить заявку
35
375К-1104088
Трубка в сборе
Кол-во
1
?
Оставить заявку
36
339039
Угольник М16х1,5 К3/8"
Кол-во
2
?
Узнать цену
339039
Угольник К3/8 М16*1,5 (широкого применения)
Производство:
Россия
Под заказ
цена по запросу
В корзину
37
262543-П29
Пробка РК3/8"
Кол-во
1
?
Узнать цену
262543-П29
Пробка УРАЛ бака топливного КГ 3/8"
Производство:
АЗ Урал
Под заказ
33
p
В корзину
38
201454-П29
Болт М8-6gх16
Кол-во
5
?
Узнать цену
201454-П29
Болт М8х1.25х16 крепления крышки штанги реактивной УРАЛ
Производство:
ПАО Автодизель (ЯМЗ)
35 в наличии
13
p
В корзину
201454-П29
Болт М8х1.25х16 крепления крышки штанги реактивной УРАЛ
Производство:
АЗ Урал
Под заказ
19
p
В корзину
39
4320-1015300
Бачок топливный в сборе
Кол-во
1
?
Узнать цену
4320-1015300
Бачок топливный ПЖД-30 4320-1015300
Производство:
АЗ Урал
Под заказ
цена по запросу
В корзину
40
262542-П29
Пробка контрольная К1/4"
Кол-во
1
?
Оставить заявку
41
375К-1104024
Кран с трубкой в сборе
Кол-во
1
?
Оставить заявку
42
4320-1515555
Прокладка
Кол-во
1
?
Оставить заявку
42
4320-1015555
Прокладка
Кол-во
1
?
Оставить заявку
43
4320-1015552
Патрубок отводящий правый в сборе
Кол-во
2
?
Узнать цену
4320-1015552
Патрубок 4320-1015552
Производство:
АЗ Урал
Под заказ
цена по запросу
В корзину
44
4320-1015253
Кронштейн отводящего патрубка
Кол-во
1
?
Оставить заявку
45
4320-1015562
Скоба
Кол-во
2
?
Узнать цену
4320-1015562
Скоба УРАЛ кронштейна трубы
Производство:
АЗ Урал
Под заказ
60
p
В корзину
46
201456-П29
Болт М8-6gх20
Кол-во
2
?
Узнать цену
201456-П29
Болт М8х1.25х20 ЗИЛ масляного картера, ГАЗ-2410 системы выхлопа механизма рулевого
Производство:
ПАО Автодизель (ЯМЗ)
342 в наличии
13
p
В корзину
201456-П29
Болт М8х1.25х20 ЗИЛ масляного картера, ГАЗ-2410 системы выхлопа механизма рулевого
Производство:
АЗ Урал
Под заказ
21
p
В корзину
47
4320-1015217
Хомут в сборе
Кол-во
1
?
Узнать цену
4320-1015217
Хомут в сборе 4320-1015217
Производство:
АЗ Урал
Под заказ
цена по запросу
В корзину
48
4320-1015548
Рукав
Кол-во
1
?
Узнать цену
4320-1015548
Шланг УРАЛ котла подогрева соединительный L=340мм дв.КАМАЗ
Производство:
АЗ Урал
Под заказ
539
p
В корзину
49
4320-1015559
Патрубок отводящий левый
Кол-во
4
?
Узнать цену
4320-1015559
Патрубок отводящий левый
Производство:
Россия
Под заказ
цена по запросу
В корзину
50
252005-П29
Шайба 8
Кол-во
2
?
Узнать цену
252005-П29
Шайба ЯМЗ-534 компрессора 8.01.016
Производство:
ПАО Автодизель (ЯМЗ)
106 в наличии
9
p
В корзину
252005-П29
Шайба ЯМЗ-534 компрессора 8.01.016
Производство:
АЗ Урал
Под заказ
13
p
В корзину
51
200265-П29
Болт М8-6gх40
Кол-во
2
?
Узнать цену
200265-П29
Болт М8х1.5х40 крепление облицовки УРАЛ (упаковка 50шт.)
Производство:
АЗ Урал
Под заказ
20
p
В корзину
52
4320-1015551
Шланг соединительный
Кол-во
2
?
Узнать цену
4320-1015551
Шланг УРАЛ котла подогрева соединительный L=90мм дв.КАМАЗ
Производство:
АЗ Урал
Под заказ
186
p
В корзину
53
4320-1015076
Труба отводящая в сборе
Кол-во
1
?
Узнать цену
4320-1015076
Трубка УРАЛ отводящая ПЖД
Производство:
АЗ Урал
Под заказ
8 198
p
В корзину
54
4320-1015538
Кронштейн боковой левый в сборе
Кол-во
1
?
Оставить заявку
55
4320-1015078
Труба котла подводящая
Кол-во
1
?
Узнать цену
4320-1015078
Трубка УРАЛ подводящая ПЖД
Производство:
АЗ Урал
Под заказ
2 486
p
В корзину
56
4320-1015573
Шланг соединительный угловой
Кол-во
1
?
Узнать цену
4320-1015573
Патрубок соединения котла подогревателя
Производство:
Россия
Под заказ
цена по запросу
В корзину
57
4320-1015534
Кронштейн передний в сборе
Кол-во
1
?
Оставить заявку
58
4320-1015508
Скоба кронштейна
Кол-во
2
?
Оставить заявку
59
ПЖД30-1015010-01
Котел подогревателя в сборе
Кол-во
1
?
Узнать цену
ПЖД30-1015010-01
Котел подогревателя КАМАЗ, УРАЛ ПЖД 30
Производство:
АЗ Урал
Под заказ
цена по запросу
В корзину
60
4320-1015632
Патрубок газонаправляющий в сборе
Кол-во
1
?
Узнать цену
4320-1015632
Патрубок УРАЛ газонаправляющий ПЖД30 дв.ЯМЗ-236М2 236НЕ2
Производство:
АЗ Урал
15 в наличии
712
p
В корзину
61
4320-1015609
Хомут
Кол-во
1
?
Узнать цену
4320-1015609
Хомут УРАЛ крепления патрубка газонаправляющего
Производство:
АЗ Урал
Под заказ
182
p
В корзину
62
220086-П29
Винт М5-6gх30
Кол-во
3
?
Узнать цену
220086-П29
Винт М5Х30-6Е УРАЛ
Производство:
ПАО Автодизель (ЯМЗ)
Под заказ
3
p
В корзину
63
251084-П29
Гайка М5
Кол-во
3
?
Оставить заявку
64
288014-П29
Хомут 48
Кол-во
3
?
Оставить заявку
65
353-1305010-А
Кран сливной в сборе
Кол-во
2
?
Узнать цену
353-1305010-А
Кран УРАЛ сливной системы охлаждения, предпуск.подогрева
Производство:
Россия
Под заказ
цена по запросу
В корзину
66
4320-1015139
Кронштейн
Кол-во
1
?
Узнать цену
4320-1015139
Кронштейн УРАЛ воздухопровода
Производство:
АЗ Урал
Под заказ
97
p
В корзину
67
4320-1015093
Шланг сливной
Кол-во
1
?
Узнать цену
4320-1015093
Шланг УРАЛ воздуховода соединительный
Производство:
АЗ Урал
Под заказ
263
p
В корзину
68
375-1104181
Проволока обвязочная
Кол-во
0
?
Оставить заявку
69
375-1305010
Кран сливной в сборе
Кол-во
1
?
Узнать цену
375-1305010
Краник сливной 375-1305010
Производство:
АЗ Урал
Под заказ
цена по запросу
В корзину
70
375-1305065
Вилка
Кол-во
1
?
Узнать цену
375-1305065
Вилка УРАЛ крана сливного
Производство:
АЗ Урал
Под заказ
126
p
В корзину
71
258053-П29
Шплинт 4х25
Кол-во
1
?
Узнать цену
258053-П29
Шплинт 4*25 УРАЛ
Производство:
АЗ Урал
Под заказ
13
p
В корзину
72
4320-1015084
Кронштейн ручки управления
Кол-во
1
?
Оставить заявку
73
4320-1015083
Ручка управления краном
Кол-во
1
?
Оставить заявку
Получить консультацию
У нас большой опыт по подбору запчастей, и мы с радостью поможем вам найти нужную деталь, даже если вы не знаете ее артикул
Дмитрий Иванов
Директор отдела продаж
Мобильный номер:
8 (912) 474-74-74
E-mail:
td.uralval@mail.ru
Вы должны включить JavaScript чтобы использовать эту форму.
Ваше имя
Ваш телефон
Комментарий
Я соглашаюсь с
Политикой конфиденциальности
и даю согласие на обработку персональных данных.
Feed me
Отправить