Запчасти для грузовых автомобилей
8-800-555-32-41
Перезвоните мне
Отправить готовую заявку
0
Корзина
Поиск
КАТАЛОГ ПРОДУКЦИИ
Запчасти УРАЛ
Запчасти КамАЗ
Запчасти АМТ
Запчасти ЧТЗ
Запчасти погрузчиков Dalian
Запчасти ЯМЗ
Двигатели ЯМЗ в сборе
Запчасти Shaanxi Fast Gear
Лебедки
Спецпредложения
О компании
Доставка и оплата
Гарантии и сервис
Контакты
Графические каталоги запчастей
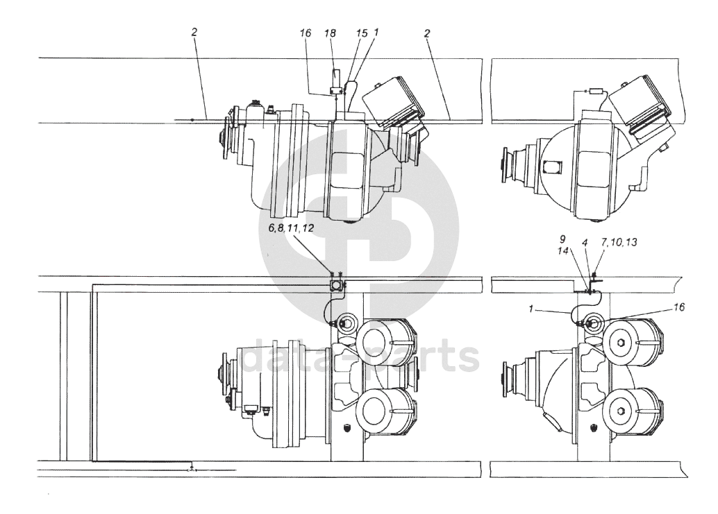
Привод блокировки межколесных дифференциалов КамАЗ-6522
Главная
/
Графические каталоги
/
КамАЗ
/
КамАЗ-6522
/
Привод блокировки межколесных дифференциалов
1
1
2
2
4
6
7
8
9
10
11
12
13
14
15
16
16
18
%
1
4326-2411082
Шланг гибкий
Кол-во
2
?
Узнать цену
4326-2411082
шланг гибкий
Производство:
ПАО КАМАЗ
Под заказ
854
p
В корзину
2
53205-3570172
Трубка подвода воздуха в сборе
Кол-во
2
?
Узнать цену
53205-3570172
трубка
Производство:
ПАО КАМАЗ
Под заказ
843
p
В корзину
4
5320-2511035
Кронштейн крепления штуцера
Кол-во
1
?
Оставить заявку
6
1/60446/21
Болт М8-6gх70
Кол-во
2
?
Оставить заявку
7
1/59709/21
Болт М10х1,25-6gх35
Кол-во
1
?
Оставить заявку
8
1/61008/11
Гайка М8х1,25-6Н
Кол-во
2
?
Оставить заявку
9
1/16913/11
Гайка М10х1-6Н низкая
Кол-во
1
?
Оставить заявку
10
1/21647/11
Гайка М10х1,25-6Н
Кол-во
1
?
Оставить заявку
11
1/05196/01
Шайба плоская 8х17
Кол-во
2
?
Узнать цену
1/05196/01
Шайба 8*17 1/05196
Производство:
АО ЯЗДА
Под заказ
18
p
В корзину
12
1/05166/77
Шайба 8 пружинная
Кол-во
2
?
Узнать цену
1/05166/77
Шайба
Производство:
АО ЯЗДА
Под заказ
38
p
В корзину
13
1/05168/77
Шайба 10 пружинная
Кол-во
1
?
Узнать цену
1/05168/77
Шайба
Производство:
АО ЯЗДА
Под заказ
13
p
В корзину
14
853963
Штуцер фланцевый проходной
Кол-во
1
?
Узнать цену
853963
Штуцер КАМАЗ проходной механизма блокировки МОД
Производство:
ПАО КАМАЗ
24 в наличии
84
p
В корзину
15
864869
Тройник 6 ввертный
Кол-во
1
?
Узнать цену
864869
Тройник КАМАЗ М10х1.0-К1/8
Производство:
ПАО КАМАЗ
Под заказ
214
p
В корзину
16
864870
Штуцер ввертный
Кол-во
3
?
Оставить заявку
18
4 151 579 201
Клапан электромагнитный КЭБ-420 ТУ 1-554-0036-93
Кол-во
1
?
Оставить заявку
Получить консультацию
У нас большой опыт по подбору запчастей, и мы с радостью поможем вам найти нужную деталь, даже если вы не знаете ее артикул
Дмитрий Иванов
Директор отдела продаж
Мобильный номер:
8 (912) 474-74-74
E-mail:
td.uralval@mail.ru
Вы должны включить JavaScript чтобы использовать эту форму.
Ваше имя
Ваш телефон
Комментарий
Я соглашаюсь с
Политикой конфиденциальности
и даю согласие на обработку персональных данных.
Feed me
Отправить