Запчасти для грузовых автомобилей
8-800-555-32-41
Перезвоните мне
Отправить готовую заявку
0
Корзина
Поиск
КАТАЛОГ ПРОДУКЦИИ
Запчасти УРАЛ
Запчасти КамАЗ
Запчасти АМТ
Запчасти ЧТЗ
Запчасти погрузчиков Dalian
Запчасти ЯМЗ
Двигатели ЯМЗ в сборе
Запчасти Shaanxi Fast Gear
Лебедки
Спецпредложения
О компании
Доставка и оплата
Гарантии и сервис
Контакты
Графические каталоги запчастей
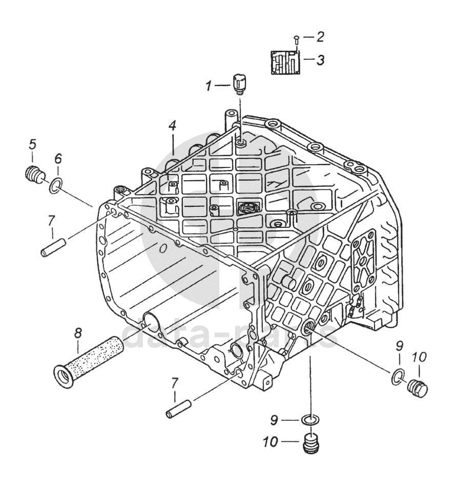
Картер коробки передач с пробками КамАЗ-6522
Главная
/
Графические каталоги
/
КамАЗ
/
КамАЗ-6522
/
Картер коробки передач с пробками
1
2
3
4
5
6
7
7
8
9
9
10
10
%
1
0501 202 797
Сапун
Кол-во
1
?
Оставить заявку
2
0731 101 047
Глухая заклепка
Кол-во
4
?
Оставить заявку
3
0730 365 147
Сводная табличка
Кол-во
1
?
Оставить заявку
4
1315 201 179
Картер
Кол-во
1
?
Оставить заявку
5
0636 304 049
Пробка с резьбой
Кол-во
1
?
Оставить заявку
6
0730 008 637
Уплотнительное кольцо
Кол-во
1
?
Оставить заявку
7
0731 201 563
Штифт цилиндрический
Кол-во
2
?
Оставить заявку
8
0501 317 403
Фильтр
Кол-во
1
?
Оставить заявку
9
0730 008 637
Уплотнительное кольцо
Кол-во
0
?
Оставить заявку
10
0636 304 049
Пробка с резьбой
Кол-во
0
?
Оставить заявку
11
0730 008 637
Уплотнительное кольцо
Кол-во
0
?
Оставить заявку
12
0636 304 049
Пробка с резьбой
Кол-во
0
?
Оставить заявку
Получить консультацию
У нас большой опыт по подбору запчастей, и мы с радостью поможем вам найти нужную деталь, даже если вы не знаете ее артикул
Дмитрий Иванов
Директор отдела продаж
Мобильный номер:
8 (912) 474-74-74
E-mail:
td.uralval@mail.ru
Вы должны включить JavaScript чтобы использовать эту форму.
Ваше имя
Ваш телефон
Комментарий
Я соглашаюсь с
Политикой конфиденциальности
и даю согласие на обработку персональных данных.
Feed me
Отправить