Запчасти для грузовых автомобилей
8-800-555-32-41
Перезвоните мне
Отправить готовую заявку
0
Корзина
Поиск
КАТАЛОГ ПРОДУКЦИИ
Запчасти УРАЛ
Запчасти КамАЗ
Запчасти АМТ
Запчасти ЧТЗ
Запчасти погрузчиков Dalian
Запчасти ЯМЗ
Двигатели ЯМЗ в сборе
Запчасти Shaanxi Fast Gear
Лебедки
Спецпредложения
О компании
Доставка и оплата
Гарантии и сервис
Контакты
Графические каталоги запчастей
Теплообменник масляный КамАЗ-6520
Главная
/
Графические каталоги
/
КамАЗ
/
КамАЗ-6520
/
Теплообменник масляный
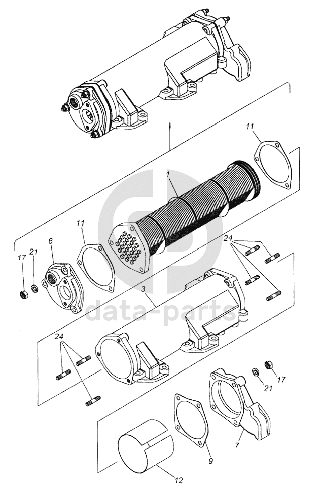
1
3
6
7
9
11
11
12
17
17
21
21
24
24
%
1
740.20-1013210
Сердцевина в сборе
Кол-во
1
?
Оставить заявку
3
7406.1013215
Корпус теплообменника
Кол-во
1
?
Оставить заявку
6
740.11-1013244
Коллектор подводящий
Кол-во
1
?
Оставить заявку
7
7406.1013246
Коллектор отводящий
Кол-во
1
?
Оставить заявку
9
7406.1013253
Прокладка отводящего коллектора
Кол-во
1
?
Оставить заявку
11
7405.1013255
Прокладка
Кол-во
2
?
Оставить заявку
12
7406.1013258
Дефлектор
Кол-во
1
?
Оставить заявку
17
1/61008/11
Гайка М8х1,25-6Н
Кол-во
7
?
Оставить заявку
21
1/11980/73
Шайба пружинная коническая 8х15
Кол-во
7
?
Оставить заявку
24
1/24300/21
Шпилька М8х1,25х20х40
Кол-во
7
?
Оставить заявку
Получить консультацию
У нас большой опыт по подбору запчастей, и мы с радостью поможем вам найти нужную деталь, даже если вы не знаете ее артикул
Дмитрий Иванов
Директор отдела продаж
Мобильный номер:
8 (912) 474-74-74
E-mail:
td.uralval@mail.ru
Вы должны включить JavaScript чтобы использовать эту форму.
Ваше имя
Ваш телефон
Комментарий
Я соглашаюсь с
Политикой конфиденциальности
и даю согласие на обработку персональных данных.
Feed me
Отправить