Запчасти для грузовых автомобилей
8-800-555-32-41
Перезвоните мне
Отправить готовую заявку
0
Корзина
Поиск
КАТАЛОГ ПРОДУКЦИИ
Запчасти УРАЛ
Запчасти КамАЗ
Запчасти АМТ
Запчасти ЧТЗ
Запчасти погрузчиков Dalian
Запчасти ЯМЗ
Двигатели ЯМЗ в сборе
Запчасти Shaanxi Fast Gear
Лебедки
Спецпредложения
О компании
Доставка и оплата
Гарантии и сервис
Контакты
Графические каталоги запчастей
Установка системы впуска КамАЗ-65116
Главная
/
Графические каталоги
/
КамАЗ
/
КамАЗ-65116
/
Установка системы впуска
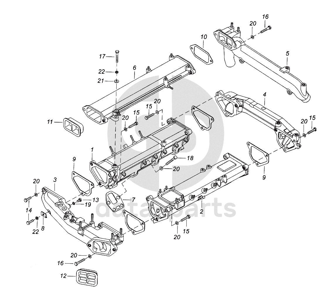
1
2
3
4
5
6
7
8
9
9
10
11
12
13
14
15
15
15
15
16
16
17
18
19
20
20
20
20
20
20
20
20
21
22
22
%
1
7406.1115012-40
Коллектор впускной правый
Кол-во
1
?
Узнать цену
7406.1115012-40
Коллектор КАМАЗ-ЕВРО впускной правый в сборе
Производство:
ПАО КАМАЗ
Под заказ
18 402
p
В корзину
2
7406.1115014-40
Коллектор впускной левый
Кол-во
1
?
Узнать цену
7406.1115014-40
Коллектор КАМАЗ-ЕВРО впускной левый в сборе
Производство:
ПАО КАМАЗ
Под заказ
18 018
p
В корзину
3
7406.1115030-20
Патрубок соединительный
Кол-во
1
?
Узнать цену
7406.1115030-20
Патрубок КАМАЗ-ЕВРО-3 соединительный впускных коллекторов в сборе
Производство:
ПАО КАМАЗ
Под заказ
12 709
p
В корзину
4
7406.1115045-40
Патрубок объединительный
Кол-во
1
?
Узнать цену
7406.1115045-40
Патрубок КАМАЗ соединительный
Производство:
ПАО КАМАЗ
Под заказ
13 884
p
В корзину
5
7406.1115110-20
Тройник
Кол-во
1
?
Узнать цену
7406.1115110-20
Тройник КАМАЗ-ЕВРО-3 коллектора выпускного правый
Производство:
ПАО КАМАЗ
Под заказ
17 376
p
В корзину
6
7406.1115122-10
Труба подводящая
Кол-во
1
?
Узнать цену
7406.1115122-10
Труба КАМАЗ-ЕВРО-2 3 ТКР подводящая
Производство:
ПАО КАМАЗ
Под заказ
11 512
p
В корзину
7
740.1115026-01
Прокладка впускного коллектора
Кол-во
8
?
Оставить заявку
8
740.1115038
Шайба опорная
Кол-во
1
?
Узнать цену
740.1115038
Шайба опорная
Производство:
ПАО КАМАЗ
Под заказ
17
p
В корзину
9
7406.1115050-10
Прокладка патрубка объединительного
Кол-во
4
?
Оставить заявку
10
7406.1115115
Прокладка трубы подводящей
Кол-во
1
?
Оставить заявку
11
740.21-1115117
Заглушка трубы подводящей
Кол-во
1
?
Оставить заявку
12
740.21-1115119
Заглушка патрубка соединительного
Кол-во
1
?
Оставить заявку
13
1/59703/21
Болт М10х1,25-6gх16
Кол-во
1
?
Оставить заявку
14
1/59709/21
Болт М10х1,25-6gх35
Кол-во
2
?
Оставить заявку
15
1/13438/21
Болт М10х1,25-6gх50
Кол-во
9
?
Оставить заявку
16
1/12880/21
Болт М10х1,25-6gх60
Кол-во
5
?
Оставить заявку
17
1/13437/21
Болт М10х1,25-6gх65
Кол-во
1
?
Оставить заявку
18
1/59718/21
Болт М10х1,25-6gх100
Кол-во
16
?
Оставить заявку
19
1/02844/60
Прокладка уплотнительная 10х16х1,5
Кол-во
1
?
Оставить заявку
20
1/26014/73
Шайба 10 волнистая
Кол-во
31
?
Оставить заявку
21
1/26468/01
Шайба плоская 10,2х25х2
Кол-во
1
?
Оставить заявку
22
1/05168/73
Шайба 10 пружинная
Кол-во
2
?
Оставить заявку
Получить консультацию
У нас большой опыт по подбору запчастей, и мы с радостью поможем вам найти нужную деталь, даже если вы не знаете ее артикул
Дмитрий Иванов
Директор отдела продаж
Мобильный номер:
8 (912) 474-74-74
E-mail:
td.uralval@mail.ru
Вы должны включить JavaScript чтобы использовать эту форму.
Ваше имя
Ваш телефон
Комментарий
Я соглашаюсь с
Политикой конфиденциальности
и даю согласие на обработку персональных данных.
Feed me
Отправить