Запчасти для грузовых автомобилей
8-800-555-32-41
Перезвоните мне
Отправить готовую заявку
0
Корзина
Поиск
КАТАЛОГ ПРОДУКЦИИ
Запчасти УРАЛ
Запчасти КамАЗ
Запчасти АМТ
Запчасти ЧТЗ
Запчасти погрузчиков Dalian
Запчасти ЯМЗ
Двигатели ЯМЗ в сборе
Запчасти Shaanxi Fast Gear
Лебедки
Спецпредложения
О компании
Доставка и оплата
Гарантии и сервис
Контакты
Графические каталоги запчастей
Регулятор частоты вращения КамАЗ-65115
Главная
/
Графические каталоги
/
КамАЗ
/
КамАЗ-65115
/
Регулятор частоты вращения
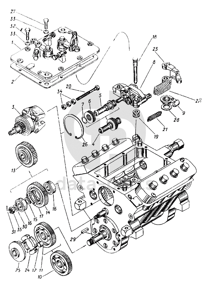
1
2
3
4
5
6
7
8
9
10
11
12
13
14
15
16
16
17
18
19
20
21
22
23
24
25
26
27
28
29
30
31
32
33
33
34
35
%
1
33.1110024
Крышка регулятора верхняя в сборе
Кол-во
0
?
Узнать цену
33.1110024
Крышка регулятора Камаз верхняя в сборе
Производство:
АО ЯЗДА
2 в наличии
3 845
p
В корзину
2
33.1110026
Прокладка верхней крышки регулятора
Кол-во
0
?
Узнать цену
33.1110026
Прокладка КАМАЗ крышки верхней ТНВД
Производство:
АО ЯЗДА
111 в наличии
257
p
В корзину
3
333.1110040
Державка грузов регулятора в сборе
Кол-во
0
?
Оставить заявку
4
33.1110060
Муфта регулятора
Кол-во
0
?
Узнать цену
33.1110060
Муфта регулятора ТНВД Камаз
Производство:
АО ЯЗДА
Под заказ
557
p
В корзину
5
33.1110062
Муфта регулятора
Кол-во
0
?
Оставить заявку
6
33.1110618
Подшипник 8103
Кол-во
0
?
Оставить заявку
7
1/34008/73
Кольцо 16 стопорное
Кол-во
0
?
Оставить заявку
8
332.1110160-50
Рычаги с корректорами
Кол-во
0
?
Оставить заявку
9
33.1110505
Рычаг стартовой пружины
Кол-во
0
?
Узнать цену
33.1110505
Рычаг стартовой пружины Камаз
Производство:
АО ЯЗДА
Под заказ
215
p
В корзину
10
33.1110515-10
Шестерня регулятора ведущая
Кол-во
0
?
Узнать цену
33.1110515-10
Шестерня ведущая
Производство:
АО ЯЗДА
Под заказ
1 196
p
В корзину
11
33.1110516
Шестерня
Кол-во
0
?
Оставить заявку
12
33.1110519-10
Вставка
Кол-во
0
?
Оставить заявку
13
33.1110670
Шестерня промежуточная в сборе
Кол-во
0
?
Узнать цену
33.1110670
Шестерня промежуточная
Производство:
АО ЯЗДА
Под заказ
1 181
p
В корзину
14
33.1110672
Шестерня
Кол-во
0
?
Оставить заявку
15
870627-П29
Шайба 12
Кол-во
0
?
Узнать цену
870627-П29
Шайба
Производство:
АО ЯЗДА
Под заказ
25
p
В корзину
16
33.1110624
Подшипник 201
Кол-во
0
?
Оставить заявку
17
33.1110682
Кольцо пружинное упорное
Кол-во
0
?
Оставить заявку
18
33.1110088
Ось рычага регулятора
Кол-во
0
?
Узнать цену
33.1110088
Ось рычагов
Производство:
АО ЯЗДА
Под заказ
169
p
В корзину
19
33.1110089
Втулка дистанционная
Кол-во
0
?
Узнать цену
33.1110089
Втулка
Производство:
АО ЯЗДА
Под заказ
131
p
В корзину
20
33.1110429
Болт регулировочный
Кол-во
0
?
Узнать цену
33.1110429
Болт
Производство:
АО ЯЗДА
Под заказ
180
p
В корзину
21
332.1110448
Пружина рычага реек
Кол-во
0
?
Узнать цену
332.1110448
Пружина рычага реек РЧВ
Производство:
АО ЯЗДА
Под заказ
145
p
В корзину
22
33.1110462-10
Пружина регулятора
Кол-во
0
?
Узнать цену
33.1110462-10
Пружина КАМАЗ регулятора ТНВД
Производство:
АО ЯЗДА
Под заказ
226
p
В корзину
23
33.1110466
Рычаг пружины
Кол-во
0
?
Узнать цену
33.1110466
Рычаг пружины регулятора ТНВД Камаз
Производство:
АО ЯЗДА
Под заказ
1 105
p
В корзину
24
33.1110517-10
Сухарь ведущей шестерни
Кол-во
0
?
Узнать цену
33.1110517-10
Сухарь КАМАЗ демфера
Производство:
АО ЯЗДА
57 в наличии
110
p
В корзину
25
33.1110521
Фланец ведущей шестерни
Кол-во
0
?
Узнать цену
33.1110521
Фланец
Производство:
АО ЯЗДА
Под заказ
705
p
В корзину
26
33.1110684
Кольцо пружинное упорное
Кол-во
0
?
Оставить заявку
27
870003-П29
Болт М6-6gх20
Кол-во
0
?
Узнать цену
870003-П29
Болт
Производство:
АО ЯЗДА
Под заказ
197
p
В корзину
28
870456-П15
Шайба 16
Кол-во
0
?
Оставить заявку
29
870800-П
Шпонка
Кол-во
0
?
Оставить заявку
30
1/05196/01
Шайба плоская 8х17
Кол-во
0
?
Узнать цену
1/05196/01
Шайба 8*17 1/05196
Производство:
АО ЯЗДА
Под заказ
18
p
В корзину
31
1/07344/01
Шплинт разводной 2х25
Кол-во
0
?
Оставить заявку
32
1/09026/21
Болт М6-6gх25
Кол-во
0
?
Узнать цену
1/09026/21
Болт
Производство:
АО ЯЗДА
Под заказ
38
p
В корзину
33
1/11977/71
Шайба коническая пружинная 6х12
Кол-во
0
?
Узнать цену
1/11977/71
Шайба
Производство:
АО ЯЗДА
Под заказ
13
p
В корзину
34
1/58962/11
Гайка ЕМ6-6Н
Кол-во
0
?
Узнать цену
1/58962/11
Гайка М6Х1 Камаз
Производство:
АО ЯЗДА
Под заказ
13
p
В корзину
35
1/61056/11
Гайка М8-6Н
Кол-во
0
?
Узнать цену
1/61056/11
Гайка
Производство:
АО ЯЗДА
Под заказ
48
p
В корзину
36
33.1110545
Втулка упорная ведущей шестерни
Кол-во
0
?
Узнать цену
33.1110545
Втулка упорная
Производство:
АО ЯЗДА
Под заказ
147
p
В корзину
Получить консультацию
У нас большой опыт по подбору запчастей, и мы с радостью поможем вам найти нужную деталь, даже если вы не знаете ее артикул
Дмитрий Иванов
Директор отдела продаж
Мобильный номер:
8 (912) 474-74-74
E-mail:
td.uralval@mail.ru
Вы должны включить JavaScript чтобы использовать эту форму.
Ваше имя
Ваш телефон
Комментарий
Я соглашаюсь с
Политикой конфиденциальности
и даю согласие на обработку персональных данных.
Feed me
Отправить