Запчасти для грузовых автомобилей
8-800-555-32-41
Перезвоните мне
Отправить готовую заявку
0
Корзина
Поиск
КАТАЛОГ ПРОДУКЦИИ
Запчасти УРАЛ
Запчасти КамАЗ
Запчасти АМТ
Запчасти ЧТЗ
Запчасти погрузчиков Dalian
Запчасти ЯМЗ
Двигатели ЯМЗ в сборе
Запчасти Shaanxi Fast Gear
Лебедки
Спецпредложения
О компании
Доставка и оплата
Гарантии и сервис
Контакты
Графические каталоги запчастей
Корпус водяных каналов КамАЗ-6460
Главная
/
Графические каталоги
/
КамАЗ
/
КамАЗ-6460
/
Корпус водяных каналов
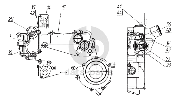
1
14
15
16
20
23
35
36
41
42
42
44
48
56
73
%
1
7406.1303013
Крышка с пробками
Кол-во
1
?
Оставить заявку
14
7406.1002058-10
Рым
Кол-во
1
?
Узнать цену
7406.1002058-10
рым-болт
Производство:
ПАО КАМАЗ
Под заказ
486
p
В корзину
15
7406.1303012-10
Корпус водяных каналов
Кол-во
1
?
Узнать цену
7406.1303012-10
Корпус КАМАЗ водяных каналов
Производство:
ПАО КАМАЗ
Под заказ
29 682
p
В корзину
16
7406.1303015
Прокладка крышки
Кол-во
1
?
Оставить заявку
20
740.11-1303130
Патрубок водяной коробки
Кол-во
1
?
Оставить заявку
23
7406.1303214-10
Прокладка патрубка водяной коробки
Кол-во
1
?
Оставить заявку
35
1/60438/21
Болт М8-6gх30
Кол-во
4
?
Оставить заявку
36
1/60443/21
Болт М8-6gх55
Кол-во
1
?
Оставить заявку
41
1/14083/21
Болт М14х1,5-6gх35
Кол-во
2
?
Оставить заявку
42
1/05166/73
Шайба 8 пружинная
Кол-во
5
?
Оставить заявку
44
1/05171/77
Шайба 14 пружинная
Кол-во
2
?
Оставить заявку
48
1/02634/60
Прокладка 22х28х1,5
Кол-во
1
?
Оставить заявку
56
864323
Пробка М22х1,5-6Н
Кол-во
1
?
Узнать цену
864323
Пробка КАМАЗ М22х1.5-6Н ЗИЛ МАЗ тормозной системы в сборе
Производство:
ПАО КАМАЗ
Под заказ
125
p
В корзину
73
ТС 107.1306 100-01
Термостат
Кол-во
2
?
Оставить заявку
Получить консультацию
У нас большой опыт по подбору запчастей, и мы с радостью поможем вам найти нужную деталь, даже если вы не знаете ее артикул
Дмитрий Иванов
Директор отдела продаж
Мобильный номер:
8 (912) 474-74-74
E-mail:
td.uralval@mail.ru
Вы должны включить JavaScript чтобы использовать эту форму.
Ваше имя
Ваш телефон
Комментарий
Я соглашаюсь с
Политикой конфиденциальности
и даю согласие на обработку персональных данных.
Feed me
Отправить