Запчасти для грузовых автомобилей
8-800-555-32-41
Перезвоните мне
Отправить готовую заявку
0
Корзина
Поиск
КАТАЛОГ ПРОДУКЦИИ
Запчасти УРАЛ
Запчасти КамАЗ
Запчасти АМТ
Запчасти ЧТЗ
Запчасти погрузчиков Dalian
Запчасти ЯМЗ
Двигатели ЯМЗ в сборе
Запчасти Shaanxi Fast Gear
Лебедки
Спецпредложения
О компании
Доставка и оплата
Гарантии и сервис
Контакты
Графические каталоги запчастей
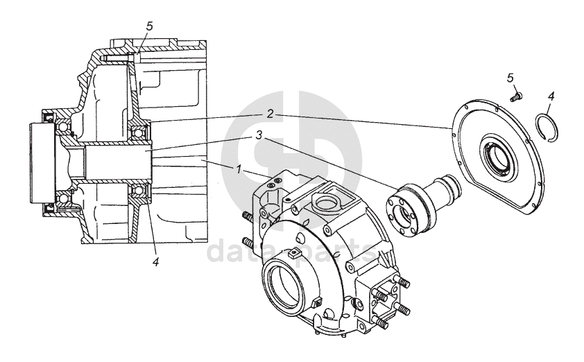
740.30-1005500 Привод агрегатов КамАЗ-6450 8х8
Главная
/
Графические каталоги
/
КамАЗ
/
КамАЗ-6450 8х8
/
740.30-1005500 Привод агрегатов
1
2
3
4
4
5
6
%
1
740.30-1002260
Крышка блока цилиндров передняя
Кол-во
1
?
Узнать цену
740.30-1002260
Крышка КАМАЗ блока цилиндров передняя
Производство:
ПАО КАМАЗ
Под заказ
18 970
p
В корзину
2
7406.1005250
Корпус подшипника
Кол-во
1
?
Узнать цену
7406.1005250
корпус подшипника
Производство:
ПАО КАМАЗ
Под заказ
9 870
p
В корзину
3
7406.1005535
Вал отбора мощности
Кол-во
1
?
Узнать цену
7406.1005535
Вал КАМАЗ-ЕВРО-2 отбора мощности в сборе (12мм)
Производство:
ПАО КАМАЗ
Под заказ
6 636
p
В корзину
4
7406.1005537
Кольцо стопорное
Кол-во
1
?
Оставить заявку
5
1/05166/77
Шайба 8 пружинная
Кол-во
7
?
Узнать цену
1/05166/77
Шайба
Производство:
АО ЯЗДА
Под заказ
38
p
В корзину
6
870353-20
Винт М8-6gх25
Кол-во
7
?
Оставить заявку
Получить консультацию
У нас большой опыт по подбору запчастей, и мы с радостью поможем вам найти нужную деталь, даже если вы не знаете ее артикул
Дмитрий Иванов
Директор отдела продаж
Мобильный номер:
8 (912) 474-74-74
E-mail:
td.uralval@mail.ru
Вы должны включить JavaScript чтобы использовать эту форму.
Ваше имя
Ваш телефон
Комментарий
Я соглашаюсь с
Политикой конфиденциальности
и даю согласие на обработку персональных данных.
Feed me
Отправить