Запчасти для грузовых автомобилей
8-800-555-32-41
Перезвоните мне
Отправить готовую заявку
0
Корзина
Поиск
КАТАЛОГ ПРОДУКЦИИ
Запчасти УРАЛ
Запчасти КамАЗ
Запчасти АМТ
Запчасти ЧТЗ
Запчасти погрузчиков Dalian
Запчасти ЯМЗ
Двигатели ЯМЗ в сборе
Запчасти Shaanxi Fast Gear
Лебедки
Спецпредложения
О компании
Доставка и оплата
Гарантии и сервис
Контакты
Графические каталоги запчастей
Регулятор тормозных сил КамАЗ-5511
Главная
/
Графические каталоги
/
КамАЗ
/
КамАЗ-5511
/
Регулятор тормозных сил
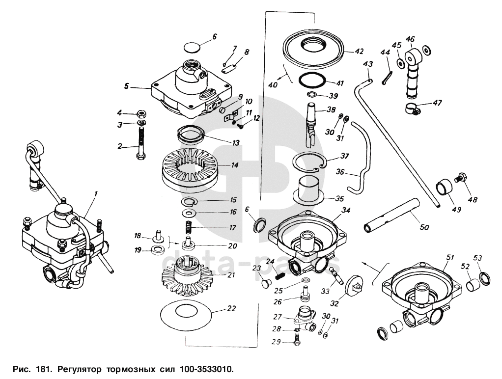
1
2
3
4
5
6
6
7
8
9
10
11
12
13
14
15
16
17
18
19
20
21
22
23
24
25
26
27
28
29
30
30
31
31
32
33
34
35
36
37
38
39
40
41
42
43
44
45
46
47
48
49
50
51
52
53
%
1
100-3533010-10
Регулятор тормозных сил в сборе
Кол-во
1
?
Узнать цену
100-3533010-10
Регулятоp тоpмозных сил УРАЛ, КАМАЗ, МАЗ (РААЗ)
Производство:
Россия
Под заказ
цена по запросу
В корзину
2
301543
Болт М8-6g
Кол-во
4
?
Оставить заявку
3
305890
Шайба 8 пружинная
Кол-во
2
?
Оставить заявку
4
250510
Гайка М8-6Н
Кол-во
2
?
Оставить заявку
5
100-3533020
Корпус верхний
Кол-во
1
?
Оставить заявку
6
305133
Пробка
Кол-во
2
?
Оставить заявку
7
304183
Заклепка пустотелая
Кол-во
2
?
Оставить заявку
8
100-3512099
Табличка
Кол-во
1
?
Оставить заявку
9
100-3533025
Фильтр
Кол-во
1
?
Оставить заявку
10
308758
Скоба
Кол-во
1
?
Оставить заявку
11
305889
Шайба пружинная 4
Кол-во
2
?
Оставить заявку
12
222470
Винт М4х0,7-6gх8
Кол-во
2
?
Оставить заявку
13
100-3533038
Манжета
Кол-во
1
?
Оставить заявку
14
100-3533028-10
Вставка
Кол-во
1
?
Оставить заявку
15
307718
Кольцо
Кол-во
1
?
Оставить заявку
16
100-3533037
Шайба
Кол-во
1
?
Оставить заявку
17
100-3533035
Пружина
Кол-во
1
?
Оставить заявку
18
100-3533033
Корпус клапана
Кол-во
1
?
Оставить заявку
19
Резина
Резина
Кол-во
1
?
Оставить заявку
20
100-3533032
Клапан
Кол-во
1
?
Оставить заявку
21
100-3533030-10
Поршень
Кол-во
1
?
Оставить заявку
22
100-3533039
Шайба
Кол-во
1
?
Оставить заявку
23
305129
Пробка транспортная
Кол-во
1
?
Оставить заявку
24
302198
Винт
Кол-во
1
?
Оставить заявку
25
100-3533057
Кольцо
Кол-во
1
?
Оставить заявку
26
100-3533056
Поршень
Кол-во
1
?
Оставить заявку
27
100-3533058
Колпачок направляющий
Кол-во
1
?
Оставить заявку
28
305887
Шайба 6 пружинная
Кол-во
2
?
Оставить заявку
29
201418
Болт М6-6gх16
Кол-во
2
?
Оставить заявку
30
100-3533024
Кольцо
Кол-во
2
?
Оставить заявку
31
100-3533023
Шайба
Кол-во
2
?
Оставить заявку
32
100-3533060
Клапан
Кол-во
1
?
Оставить заявку
33
100-3533052-10
Пята шаровая
Кол-во
1
?
Оставить заявку
34
100-3533044
Корпус нижний в сборе
Кол-во
1
?
Оставить заявку
35
100-3533049
Направляющая
Кол-во
1
?
Оставить заявку
36
100-3533061
Труба
Кол-во
1
?
Оставить заявку
37
489312
Кольцо упорное
Кол-во
1
?
Оставить заявку
38
100-3533054
Толкатель клапана
Кол-во
1
?
Оставить заявку
39
100-3515135
Кольцо
Кол-во
1
?
Оставить заявку
40
100-3533040-10
Мембрана в сборе
Кол-во
1
?
Оставить заявку
41
100-3533042
Пружина
Кол-во
1
?
Оставить заявку
42
100-3533041-10
Мембрана
Кол-во
1
?
Оставить заявку
43
100-3533062
Рычаг
Кол-во
1
?
Оставить заявку
44
258013
Шплинт 1,3х12
Кол-во
2
?
Оставить заявку
45
252005
Шайба плоская 8х17х1,4
Кол-во
2
?
Оставить заявку
46
100-3533065
Муфта соединительная
Кол-во
1
?
Оставить заявку
47
308787
Хомут в сборе
Кол-во
1
?
Оставить заявку
48
201452
Болт М8х1,25-6gх12
Кол-во
1
?
Оставить заявку
49
100-3533067
Колпачок
Кол-во
1
?
Оставить заявку
50
100-3533050-10
Вал
Кол-во
1
?
Оставить заявку
51
100-3533045
Корпус нижний
Кол-во
1
?
Оставить заявку
52
100-3533046
Втулка
Кол-во
2
?
Оставить заявку
53
100-3533047
Кольцо уплотнительное в сборе
Кол-во
2
?
Оставить заявку
Получить консультацию
У нас большой опыт по подбору запчастей, и мы с радостью поможем вам найти нужную деталь, даже если вы не знаете ее артикул
Дмитрий Иванов
Директор отдела продаж
Мобильный номер:
8 (912) 474-74-74
E-mail:
td.uralval@mail.ru
Вы должны включить JavaScript чтобы использовать эту форму.
Ваше имя
Ваш телефон
Комментарий
Я соглашаюсь с
Политикой конфиденциальности
и даю согласие на обработку персональных данных.
Feed me
Отправить