Запчасти для грузовых автомобилей
8-800-555-32-41
Перезвоните мне
Отправить готовую заявку
0
Корзина
Поиск
КАТАЛОГ ПРОДУКЦИИ
Запчасти УРАЛ
Запчасти КамАЗ
Запчасти АМТ
Запчасти ЧТЗ
Запчасти погрузчиков Dalian
Запчасти ЯМЗ
Двигатели ЯМЗ в сборе
Запчасти Shaanxi Fast Gear
Лебедки
Спецпредложения
О компании
Доставка и оплата
Гарантии и сервис
Контакты
Графические каталоги запчастей
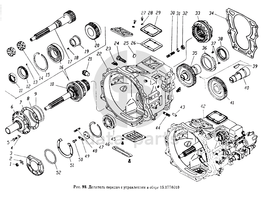
Делитель передач с управлением в сборе КамАЗ-5511
Главная
/
Графические каталоги
/
КамАЗ
/
КамАЗ-5511
/
Делитель передач с управлением в сборе
1
2
3
4
5
6
7
8
9
10
11
12
13
14
14
15
16
16
17
18
19
20
21
22
23
24
25
26
27
28
29
30
31
32
33
34
35
36
37
38
38
39
40
41
42
43
44
45
46
47
48
49
50
51
52
%
1
1/61015/11
Гайка М12х1,25-6Н
Кол-во
0
?
Оставить заявку
2
870856
Шайба замковая 12,3
Кол-во
0
?
Оставить заявку
3
15.1770244
Крышка переднего подшипника промежуточного вала
Кол-во
0
?
Оставить заявку
4
870851
Шайба замковая 10
Кол-во
0
?
Оставить заявку
5
1/13069/21
Болт М10х1,25-6gх30
Кол-во
0
?
Оставить заявку
6
14.1701039
Крышка подшипника первичного вала в сборе
Кол-во
0
?
Узнать цену
14.1701039
крышка заднего подшипника
Производство:
ПАО КАМАЗ
25 в наличии
3 444
p
В корзину
7
14.1701042
Прокладка крышки первичного вала
Кол-во
0
?
Оставить заявку
8
14.1701035
Прокладка регулировочная
Кол-во
0
?
Узнать цену
14.1701035
Прокладка КПП КАМАЗ 0.2мм
Производство:
ПАО КАМАЗ
262 в наличии
48
p
В корзину
9
14.1701036
Прокладка регулировочная
Кол-во
0
?
Узнать цену
14.1701036
Прокладка КПП КАМАЗ 0.35мм
Производство:
ПАО КАМАЗ
186 в наличии
90
p
В корзину
10
15.1770040
Вал первичный в сборе
Кол-во
0
?
Оставить заявку
11
870512
Гайка специальная М52х2-Л-6Н
Кол-во
0
?
Узнать цену
870512
Гайка М52х2.0 КАМАЗ вала первичного 044
Производство:
ПАО КАМАЗ
Под заказ
640
p
В корзину
12
15.1770092
Кольцо маслонагнетающее первичного вала
Кол-во
0
?
Узнать цену
15.1770092
Кольцо КАМАЗ маслонагнетательное
Производство:
ПАО КАМАЗ
11 в наличии
1 926
p
В корзину
13
870767
Штифт 4х12
Кол-во
0
?
Оставить заявку
14
15.1770064-01
Подшипник роликовый радиальный в сборе
Кол-во
0
?
Оставить заявку
14
664913Е
Подшипник роликовый радиальный с длинными цилиндрическими роликами двухрядный без колец
Кол-во
0
?
Оставить заявку
15
14.1701034
Кольцо стопорное
Кол-во
0
?
Оставить заявку
16
170314Л
Подшипник шариковый радиальный однорядный ГОСТ 520-89
Кол-во
0
?
Оставить заявку
16
15.1770084-01
Подшипник шариковый
Кол-во
0
?
Оставить заявку
17
15-1770044
Вал первичный делителя
Кол-во
0
?
Оставить заявку
18
870801
Шпонка призматическая 6х8х13
Кол-во
0
?
Узнать цену
870801
шпонка
Производство:
ПАО КАМАЗ
35 в наличии
49
p
В корзину
19
15.1770086
Втулка заднего подшипника первичного вала
Кол-во
0
?
Узнать цену
15.1770086
Втулка КАМАЗ заднего подшипника вала первичного делителя
Производство:
ПАО КАМАЗ
17 в наличии
2 179
p
В корзину
20
15-1770050
Шестерня в сборе
Кол-во
0
?
Оставить заявку
21
14.1701306
Пробка сливная с магнитом в сборе
Кол-во
0
?
Узнать цену
14.1701306
Пробка сливная КАМАЗ картера масляного КПП
Производство:
ПАО КАМАЗ
Под заказ
2 777
p
В корзину
22
15.1770030
Картер делителя передач со втулками в сборе
Кол-во
0
?
Узнать цену
15.1770030
Картер КАМАЗ делителя
Производство:
ПАО КАМАЗ
Под заказ
67 366
p
В корзину
23
870840
Масленка КГ/8" 45 (45916751064)
Кол-во
0
?
Оставить заявку
24
14.1701350
Рым-болт
Кол-во
0
?
Узнать цену
14.1701350
рым-болт
Производство:
ПАО КАМАЗ
Под заказ
243
p
В корзину
25
1/01592/06
Заглушка 28
Кол-во
0
?
Оставить заявку
26
15.1770038
Крышка люка картера делителя передач
Кол-во
0
?
Оставить заявку
27
1/60432/21
Болт М8-6gх16
Кол-во
0
?
Оставить заявку
28
1/05166/73
Шайба 8 пружинная
Кол-во
0
?
Оставить заявку
29
15.1770036
Крышка люка картера делителя передач
Кол-во
0
?
Узнать цену
15.1770036
крышка
Производство:
ПАО КАМАЗ
Под заказ
261
p
В корзину
30
1/18006/31
Шпилька картера М16х1,5х22х45
Кол-во
0
?
Оставить заявку
31
1/05172/77
Шайба 16 пружинная
Кол-во
0
?
Оставить заявку
32
1/21641/21
Гайка М16х1,5-6Н
Кол-во
0
?
Оставить заявку
33
15-1770160
Синхронизатор делителя передач в сборе
Кол-во
0
?
Оставить заявку
34
15.1770034
Прокладка картера делителя передач
Кол-во
0
?
Оставить заявку
35
15.1770210
Вал промежуточный в сборе
Кол-во
0
?
Оставить заявку
36
15.1770256
Гнездо заднего подшипника промежуточного вала
Кол-во
0
?
Узнать цену
15.1770256
Гнездо КАМАЗ заднего подшипника делителя
Производство:
ПАО КАМАЗ
1 в наличии
3 317
p
В корзину
37
1/33013/01
Винт М6-6gх16
Кол-во
0
?
Оставить заявку
38
15.1770254
Подшипник роликовый
Кол-во
0
?
Оставить заявку
38
292213К1М
Подшипник роликовый
Кол-во
0
?
Оставить заявку
39
870823
Шпонка сегментная 10х17х55
Кол-во
0
?
Узнать цену
870823
Шпонка КАМАЗ вала промежуточного КПП 10х17х55
Производство:
ПАО КАМАЗ
35 в наличии
238
p
В корзину
40
15-1770214
Вал промежуточный делителя передач
Кол-во
0
?
Оставить заявку
41
15-1770216
Шестерня промежуточного вала
Кол-во
0
?
Оставить заявку
42
15.1770010
Делитель передач с управлением в сборе
Кол-во
0
?
Узнать цену
15.1770010
Делитель передач КАМАЗ
Производство:
ПАО КАМАЗ
Под заказ
172 166
p
В корзину
43
1/04830/11
Штифт 12х35
Кол-во
0
?
Оставить заявку
44
1/18004/21
Шпилька М16х1,5х22х35
Кол-во
0
?
Оставить заявку
45
15.1770234-01
Подшипник
Кол-во
0
?
Оставить заявку
46
15.1770236
Кольцо упорное переднего подшипника
Кол-во
0
?
Оставить заявку
47
15.1770238
Шайба упорная
Кол-во
0
?
Узнать цену
15.1770238
Шайба КАМАЗ упорная вала промежуточного
Производство:
ПАО КАМАЗ
18 в наличии
275
p
В корзину
48
1/35301/21
Шпилька М12х1,25х18х30
Кол-во
0
?
Оставить заявку
49
15.1770239
Планка стопорная
Кол-во
0
?
Узнать цену
15.1770239
Планка стопорная КПП КАМАЗ делителя
Производство:
ПАО КАМАЗ
20 в наличии
40
p
В корзину
50
1/55404/33
Болт М12х1,25-6gх30
Кол-во
0
?
Оставить заявку
51
15.1770248
Прокладка крышки переднего подшипника промежуточного вала
Кол-во
0
?
Оставить заявку
52
15.1770246
Кольцо уплотнительное крышки подшипника
Кол-во
0
?
Оставить заявку
Получить консультацию
У нас большой опыт по подбору запчастей, и мы с радостью поможем вам найти нужную деталь, даже если вы не знаете ее артикул
Дмитрий Иванов
Директор отдела продаж
Мобильный номер:
8 (912) 474-74-74
E-mail:
td.uralval@mail.ru
Вы должны включить JavaScript чтобы использовать эту форму.
Ваше имя
Ваш телефон
Комментарий
Я соглашаюсь с
Политикой конфиденциальности
и даю согласие на обработку персональных данных.
Feed me
Отправить