Запчасти для грузовых автомобилей
8-800-555-32-41
Перезвоните мне
Отправить готовую заявку
0
Корзина
Поиск
КАТАЛОГ ПРОДУКЦИИ
Запчасти УРАЛ
Запчасти КамАЗ
Запчасти АМТ
Запчасти ЧТЗ
Запчасти погрузчиков Dalian
Запчасти ЯМЗ
Двигатели ЯМЗ в сборе
Запчасти Shaanxi Fast Gear
Лебедки
Спецпредложения
О компании
Доставка и оплата
Гарантии и сервис
Контакты
Графические каталоги запчастей
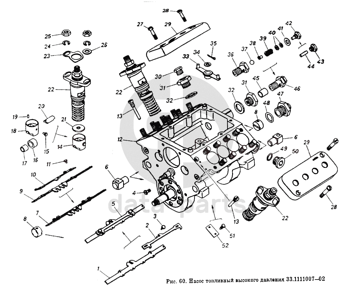
Насос топливный высокого давления КамАЗ-5511
Главная
/
Графические каталоги
/
КамАЗ
/
КамАЗ-5511
/
Насос топливный высокого давления
1
2
3
4
5
6
6
6
7
8
8
8
9
10
11
12
13
13
13
14
15
16
17
18
19
20
21
22
22
22
22
23
24
25
26
27
28
28
28
29
29
29
30
31
31
31
32
32
32
33
34
35
36
37
38
39
40
41
42
43
44
45
46
47
48
49
50
51
52
%
1
33.1111039
Рейка левая
Кол-во
1
?
Оставить заявку
2
33.1111044-10
Фиксатор рейки
Кол-во
1
?
Узнать цену
33.1111044-10
Фиксатор
Производство:
АО ЯЗДА
Под заказ
131
p
В корзину
3
33.1111057-10
Ось рейки
Кол-во
2
?
Оставить заявку
4
870354
Винт М6х16
Кол-во
12
?
Оставить заявку
5
33.1111027-01
Рейка левая в сборе
Кол-во
1
?
Оставить заявку
6
33.1111028
Палец
Кол-во
4
?
Узнать цену
33.1111028
Палец крепления насоса
Производство:
АО ЯЗДА
Под заказ
293
p
В корзину
7
33.1111031
Рейка правая в сборе
Кол-во
1
?
Оставить заявку
8
33.1111042
Втулка рейки
Кол-во
4
?
Оставить заявку
9
33.1111040
Рейка правая
Кол-во
1
?
Оставить заявку
10
33.1111044-10
Фиксатор рейки
Кол-во
0
?
Узнать цену
33.1111044-10
Фиксатор
Производство:
АО ЯЗДА
Под заказ
131
p
В корзину
11
33.1111057-10
Ось рейки
Кол-во
0
?
Оставить заявку
12
33.1111020
Корпус в сборе
Кол-во
1
?
Оставить заявку
13
33.1111418
Винт стопорный
Кол-во
2
?
Узнать цену
33.1111418
Винт стопорный
Производство:
АО ЯЗДА
Под заказ
168
p
В корзину
14
33.1111136
Толкатель плунжера в сборе
Кол-во
8
?
Оставить заявку
15
236.1106246
Сухарь
Кол-во
1
?
Оставить заявку
16
33.1111140
Ролик
Кол-во
1
?
Узнать цену
33.1111140
Ролик
Производство:
АО ЯЗДА
Под заказ
158
p
В корзину
17
33.1111144
Втулка
Кол-во
1
?
Оставить заявку
18
33.1111138
Толкатель
Кол-во
1
?
Оставить заявку
19
870751
Штифт
Кол-во
1
?
Оставить заявку
20
33.1111142
Ось ролика
Кол-во
1
?
Оставить заявку
21
33.1111575
Пята толкателя
Кол-во
1
?
Узнать цену
33.1111575
Пята толкателя
Производство:
АО ЯЗДА
Под заказ
236
p
В корзину
22
33.1111050-01
Секция ТНВД в сборе
Кол-во
8
?
Оставить заявку
23
33-1111096
Шайба стопорная
Кол-во
8
?
Оставить заявку
24
1/05168/77
Шайба 10 пружинная
Кол-во
16
?
Узнать цену
1/05168/77
Шайба
Производство:
АО ЯЗДА
Под заказ
13
p
В корзину
25
1/21647/21
Гайка М10х1,25-6Н
Кол-во
16
?
Узнать цену
1/21647/21
Гайка
Производство:
АО ЯЗДА
Под заказ
57
p
В корзину
26
1/26386/71
Шайба плоская 10х18
Кол-во
8
?
Оставить заявку
27
33.1111126
Винт крепления кожуха
Кол-во
2
?
Узнать цену
33.1111126
Винт
Производство:
АО ЯЗДА
Под заказ
165
p
В корзину
28
870355
Винт М6-6gх32
Кол-во
2
?
Оставить заявку
29
33.1111098
Кожух защитный
Кол-во
2
?
Узнать цену
33.1111098
Кожух КАМАЗ защитный ТНВД
Производство:
АО ЯЗДА
Под заказ
339
p
В корзину
30
870885
Пробка М14х1,5-6g
Кол-во
1
?
Оставить заявку
31
33.1111032
Ввертыш М14х1,5-М20х1,5
Кол-во
2
?
Узнать цену
33.1111032
Ввертыш КАМАЗ в сборе ТНВД
Производство:
АО ЯЗДА
Под заказ
189
p
В корзину
32
1/02574/60
Прокладка 20х26х1,5
Кол-во
2
?
Оставить заявку
33
33.1111400
Рычаг реек в сборе
Кол-во
1
?
Узнать цену
33.1111400
Рычаг рейки
Производство:
АО ЯЗДА
Под заказ
822
p
В корзину
34
870615
Шайба 7
Кол-во
1
?
Оставить заявку
35
1/07342/01
Шплинт разводной 2х15
Кол-во
1
?
Узнать цену
1/07342/01
Шплинт
Производство:
АО ЯЗДА
Под заказ
5
p
В корзину
36
33.1111285
Корпус клапана
Кол-во
1
?
Оставить заявку
37
33.1111325
Шарик ВV 6.35Н мм
Кол-во
1
?
Узнать цену
33.1111325
Шарик
Производство:
АО ЯЗДА
Под заказ
920
p
В корзину
38
33-1111290
Направляющая
Кол-во
1
?
Оставить заявку
39
33-1111289
Пружина перепускного клапана
Кол-во
3
?
Оставить заявку
40
870617
Шайба регулировочная 3,3х5,5х0,5
Кол-во
1
?
Оставить заявку
41
1/02844/60
Прокладка уплотнительная 10х16х1,5
Кол-во
1
?
Оставить заявку
42
33.1111300
Пробка клапана
Кол-во
1
?
Оставить заявку
43
33.1111301
Пробка
Кол-во
1
?
Оставить заявку
44
1/03324/16
Штифт 3х16
Кол-во
1
?
Оставить заявку
45
33.1111306
Заглушка
Кол-во
1
?
Оставить заявку
46
33.1111282
Клапан перепускной
Кол-во
1
?
Оставить заявку
47
870890
Пробка М27х1,5
Кол-во
2
?
Оставить заявку
48
33.1112342
Кольцо уплотнительное
Кол-во
2
?
Узнать цену
33.1112342
Кольцо КАМАЗ уплотнительное форсунки комплект (1 поз./8 дет.)
Производство:
АО ЯЗДА
Под заказ
112
p
В корзину
49
33.1111054
Кольцо уплотнительное
Кол-во
2
?
Оставить заявку
50
33.1111049
Пробка
Кол-во
2
?
Оставить заявку
51
33.1111910
Гвоздь нарезной
Кол-во
2
?
Оставить заявку
52
33.3904016-30
Табличка
Кол-во
1
?
Оставить заявку
Получить консультацию
У нас большой опыт по подбору запчастей, и мы с радостью поможем вам найти нужную деталь, даже если вы не знаете ее артикул
Дмитрий Иванов
Директор отдела продаж
Мобильный номер:
8 (912) 474-74-74
E-mail:
td.uralval@mail.ru
Вы должны включить JavaScript чтобы использовать эту форму.
Ваше имя
Ваш телефон
Комментарий
Я соглашаюсь с
Политикой конфиденциальности
и даю согласие на обработку персональных данных.
Feed me
Отправить