Запчасти для грузовых автомобилей
8-800-555-32-41
Перезвоните мне
Отправить готовую заявку
0
Корзина
Поиск
КАТАЛОГ ПРОДУКЦИИ
Запчасти УРАЛ
Запчасти КамАЗ
Запчасти АМТ
Запчасти ЧТЗ
Запчасти погрузчиков Dalian
Запчасти ЯМЗ
Двигатели ЯМЗ в сборе
Запчасти Shaanxi Fast Gear
Лебедки
Спецпредложения
О компании
Доставка и оплата
Гарантии и сервис
Контакты
Графические каталоги запчастей
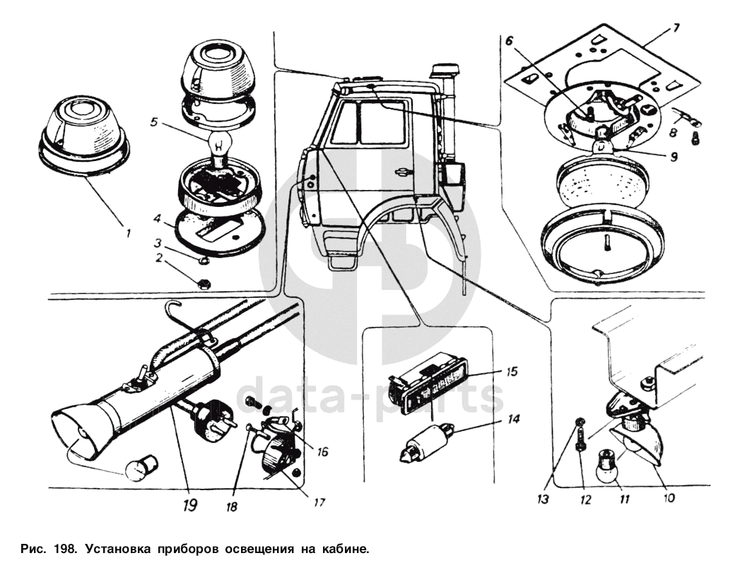
Установка приборов освещения на кабине КамАЗ-5410
Главная
/
Графические каталоги
/
КамАЗ
/
КамАЗ-5410
/
Установка приборов освещения на кабине
1
1
2
3
4
5
6
7
8
9
10
10
11
12
13
14
15
15
16
17
17
18
19
19
%
1
УП101-В
Фонарь сигнальный в сборе
Кол-во
3
?
Оставить заявку
1
5320-3726010
Фонарь сигнальный в сборе
Кол-во
3
?
Оставить заявку
2
1/58964/11
Гайка М5-6Н
Кол-во
6
?
Оставить заявку
3
1/26052/70
Шайба 5 зубчатая
Кол-во
6
?
Оставить заявку
4
5320-3726041
Прокладка фонаря сигнального
Кол-во
3
?
Оставить заявку
5
А24-5
Лампа
Кол-во
3
?
Оставить заявку
6
1/76700/01
Винт самонарезающий типа АВ № 8х9,5
Кол-во
6
?
Оставить заявку
7
5320-3714061
Пластина крепления плафона кабины
Кол-во
2
?
Оставить заявку
8
5320-3724204
Провод «массы» электродвигателя отопителя
Кол-во
3
?
Узнать цену
5320-3724204
провод массы плафона
Производство:
ПАО КАМАЗ
Под заказ
100
p
В корзину
9
А24-5
Лампа
Кол-во
0
?
Оставить заявку
10
ПД308-Б
Лампа подкапотная
Кол-во
1
?
Оставить заявку
10
5320-3715300
Лампа подкапотная
Кол-во
1
?
Оставить заявку
11
А24-21-3
Лампа
Кол-во
0
?
Оставить заявку
12
1/32764/01
Винт М6-6gх20
Кол-во
2
?
Оставить заявку
13
1/05164/77
Шайба 6 пружинная
Кол-во
2
?
Узнать цену
1/05164/77
Шайба
Производство:
АО ЯЗДА
Под заказ
53
p
В корзину
14
АС24-5
Лампа
Кол-во
1
?
Оставить заявку
15
ПК142-Б
Плафон вещевого ящика и спального места
Кол-во
1
?
Оставить заявку
15
5410-3714110
Плафон вещевого ящика и спального места в сборе
Кол-во
1
?
Оставить заявку
16
5320-3724200
Провод массы розетки переносной лампы
Кол-во
1
?
Узнать цену
5320-3724200
провод массы розетки
Производство:
ПАО КАМАЗ
Под заказ
119
p
В корзину
17
47К
Розетка штепсельная переносной лампы в кабине в сборе
Кол-во
1
?
Оставить заявку
17
5320-3723200
Розетка штепсельная переносной лампы в кабине в сборе
Кол-во
1
?
Оставить заявку
18
231513
Винт М3-6gх30
Кол-во
2
?
Оставить заявку
19
ПЛТ67-А
Лампа переносная
Кол-во
1
?
Оставить заявку
19
5320-3715010
Лампа переносная
Кол-во
1
?
Оставить заявку
Получить консультацию
У нас большой опыт по подбору запчастей, и мы с радостью поможем вам найти нужную деталь, даже если вы не знаете ее артикул
Дмитрий Иванов
Директор отдела продаж
Мобильный номер:
8 (912) 474-74-74
E-mail:
td.uralval@mail.ru
Вы должны включить JavaScript чтобы использовать эту форму.
Ваше имя
Ваш телефон
Комментарий
Я соглашаюсь с
Политикой конфиденциальности
и даю согласие на обработку персональных данных.
Feed me
Отправить