Запчасти для грузовых автомобилей
8-800-555-32-41
Перезвоните мне
Отправить готовую заявку
0
Корзина
Поиск
КАТАЛОГ ПРОДУКЦИИ
Запчасти УРАЛ
Запчасти КамАЗ
Запчасти АМТ
Запчасти ЧТЗ
Запчасти погрузчиков Dalian
Запчасти ЯМЗ
Двигатели ЯМЗ в сборе
Запчасти Shaanxi Fast Gear
Лебедки
Спецпредложения
О компании
Доставка и оплата
Гарантии и сервис
Контакты
Графические каталоги запчастей
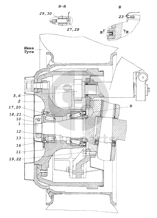
Ось передняя с тормозами КамАЗ-5360
Главная
/
Графические каталоги
/
КамАЗ
/
КамАЗ-5360
/
Ось передняя с тормозами
1
2
5
6
10
11
12
13
16
17
18
19
20
21
22
23
27
28
29
30
%
1
6520-3000015
Ось передняя в сборе
Кол-во
1
?
Узнать цену
6520-3000015
Ось передняя
Производство:
ПАО КАМАЗ
Под заказ
187 712
p
В корзину
2
6520-3103009-02
Ступица переднего колеса с барабаном, подшипником и манжетой
Кол-во
2
?
Оставить заявку
5
6520-3501010-12
Тормоз передний правый в сборе
Кол-во
1
?
Оставить заявку
6
6520-3501011-12
Тормоз передний левый в сборе
Кол-во
1
?
Оставить заявку
10
6520-3103065
Крышка
Кол-во
2
?
Узнать цену
6520-3103065
Крышка КАМАЗ-6520 ступицы передней
Производство:
ПАО КАМАЗ
Под заказ
1 238
p
В корзину
11
6520-3103067
Прокладка
Кол-во
2
?
Оставить заявку
12
6520-3103077
Гайка подшипников
Кол-во
2
?
Узнать цену
6520-3103077
Гайка КАМАЗ-6520 подшипника ступицы передней
Производство:
ПАО КАМАЗ
8 в наличии
1 344
p
В корзину
13
6520-3103079
Шайба
Кол-во
2
?
Узнать цену
6520-3103079
Шайба КАМАЗ замочная кулака поворотного
Производство:
ПАО КАМАЗ
3 в наличии
610
p
В корзину
16
6-7610А
Подшипник роликовый конический однорядный ГОСТ 520-89
Кол-во
2
?
Оставить заявку
17
1/09022/21
Болт ТЕМ6-6gх16
Кол-во
10
?
Узнать цену
1/09022/21
Болт
Производство:
АО ЯЗДА
Под заказ
25
p
В корзину
18
1/60440/21
Болт М8-6gх40
Кол-во
2
?
Оставить заявку
19
1/13905/21
Болт М16х1,25-6gх40
Кол-во
16
?
Оставить заявку
20
1/05164/77
Шайба 6 пружинная
Кол-во
10
?
Узнать цену
1/05164/77
Шайба
Производство:
АО ЯЗДА
Под заказ
53
p
В корзину
21
1/05166/77
Шайба 8 пружинная
Кол-во
2
?
Узнать цену
1/05166/77
Шайба
Производство:
АО ЯЗДА
Под заказ
38
p
В корзину
22
1/05172/77
Шайба 16 пружинная
Кол-во
16
?
Оставить заявку
23
853936
Штуцер проходной
Кол-во
2
?
Узнать цену
853936
Скоба КАМАЗ крепления проводов
Производство:
ПАО КАМАЗ
Под заказ
25
p
В корзину
27
4410328090
Датчик
Кол-во
2
?
Узнать цену
4410328090
Датчик АБС 441 032 8090
Производство:
АЗ Урал
Под заказ
цена по запросу
В корзину
28
265050131
Датчик
Кол-во
2
?
Оставить заявку
29
8997598154
Втулка датчика
Кол-во
2
?
Узнать цену
8997598154
Втулка датчика AБС 899 759 8154
Производство:
АЗ Урал
Под заказ
цена по запросу
В корзину
30
2261024304
Втулка датчика
Кол-во
2
?
Оставить заявку
Получить консультацию
У нас большой опыт по подбору запчастей, и мы с радостью поможем вам найти нужную деталь, даже если вы не знаете ее артикул
Дмитрий Иванов
Директор отдела продаж
Мобильный номер:
8 (912) 474-74-74
E-mail:
td.uralval@mail.ru
Вы должны включить JavaScript чтобы использовать эту форму.
Ваше имя
Ваш телефон
Комментарий
Я соглашаюсь с
Политикой конфиденциальности
и даю согласие на обработку персональных данных.
Feed me
Отправить