Запчасти для грузовых автомобилей
8-800-555-32-41
Перезвоните мне
Отправить готовую заявку
0
Корзина
Поиск
КАТАЛОГ ПРОДУКЦИИ
Запчасти УРАЛ
Запчасти КамАЗ
Запчасти АМТ
Запчасти ЧТЗ
Запчасти погрузчиков Dalian
Запчасти ЯМЗ
Двигатели ЯМЗ в сборе
Запчасти Shaanxi Fast Gear
Лебедки
Спецпредложения
О компании
Доставка и оплата
Гарантии и сервис
Контакты
Графические каталоги запчастей
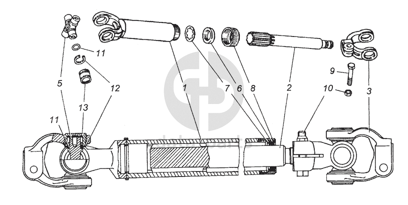
53205-3422010-75 Вал карданный в сборе КамАЗ-53504 (6х6)
Главная
/
Графические каталоги
/
КамАЗ
/
КамАЗ-53504 (6х6)
/
53205-3422010-75 Вал карданный в сборе
1
2
3
5
6
7
8
9
10
11
11
12
13
%
1
5320-3422034
Вилка со шлицевой втулкой в сборе
Кол-во
1
?
Оставить заявку
2
53205-3422038-75
Шлицевый вал
Кол-во
1
?
Оставить заявку
3
4310-3422027
Вилка карданного вала
Кол-во
3
?
Узнать цену
4310-3422027
Вилка КАМАЗ вала карданного рулевого
Производство:
ПАО КАМАЗ
7 в наличии
854
p
В корзину
5
5320-3422039
Крестовина карданного вала
Кол-во
2
?
Узнать цену
5320-3422039
Крестовина КАМАЗ вала карданного руля в сборе
Производство:
Россия
Под заказ
цена по запросу
В корзину
5320-3422039
Крестовина КАМАЗ вала карданного руля в сборе
Производство:
ПАО КАМАЗ
Под заказ
884
p
В корзину
6
5320-3422047
Кольцо уплотнительное
Кол-во
1
?
Оставить заявку
7
5320-3422049
Кольцо упорное
Кол-во
1
?
Узнать цену
5320-3422049
кольцо упорное сальника
Производство:
ПАО КАМАЗ
Под заказ
16
p
В корзину
8
5320-3422051
Обойма уплотнительного кольца
Кол-во
1
?
Узнать цену
5320-3422051
обойма уплотнительного кольца
Производство:
ПАО КАМАЗ
Под заказ
84
p
В корзину
9
853062
Болт М8-6gх45
Кол-во
1
?
Оставить заявку
10
251645
Гайка М8-6Н ОСТ 37.001.197-75
Кол-во
1
?
Оставить заявку
11
864202
Кольцо уплотнительное крестовины руля
Кол-во
8
?
Оставить заявку
12
862805
Кольцо упорное
Кол-во
8
?
Оставить заявку
13
704902К6УС10
Подшипник роликовый игольчатый с одним наружным кольцом ТУ 37-006-065-74
Кол-во
8
?
Оставить заявку
Получить консультацию
У нас большой опыт по подбору запчастей, и мы с радостью поможем вам найти нужную деталь, даже если вы не знаете ее артикул
Дмитрий Иванов
Директор отдела продаж
Мобильный номер:
8 (912) 474-74-74
E-mail:
td.uralval@mail.ru
Вы должны включить JavaScript чтобы использовать эту форму.
Ваше имя
Ваш телефон
Комментарий
Я соглашаюсь с
Политикой конфиденциальности
и даю согласие на обработку персональных данных.
Feed me
Отправить