Запчасти для грузовых автомобилей
8-800-555-32-41
Перезвоните мне
Отправить готовую заявку
0
Корзина
Поиск
КАТАЛОГ ПРОДУКЦИИ
Запчасти УРАЛ
Запчасти КамАЗ
Запчасти АМТ
Запчасти ЧТЗ
Запчасти погрузчиков Dalian
Запчасти ЯМЗ
Двигатели ЯМЗ в сборе
Запчасти Shaanxi Fast Gear
Лебедки
Спецпредложения
О компании
Доставка и оплата
Гарантии и сервис
Контакты
Графические каталоги запчастей
43114-2401081 Цапфа заднего моста левая КамАЗ-53504 (6х6)
Главная
/
Графические каталоги
/
КамАЗ
/
КамАЗ-53504 (6х6)
/
43114-2401081 Цапфа заднего моста левая
%
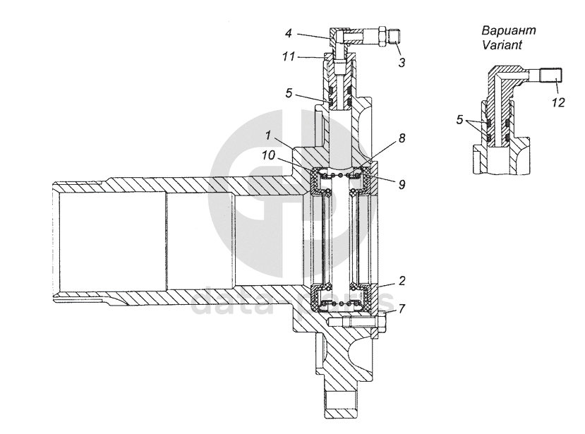
1
43114-2304085
Цапфа поворотного кулака левая
Кол-во
1
?
Оставить заявку
1
43114-2304084
Цапфа поворотного кулака правая
Кол-во
1
?
Узнать цену
43114-2304084
цапфа правая
Производство:
ПАО КАМАЗ
Под заказ
11 635
p
В корзину
2
4310-2401129
Кольцо цапфы
Кол-во
1
?
Узнать цену
4310-2401129
Кольцо КАМАЗ-4310 цапфы заднего моста
Производство:
ПАО КАМАЗ
10 в наличии
395
p
В корзину
3
4310-3124065
Штуцер ввертный передних колес
Кол-во
1
?
Узнать цену
4310-3124065
Штуцер КАМАЗ подкачки колеса переднего
Производство:
ПАО КАМАЗ
Под заказ
53
p
В корзину
4
4310-3124069
Переходник системы накачки шин задних колес
Кол-во
1
?
Узнать цену
4310-3124069
переходник
Производство:
ПАО КАМАЗ
Под заказ
182
p
В корзину
5
4310-3124079
Кольцо уплотнительное
Кол-во
2
?
Оставить заявку
7
1/42381/21
Болт самоконтрящийся
Кол-во
4
?
Оставить заявку
8
620-3124027
Пружина распорная
Кол-во
1
?
Оставить заявку
9
620-3124044
Кольцо опорное
Кол-во
2
?
Оставить заявку
10
620-3124050
Манжета в сборе
Кол-во
2
?
Узнать цену
620-3124050
манжета
Производство:
ПАО КАМАЗ
Под заказ
цена по запросу
В корзину
11
620-3124063
Штуцер
Кол-во
1
?
Оставить заявку
12
620-3124064
Угольник
Кол-во
1
?
Оставить заявку
1
43114-2401080
Цапфа заднего моста правая
Кол-во
0
?
Узнать цену
43114-2401080
Цапфа КАМАЗ правая в сборе
Производство:
ПАО КАМАЗ
Под заказ
17 605
p
В корзину
2
43114-2401081
Цапфа заднего моста левая
Кол-во
0
?
Узнать цену
43114-2401081
Цапфа КАМАЗ левая в сборе
Производство:
ПАО КАМАЗ
3 в наличии
17 605
p
В корзину
Получить консультацию
У нас большой опыт по подбору запчастей, и мы с радостью поможем вам найти нужную деталь, даже если вы не знаете ее артикул
Дмитрий Иванов
Директор отдела продаж
Мобильный номер:
8 (912) 474-74-74
E-mail:
td.uralval@mail.ru
Вы должны включить JavaScript чтобы использовать эту форму.
Ваше имя
Ваш телефон
Комментарий
Я соглашаюсь с
Политикой конфиденциальности
и даю согласие на обработку персональных данных.
Feed me
Отправить