Запчасти для грузовых автомобилей
8-800-555-32-41
Перезвоните мне
Отправить готовую заявку
0
Корзина
Поиск
КАТАЛОГ ПРОДУКЦИИ
Запчасти УРАЛ
Запчасти КамАЗ
Запчасти АМТ
Запчасти ЧТЗ
Запчасти погрузчиков Dalian
Запчасти ЯМЗ
Двигатели ЯМЗ в сборе
Запчасти Shaanxi Fast Gear
Лебедки
Спецпредложения
О компании
Доставка и оплата
Гарантии и сервис
Контакты
Графические каталоги запчастей
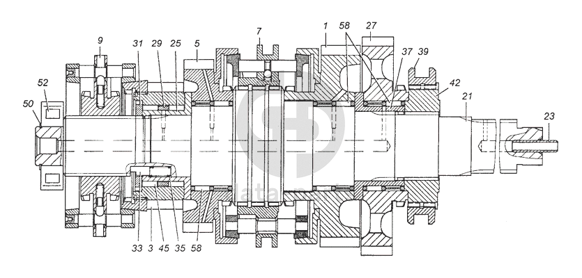
161.1701100 Вал вторичный коробки передач в сборе КамАЗ-53504 (6х6)
Главная
/
Графические каталоги
/
КамАЗ
/
КамАЗ-53504 (6х6)
/
161.1701100 Вал вторичный коробки передач в сборе
1
3
5
7
9
21
23
25
27
29
31
33
35
37
39
42
45
50
52
58
58
%
1
161.1701110
Шестерня первой передачи вторичного вала в сборе
Кол-во
1
?
Оставить заявку
3
161.1701114
Шестерня четвертой передачи вторичного вала в сборе
Кол-во
1
?
Оставить заявку
5
161.1701120
Шестерня второй передачи вторичного вала в сборе
Кол-во
1
?
Оставить заявку
7
161.1701150
Синхронизатор первой и второй передач в сборе
Кол-во
1
?
Оставить заявку
9
161.1701151
Синхронизатор третьей и четвертой передач в сборе
Кол-во
1
?
Оставить заявку
21
161.1701105
Вал вторичный коробки передач
Кол-во
1
?
Оставить заявку
23
161.1701106
Втулка маслоперепускная
Кол-во
1
?
Оставить заявку
25
161.1701139
Втулка шестерни четвертой передачи
Кол-во
1
?
Оставить заявку
27
161.1701140
Шестерня заднего хода вторичного вала
Кол-во
1
?
Оставить заявку
29
161.1701143
Втулка промежуточная роликов
Кол-во
1
?
Оставить заявку
31
161.1701144
Шайба упорная
Кол-во
1
?
Оставить заявку
33
14.1701145
Шпонка замковая упорной шайбы
Кол-во
1
?
Узнать цену
14.1701145
шпонка
Производство:
ПАО КАМАЗ
9 в наличии
81
p
В корзину
35
14.1701146
Пружина замковой шпонки
Кол-во
1
?
Оставить заявку
37
14.1701278
Втулка шестерни заднего хода
Кол-во
1
?
Узнать цену
14.1701278
Втулка КАМАЗ шестерни заднего хода КПП
Производство:
ПАО КАМАЗ
2 в наличии
1 192
p
В корзину
39
161.1701280
Муфта включения первой передачи и заднего хода
Кол-во
1
?
Оставить заявку
42
161.1701282
Втулка муфты заднего хода
Кол-во
1
?
Оставить заявку
45
5.5x15.8 ГОСТ 25255-82
Ролик
Кол-во
88
?
Оставить заявку
50
14.1701067
Кольцо В40 ГОСТ 13941-86
Кол-во
1
?
Оставить заявку
52
70-92308А
Подшипник роликовый радиальный с короткими цилиндрическими роликами ГОСТ 520-89
Кол-во
1
?
Оставить заявку
58
664916Д
Подшипник роликовый радиальный с длинными цилиндрическими роликами двухрядный без колец
Кол-во
3
?
Оставить заявку
Получить консультацию
У нас большой опыт по подбору запчастей, и мы с радостью поможем вам найти нужную деталь, даже если вы не знаете ее артикул
Дмитрий Иванов
Директор отдела продаж
Мобильный номер:
8 (912) 474-74-74
E-mail:
td.uralval@mail.ru
Вы должны включить JavaScript чтобы использовать эту форму.
Ваше имя
Ваш телефон
Комментарий
Я соглашаюсь с
Политикой конфиденциальности
и даю согласие на обработку персональных данных.
Feed me
Отправить