Запчасти для грузовых автомобилей
8-800-555-32-41
Перезвоните мне
Отправить готовую заявку
0
Корзина
Поиск
КАТАЛОГ ПРОДУКЦИИ
Запчасти УРАЛ
Запчасти КамАЗ
Запчасти АМТ
Запчасти ЧТЗ
Запчасти погрузчиков Dalian
Запчасти ЯМЗ
Двигатели ЯМЗ в сборе
Запчасти Shaanxi Fast Gear
Лебедки
Спецпредложения
О компании
Доставка и оплата
Гарантии и сервис
Контакты
Графические каталоги запчастей
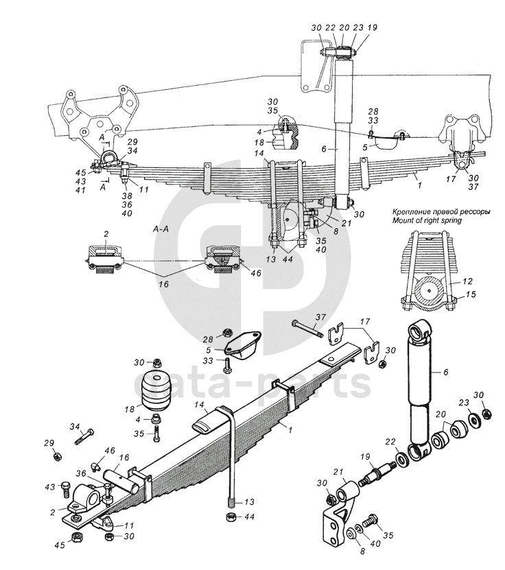
43114-2900001 Подвеска передняя в сборе КамАЗ-53501 (6х6)
Главная
/
Графические каталоги
/
КамАЗ
/
КамАЗ-53501 (6х6)
/
43114-2900001 Подвеска передняя в сборе
1
1
2
2
4
4
5
5
6
6
8
8
11
11
12
13
13
14
14
15
16
16
17
17
18
18
19
19
20
20
21
21
22
22
23
23
28
28
29
29
30
30
30
30
30
30
30
30
30
33
33
34
34
35
35
35
35
36
36
37
37
38
40
40
40
41
43
43
44
44
45
45
46
46
%
1
55111-2902012-01
Рессора передняя в сборе
Кол-во
2
?
Оставить заявку
2
43114-2902018
Ушко с втулкой в сборе
Кол-во
2
?
Оставить заявку
4
5320-2902635
Втулка буфера в сборе
Кол-во
2
?
Узнать цену
5320-2902635
Втулка КАМАЗ буфера рессоры передней
Производство:
ПАО КАМАЗ
6 в наличии
169
p
В корзину
5
4310-2902684
Буфер дополнительный в сборе
Кол-во
2
?
Оставить заявку
6
4310-2905006
Амортизатор передней подвески в сборе
Кол-во
2
?
Оставить заявку
8
5320-2403072
Втулка разжимная шпильки полуоси
Кол-во
4
?
Узнать цену
5320-2403072
Втулка КАМАЗ разжимная шпильки полуоси d=16мм
Производство:
ПАО КАМАЗ
53 в наличии
45
p
В корзину
11
5320-2902128-10
Накладка ушка
Кол-во
2
?
Узнать цену
5320-2902128-10
Накладка КАМАЗ ушка рессоры
Производство:
ПАО КАМАЗ
5 в наличии
853
p
В корзину
12
4310-2912408-10
Стремянка передней рессоры правая
Кол-во
2
?
Оставить заявку
13
4310-2902409-10
Стремянка левая
Кол-во
2
?
Узнать цену
4310-2902409-10
Стремянка КАМАЗ-4310 рессоры передней h=370мм
Производство:
ПАО КАМАЗ
15 в наличии
1 309
p
В корзину
14
4310-2902412-10
Накладка передней рессоры
Кол-во
2
?
Узнать цену
4310-2902412-10
Накладка КАМАЗ рессоры передней
Производство:
ПАО КАМАЗ
Под заказ
3 020
p
В корзину
15
4310-2902418
Подкладка
Кол-во
1
?
Узнать цену
4310-2902418
подкладка стремянок
Производство:
ПАО КАМАЗ
Под заказ
2 656
p
В корзину
16
5320-2902478
Палец ушка
Кол-во
2
?
Узнать цену
5320-2902478
Палец КАМАЗ ушка рессоры
Производство:
ПАО КАМАЗ
Под заказ
1 371
p
В корзину
17
5320-2902545-10
Вкладыш
Кол-во
4
?
Узнать цену
5320-2902545-10
Вкладыш КАМАЗ рессоры передней
Производство:
ПАО КАМАЗ
83 в наличии
466
p
В корзину
18
5320-2902624
Буфер передней рессоры
Кол-во
2
?
Оставить заявку
19
53212-2905418
Палец крепления амортизатора
Кол-во
4
?
Узнать цену
53212-2905418
Палец КАМАЗ крепления амортизатора
Производство:
ПАО КАМАЗ
Под заказ
913
p
В корзину
20
53212-2905486
Втулка крепления амортизатора
Кол-во
8
?
Оставить заявку
21
4310-2905519
Кронштейн амортизатора передней подвески нижний
Кол-во
2
?
Узнать цену
4310-2905519
Кронштейн КАМАЗ-4310 амортизатора переднего нижний
Производство:
ПАО КАМАЗ
Под заказ
1 502
p
В корзину
22
53212-2905574
Шайба упорная
Кол-во
4
?
Узнать цену
53212-2905574
Шайба КАМАЗ упорная пальца амортизатора
Производство:
ПАО КАМАЗ
29 в наличии
81
p
В корзину
23
53212-2905576
Шайба упорная
Кол-во
4
?
Узнать цену
53212-2905576
Шайба КАМАЗ упорная втулки амортизатора
Производство:
ПАО КАМАЗ
25 в наличии
157
p
В корзину
28
251646
Гайка М10х1,25-6Н ОСТ 37.001.197-75
Кол-во
4
?
Оставить заявку
29
251648
Гайка М14х1,5-6Н ОСТ 37.001.197-75
Кол-во
4
?
Узнать цену
251648
Гайка М14х1,5-6Н, крепления кардана нового образца (самоконтрящаяся)
Производство:
Россия
Под заказ
цена по запросу
В корзину
30
251649
Гайка М16х1,5-6Н ОСТ 37.001.197-97
Кол-во
12
?
Оставить заявку
33
1/59707/21
Болт М10х1,25-6gх25
Кол-во
4
?
Оставить заявку
34
1/58621/31
Болт М14х1,5-6gх80
Кол-во
4
?
Оставить заявку
35
1/58405/31
Болт М16х1,5-6gх50
Кол-во
6
?
Оставить заявку
36
1/12541/21
Болт М16х1,5-6gх80
Кол-во
4
?
Оставить заявку
37
1/58643/31
Болт М16х1,5-6gх130
Кол-во
2
?
Оставить заявку
38
1/21641/11
Гайка М16х1,5-6Н
Кол-во
4
?
Оставить заявку
40
1/05172/77
Шайба 16 пружинная
Кол-во
8
?
Оставить заявку
41
1/05174/77
Шайба 20 пружинная
Кол-во
2
?
Оставить заявку
43
853050
Болт М20х1,5-6gх45
Кол-во
2
?
Оставить заявку
44
853510
Гайка
Кол-во
8
?
Узнать цену
853510
гайка
Производство:
ПАО КАМАЗ
Под заказ
цена по запросу
В корзину
45
853528
Гайка М20х1,5-6Н
Кол-во
2
?
Узнать цену
853528
Гайка крепления ушка передней рессоры самаконтрящая (М20*1,5) н/о
Производство:
Россия
Под заказ
цена по запросу
В корзину
46
864006
Масленка 1.3.Ц6хр.ГОСТ 19853-74
Кол-во
2
?
Оставить заявку
Получить консультацию
У нас большой опыт по подбору запчастей, и мы с радостью поможем вам найти нужную деталь, даже если вы не знаете ее артикул
Дмитрий Иванов
Директор отдела продаж
Мобильный номер:
8 (912) 474-74-74
E-mail:
td.uralval@mail.ru
Вы должны включить JavaScript чтобы использовать эту форму.
Ваше имя
Ваш телефон
Комментарий
Я соглашаюсь с
Политикой конфиденциальности
и даю согласие на обработку персональных данных.
Feed me
Отправить