Запчасти для грузовых автомобилей
8-800-555-32-41
Перезвоните мне
Отправить готовую заявку
0
Корзина
Поиск
КАТАЛОГ ПРОДУКЦИИ
Запчасти УРАЛ
Запчасти КамАЗ
Запчасти АМТ
Запчасти ЧТЗ
Запчасти погрузчиков Dalian
Запчасти ЯМЗ
Двигатели ЯМЗ в сборе
Запчасти Shaanxi Fast Gear
Лебедки
Спецпредложения
О компании
Доставка и оплата
Гарантии и сервис
Контакты
Графические каталоги запчастей
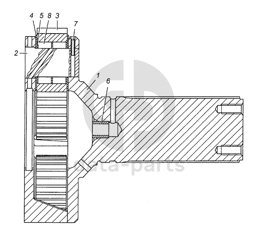
161.1721022 Водило с сателлитами в сборе КамАЗ-53501 (6х6)
Главная
/
Графические каталоги
/
КамАЗ
/
КамАЗ-53501 (6х6)
/
161.1721022 Водило с сателлитами в сборе
1
2
3
4
5
6
7
8
%
1
161.1721025
Водило
Кол-во
1
?
Оставить заявку
2
161.1721030
Ось сателлита
Кол-во
5
?
Оставить заявку
3
161.1721033
Сателлит демультипликатора
Кол-во
5
?
Оставить заявку
4
161.1721034
Шайба упорная
Кол-во
10
?
Оставить заявку
5
161.1721041
Шайба промежуточная роликов сателлита
Кол-во
15
?
Оставить заявку
6
161.1721044
Втулка
Кол-во
1
?
Оставить заявку
7
870755
Штифт 5х20
Кол-во
5
?
Оставить заявку
8
8x16 ГОСТ 22696-77
Ролик
Кол-во
170
?
Оставить заявку
Получить консультацию
У нас большой опыт по подбору запчастей, и мы с радостью поможем вам найти нужную деталь, даже если вы не знаете ее артикул
Дмитрий Иванов
Директор отдела продаж
Мобильный номер:
8 (912) 474-74-74
E-mail:
td.uralval@mail.ru
Вы должны включить JavaScript чтобы использовать эту форму.
Ваше имя
Ваш телефон
Комментарий
Я соглашаюсь с
Политикой конфиденциальности
и даю согласие на обработку персональных данных.
Feed me
Отправить