Запчасти для грузовых автомобилей
8-800-555-32-41
Перезвоните мне
Отправить готовую заявку
0
Корзина
Поиск
КАТАЛОГ ПРОДУКЦИИ
Запчасти УРАЛ
Запчасти КамАЗ
Запчасти АМТ
Запчасти ЧТЗ
Запчасти погрузчиков Dalian
Запчасти ЯМЗ
Двигатели ЯМЗ в сборе
Запчасти Shaanxi Fast Gear
Лебедки
Спецпредложения
О компании
Доставка и оплата
Гарантии и сервис
Контакты
Графические каталоги запчастей
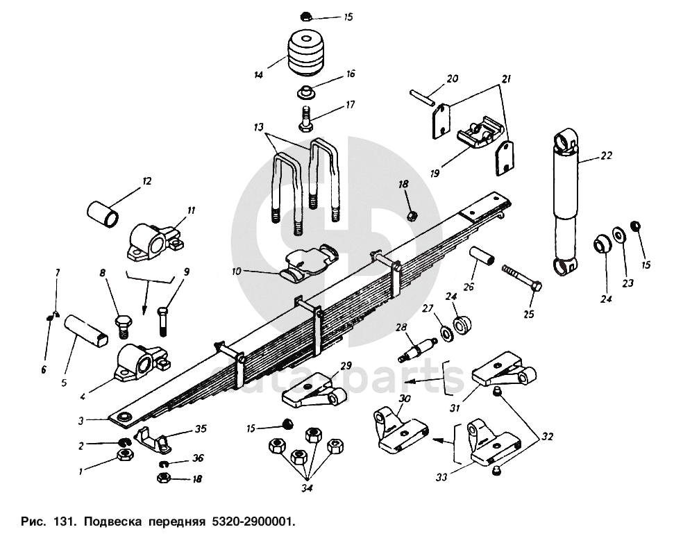
Подвеска передняя КамАЗ-5320
Главная
/
Графические каталоги
/
КамАЗ
/
КамАЗ-5320
/
Подвеска передняя
1
2
3
4
5
6
7
8
9
10
11
12
13
14
15
15
15
16
17
18
18
19
20
21
22
23
24
24
25
26
27
28
29
30
31
32
33
34
35
36
%
1
1/21643/11
Гайка М20х1,25-6Н
Кол-во
2
?
Узнать цену
1/21643/11
Гайка М20х1.5-Н6 многоцелевая
Производство:
АЗ Урал
Под заказ
цена по запросу
В корзину
2
1/05174/77
Шайба 20 пружинная
Кол-во
2
?
Оставить заявку
3
5320-2902012
Рессора передняя в сборе
Кол-во
2
?
Оставить заявку
4
5320-2902020
Ушко со втулкой в сборе
Кол-во
2
?
Оставить заявку
5
5320-2902478
Палец ушка
Кол-во
2
?
Узнать цену
5320-2902478
Палец КАМАЗ ушка рессоры
Производство:
ПАО КАМАЗ
Под заказ
1 371
p
В корзину
6
864006
Масленка 1.3.Ц6хр.ГОСТ 19853-74
Кол-во
2
?
Оставить заявку
7
864010
Штуцер масленки КГ1/8"
Кол-во
2
?
Оставить заявку
8
Болт М20х1,5-6gх45
Болт М20х1,5-6gх45
Кол-во
2
?
Оставить заявку
9
1/12541/21
Болт М16х1,5-6gх80
Кол-во
4
?
Оставить заявку
10
5320-2902412
Накладка рессоры
Кол-во
2
?
Узнать цену
5320-2902412
Накладка КАМАЗ рессоры передней
Производство:
ПАО КАМАЗ
Под заказ
1 208
p
В корзину
11
5320-2902126
Ушко передней рессоры
Кол-во
1
?
Узнать цену
5320-2902126
Ушко рессоры КАМАЗ передней
Производство:
ПАО КАМАЗ
Под заказ
1 622
p
В корзину
12
5320-2902028
Втулка ушка
Кол-во
1
?
Оставить заявку
13
5320-2902408
Стремянка
Кол-во
4
?
Узнать цену
5320-2902408
Стремянка КАМАЗ-5320 5511 рессоры передней h=240мм
Производство:
ПАО КАМАЗ
152 в наличии
726
p
В корзину
14
5320-2902624
Буфер передней рессоры
Кол-во
2
?
Оставить заявку
15
251649
Гайка М16х1,5-6Н ОСТ 37.001.197-97
Кол-во
10
?
Оставить заявку
16
5320-2902635
Втулка буфера в сборе
Кол-во
2
?
Узнать цену
5320-2902635
Втулка КАМАЗ буфера рессоры передней
Производство:
ПАО КАМАЗ
6 в наличии
169
p
В корзину
17
1/58405/31
Болт М16х1,5-6gх50
Кол-во
2
?
Оставить заявку
18
1/21640/11
Гайка М14х1,5-6Н
Кол-во
6
?
Оставить заявку
19
5320-2902520
Сухарь
Кол-во
2
?
Узнать цену
5320-2902520
Сухарь КАМАЗ рессоры передней
Производство:
ПАО КАМАЗ
27 в наличии
1 453
p
В корзину
20
5320-2902547
Палец сухаря
Кол-во
2
?
Оставить заявку
21
5320-2902545
Вкладыш
Кол-во
4
?
Узнать цену
5320-2902545
вкладыш задний кронштейна
Производство:
ПАО КАМАЗ
Под заказ
359
p
В корзину
22
53212-2905006
Амортизатор в сборе
Кол-во
2
?
Оставить заявку
23
53212-2905576
Шайба упорная
Кол-во
2
?
Узнать цену
53212-2905576
Шайба КАМАЗ упорная втулки амортизатора
Производство:
ПАО КАМАЗ
25 в наличии
157
p
В корзину
24
53212-2905486
Втулка крепления амортизатора
Кол-во
4
?
Оставить заявку
25
1/14221/31
Болт М14х1,5-6gх130
Кол-во
2
?
Оставить заявку
26
5320-2902487
Втулка стяжного болта
Кол-во
2
?
Оставить заявку
27
53212-2905574
Шайба упорная
Кол-во
2
?
Узнать цену
53212-2905574
Шайба КАМАЗ упорная пальца амортизатора
Производство:
ПАО КАМАЗ
29 в наличии
81
p
В корзину
28
53212-2905418
Палец крепления амортизатора
Кол-во
4
?
Узнать цену
53212-2905418
Палец КАМАЗ крепления амортизатора
Производство:
ПАО КАМАЗ
Под заказ
913
p
В корзину
29
5320-2905535
Кронштейн амортизатора нижний левый в сборе
Кол-во
1
?
Узнать цену
5320-2905535
Кронштейн КАМАЗ амортизатора левый в сборе
Производство:
ПАО КАМАЗ
Под заказ
1 923
p
В корзину
30
5320-2905534
Кронштейн амортизатора нижний правый в сборе
Кол-во
1
?
Узнать цену
5320-2905534
Кронштейн КАМАЗ амортизатора правый в сборе
Производство:
ПАО КАМАЗ
Под заказ
1 923
p
В корзину
31
5320-2905519
Кронштейн левый
Кол-во
1
?
Оставить заявку
32
5320-2918428
Фиксатор
Кол-во
1
?
Узнать цену
5320-2918428
Фиксатор КАМАЗ башмака рессоры
Производство:
ПАО КАМАЗ
81 в наличии
83
p
В корзину
33
5320-2905518
Кронштейн амортизатора правый
Кол-во
1
?
Оставить заявку
34
853525
Гайка М20х1,5-6Н
Кол-во
8
?
Оставить заявку
35
5320-2902128-18
Накладка ушка
Кол-во
2
?
Оставить заявку
36
1/05172/77
Шайба 16 пружинная
Кол-во
4
?
Оставить заявку
Получить консультацию
У нас большой опыт по подбору запчастей, и мы с радостью поможем вам найти нужную деталь, даже если вы не знаете ее артикул
Дмитрий Иванов
Директор отдела продаж
Мобильный номер:
8 (912) 474-74-74
E-mail:
td.uralval@mail.ru
Вы должны включить JavaScript чтобы использовать эту форму.
Ваше имя
Ваш телефон
Комментарий
Я соглашаюсь с
Политикой конфиденциальности
и даю согласие на обработку персональных данных.
Feed me
Отправить