Запчасти для грузовых автомобилей
8-800-555-32-41
Перезвоните мне
Отправить готовую заявку
0
Корзина
Поиск
КАТАЛОГ ПРОДУКЦИИ
Запчасти УРАЛ
Запчасти КамАЗ
Запчасти АМТ
Запчасти ЧТЗ
Запчасти погрузчиков Dalian
Запчасти ЯМЗ
Двигатели ЯМЗ в сборе
Запчасти Shaanxi Fast Gear
Лебедки
Спецпредложения
О компании
Доставка и оплата
Гарантии и сервис
Контакты
Графические каталоги запчастей
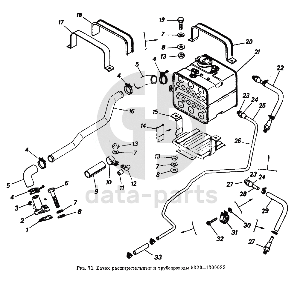
Бачок расширительный и трубопроводы КамАЗ-5320
Главная
/
Графические каталоги
/
КамАЗ
/
КамАЗ-5320
/
Бачок расширительный и трубопроводы
1
2
3
4
4
4
4
4
5
5
5
6
7
7
7
7
7
8
8
8
8
9
10
11
12
13
13
13
13
14
15
16
17
18
19
20
21
22
23
23
23
24
24
24
25
26
27
27
27
28
29
30
31
32
33
%
1
5320-1311058
Прокладка патрубка расширительного бачка
Кол-во
1
?
Оставить заявку
2
5320-1311055
Патрубок
Кол-во
1
?
Узнать цену
5320-1311055
Патрубок КАМАЗ бачка расширительного
Производство:
ПАО КАМАЗ
Под заказ
902
p
В корзину
3
870882
Пробка коническая транспортная КГ 3/8"
Кол-во
1
?
Оставить заявку
4
5320-1303032
Хомут 43 в сборе
Кол-во
4
?
Узнать цену
5320-1303032
Хомут КАМАЗ радиатора
Производство:
ПАО КАМАЗ
Под заказ
209
p
В корзину
5
5320-1311049
Рукав
Кол-во
2
?
Оставить заявку
6
1/60440/21
Болт М8-6gх40
Кол-во
3
?
Оставить заявку
7
1/05166/77
Шайба 8 пружинная
Кол-во
10
?
Узнать цену
1/05166/77
Шайба
Производство:
АО ЯЗДА
Под заказ
38
p
В корзину
8
1/05196/01
Шайба плоская 8х17
Кол-во
9
?
Узнать цену
1/05196/01
Шайба 8*17 1/05196
Производство:
АО ЯЗДА
Под заказ
18
p
В корзину
9
5320-1311117
Прокладка хомута
Кол-во
1
?
Оставить заявку
10
864408
Хомут 37
Кол-во
1
?
Узнать цену
864408
Хомут КАМАЗ бачка расширительного
Производство:
ПАО КАМАЗ
Под заказ
234
p
В корзину
11
5320-1311089
Прокладка хомута
Кол-во
1
?
Оставить заявку
12
864411
Хомут 20 специальный
Кол-во
1
?
Узнать цену
864411
Хомут КАМАЗ рамный D=20мм
Производство:
ПАО КАМАЗ
Под заказ
95
p
В корзину
13
1/61008/11
Гайка М8х1,25-6Н
Кол-во
7
?
Оставить заявку
14
5320-1311069
Прокладка
Кол-во
2
?
Оставить заявку
15
5320-1311025
Кронштейн в сборе
Кол-во
1
?
Оставить заявку
16
5320-1311091
Труба перепускная
Кол-во
1
?
Узнать цену
5320-1311091
трубка
Производство:
ПАО КАМАЗ
Под заказ
1 538
p
В корзину
17
5320-1311087
Скоба
Кол-во
1
?
Оставить заявку
18
5320-1311068
Прокладка хомута
Кол-во
1
?
Оставить заявку
19
1/60436/21
Болт М8-6gх25
Кол-во
2
?
Оставить заявку
20
5320-1311086
Скоба верхняя в сборе
Кол-во
1
?
Оставить заявку
21
5320-1311010
Бачок в сборе
Кол-во
1
?
Оставить заявку
22
5320-1311064-01
Трубка от компрессора в сборе
Кол-во
1
?
Оставить заявку
23
864817
Муфта конусная 12
Кол-во
1
?
Узнать цену
864817
муфта
Производство:
ПАО КАМАЗ
Под заказ
94
p
В корзину
24
864813
Гайка накидная М18х1,5-6Н
Кол-во
1
?
Оставить заявку
25
5320-1311061-10
Трубка 12х1
Кол-во
1
?
Оставить заявку
26
5320-1311054-10
Трубка воздухоотводящая в сборе
Кол-во
1
?
Оставить заявку
27
5320-1311067
Трубка в сборе
Кол-во
1
?
Узнать цену
5320-1311067
Труба КАМАЗ от бачка расширительного к водяному насосу
Производство:
ПАО КАМАЗ
Под заказ
256
p
В корзину
28
5320-1311078
Трубка 12х1
Кол-во
1
?
Оставить заявку
29
5320-1311066
Рукав
Кол-во
1
?
Оставить заявку
30
1/01969/01
Гайка М4-6Н
Кол-во
2
?
Оставить заявку
31
1/01728/01
Хомут 19
Кол-во
2
?
Узнать цену
1/01728/01
хомутик
Производство:
ПАО КАМАЗ
Под заказ
100
p
В корзину
32
1/32696/01
Винт М4-6gх25
Кол-во
2
?
Оставить заявку
33
5320-1311063-01
Рукав от радиатора к бачку
Кол-во
1
?
Оставить заявку
Получить консультацию
У нас большой опыт по подбору запчастей, и мы с радостью поможем вам найти нужную деталь, даже если вы не знаете ее артикул
Дмитрий Иванов
Директор отдела продаж
Мобильный номер:
8 (912) 474-74-74
E-mail:
td.uralval@mail.ru
Вы должны включить JavaScript чтобы использовать эту форму.
Ваше имя
Ваш телефон
Комментарий
Я соглашаюсь с
Политикой конфиденциальности
и даю согласие на обработку персональных данных.
Feed me
Отправить