Запчасти для грузовых автомобилей
8-800-555-32-41
Перезвоните мне
Отправить готовую заявку
0
Корзина
Поиск
КАТАЛОГ ПРОДУКЦИИ
Запчасти УРАЛ
Запчасти КамАЗ
Запчасти АМТ
Запчасти ЧТЗ
Запчасти погрузчиков Dalian
Запчасти ЯМЗ
Двигатели ЯМЗ в сборе
Запчасти Shaanxi Fast Gear
Лебедки
Спецпредложения
О компании
Доставка и оплата
Гарантии и сервис
Контакты
Графические каталоги запчастей
Трубопроводы топливные КамАЗ-5320
Главная
/
Графические каталоги
/
КамАЗ
/
КамАЗ-5320
/
Трубопроводы топливные
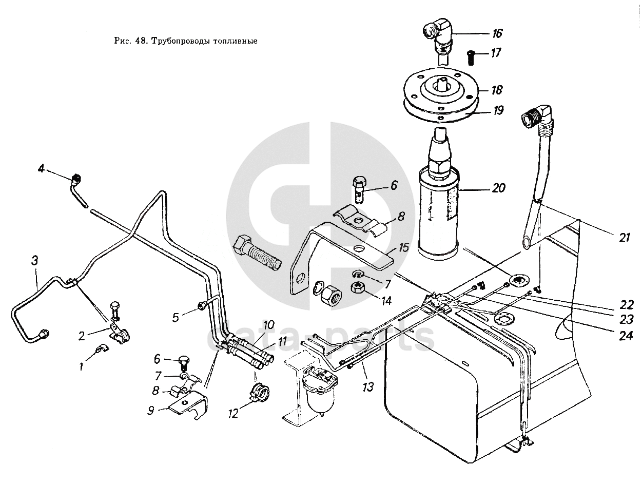
1
2
3
4
5
6
6
7
7
8
8
9
10
11
12
13
13
14
15
16
17
18
19
20
21
22
23
24
%
1
740.3407034
Прокладка
Кол-во
1
?
Оставить заявку
2
1/04184/01
Скоба закрытая 12
Кол-во
1
?
Узнать цену
1/04184/01
Скоба закрытая
Производство:
ПАО КАМАЗ
Под заказ
34
p
В корзину
3
5320-1104254-01
Трубка в сборе
Кол-во
1
?
Оставить заявку
4
5320-1104146
Трубка слива топлива в бак топливный передняя
Кол-во
1
?
Оставить заявку
5
5320-1104156
Трубка слива топлива от форсунок в сборе
Кол-во
1
?
Узнать цену
5320-1104156
труба
Производство:
ПАО КАМАЗ
Под заказ
508
p
В корзину
6
1/60432/21
Болт М8-6gх16
Кол-во
2
?
Оставить заявку
7
1/05166/77
Шайба 8 пружинная
Кол-во
2
?
Узнать цену
1/05166/77
Шайба
Производство:
АО ЯЗДА
Под заказ
38
p
В корзину
8
5320-1104119
Скоба крепления топливопроводов
Кол-во
2
?
Узнать цену
5320-1104119
скоба топливопровода
Производство:
ПАО КАМАЗ
Под заказ
38
p
В корзину
9
5320-1104104
Кронштейн в сборе
Кол-во
1
?
Оставить заявку
10
5320-1104102
Рукав соединительный топливопроводов
Кол-во
2
?
Оставить заявку
11
5320-1104159
Шланг соединительный топливных трубопроводов
Кол-во
1
?
Оставить заявку
12
1/01688/90
Хомут 19 в сборе
Кол-во
4
?
Оставить заявку
13
5410-1104260
Трубка от фильтра грубой . очистки топлива к насосу низкого давления задняя в сборе
Кол-во
0
?
Оставить заявку
13
5320-1104260
Трубка от фильтра грубой очистки топлива к насосу низкого давления в сборе
Кол-во
1
?
Узнать цену
5320-1104260
Трубка топливная КАМАЗ от ФГОТ
Производство:
ПАО КАМАЗ
Под заказ
425
p
В корзину
14
1/61008/11
Гайка М8х1,25-6Н
Кол-во
1
?
Оставить заявку
15
5320-1104083
Кронштейн крепления топливных трубопроводов
Кол-во
1
?
Узнать цену
5320-1104083
кронштейн
Производство:
ПАО КАМАЗ
Под заказ
84
p
В корзину
16
5320-1104015
Трубка приемная с угольником в сборе
Кол-во
1
?
Узнать цену
5320-1104015
Топливоприемник КАМАЗ с угольником в сборе
Производство:
ПАО КАМАЗ
Под заказ
591
p
В корзину
17
1/03892/01
Винт М5-6gх8
Кол-во
5
?
Оставить заявку
18
5320-1104021
Фланец крепления приемной трубки
Кол-во
1
?
Оставить заявку
19
5320-3827013
Прокладка датчика
Кол-во
1
?
Оставить заявку
20
5320-1104023
Фильтр приемной трубки в сборе
Кол-во
1
?
Узнать цену
5320-1104023
Сетка КАМАЗ топливоприемника (летняя)
Производство:
ПАО КАМАЗ
Под заказ
1 105
p
В корзину
21
5320-1104136
Трубка слива топлива в бак с угольником в сборе
Кол-во
1
?
Узнать цену
5320-1104136
Трубка топливная КАМАЗ слива топливная в бак в сборе
Производство:
ПАО КАМАЗ
Под заказ
760
p
В корзину
22
5320-1104148
Трубка слива топлива от форсунок в топливный бак задняя в сборе
Кол-во
1
?
Узнать цену
5320-1104148
Трубка топливная КАМАЗ обратки
Производство:
ПАО КАМАЗ
Под заказ
810
p
В корзину
23
5320-1104025
Трубка от топливного бака к фильтру грубой очистки в сборе
Кол-во
1
?
Узнать цену
5320-1104025
Трубка топливная КАМАЗ от бака к фильтру
Производство:
ПАО КАМАЗ
Под заказ
603
p
В корзину
24
5320-1104180
Трубка слива топлива от форсунок в топивный бак задняя в сборе
Кол-во
1
?
Узнать цену
5320-1104180
Трубка топливная КАМАЗ обратки
Производство:
ПАО КАМАЗ
Под заказ
333
p
В корзину
Получить консультацию
У нас большой опыт по подбору запчастей, и мы с радостью поможем вам найти нужную деталь, даже если вы не знаете ее артикул
Дмитрий Иванов
Директор отдела продаж
Мобильный номер:
8 (912) 474-74-74
E-mail:
td.uralval@mail.ru
Вы должны включить JavaScript чтобы использовать эту форму.
Ваше имя
Ваш телефон
Комментарий
Я соглашаюсь с
Политикой конфиденциальности
и даю согласие на обработку персональных данных.
Feed me
Отправить