Запчасти для грузовых автомобилей
8-800-555-32-41
Перезвоните мне
Отправить готовую заявку
0
Корзина
Поиск
КАТАЛОГ ПРОДУКЦИИ
Запчасти УРАЛ
Запчасти КамАЗ
Запчасти АМТ
Запчасти ЧТЗ
Запчасти погрузчиков Dalian
Запчасти ЯМЗ
Двигатели ЯМЗ в сборе
Запчасти Shaanxi Fast Gear
Лебедки
Спецпредложения
О компании
Доставка и оплата
Гарантии и сервис
Контакты
Графические каталоги запчастей
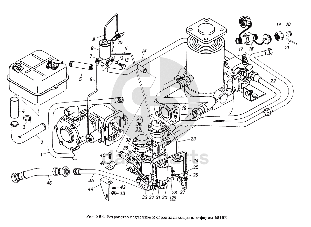
Устройство подъемное и опрокидывающее платформы 55102 КамАЗ-5320
Главная
/
Графические каталоги
/
КамАЗ
/
КамАЗ-5320
/
Устройство подъемное и опрокидывающее платформы 55102
1
2
3
4
5
6
7
8
9
10
11
12
13
14
15
16
17
18
19
20
21
22
23
24
25
26
27
28
29
30
31
32
33
34
35
36
37
38
39
40
41
42
43
44
45
46
%
1
5511-8609135
Труба высокого давления от насоса в сборе
Кол-во
0
?
Оставить заявку
2
551107-8609130-10
Труба низкого давления
Кол-во
0
?
Оставить заявку
3
5511-8609118-20
Рукав
Кол-во
0
?
Оставить заявку
4
1/02912/90
Хомут L=61
Кол-во
0
?
Узнать цену
1/02912/90
хомут
Производство:
ПАО КАМАЗ
Под заказ
92
p
В корзину
5
5511-8609117
Рукав
Кол-во
0
?
Оставить заявку
6
55102-8606025
Трубка подвода воздуха в сборе
Кол-во
0
?
Оставить заявку
7
853965
Угольник 6 ввертный
Кол-во
0
?
Узнать цену
853965
Угольник КАМАЗ М10х10
Производство:
ПАО КАМАЗ
2 в наличии
249
p
В корзину
8
5320-3721500
Клапан пневмосигнала с электромагнитом в сборе
Кол-во
0
?
Узнать цену
5320-3721500
Клапан КАМАЗ, МАЗ с электромагнитом в сборе 24V 151.3747 КАМЭК
Производство:
Россия
Под заказ
цена по запросу
В корзину
9
55102-8606015
Трубка подвода воздуха в сборе
Кол-во
0
?
Оставить заявку
10
864919
Тройник проходной
Кол-во
0
?
Узнать цену
864919
тройник
Производство:
ПАО КАМАЗ
Под заказ
292
p
В корзину
11
55102-8606020
Трубка подвода воздуха в сборе
Кол-во
0
?
Оставить заявку
12
1/05168/70
Шайба 10 пружинная
Кол-во
0
?
Оставить заявку
13
1/59705/21
Болт М10х1,25-6gх20
Кол-во
0
?
Оставить заявку
14
55102-8609152
Трубка низкого давления
Кол-во
0
?
Оставить заявку
15
55102-8609141
Трубка высокого давления в сборе
Кол-во
0
?
Оставить заявку
16
55102-8609090
Рукав высокого давления в сборе
Кол-во
0
?
Оставить заявку
17
55102-8609143
Трубка высокого давления в сборе
Кол-во
0
?
Оставить заявку
18
Н.036.57.000
Устройство запорное
Кол-во
0
?
Оставить заявку
19
555-8609104-10
Гайка накидная
Кол-во
0
?
Оставить заявку
20
18.8609267
Заглушка
Кол-во
0
?
Оставить заявку
21
5511-8609106
Штифт
Кол-во
0
?
Оставить заявку
22
55102-8609170
Труба высокого давления в сборе
Кол-во
0
?
Оставить заявку
23
55102-8606030
Трубка подвода воздуха в сборе
Кол-во
0
?
Оставить заявку
24
5511-8606125
Трубка подвода воздуха в сборе
Кол-во
0
?
Оставить заявку
25
5511-8606200
Клапан предохранительный в сборе
Кол-во
0
?
Оставить заявку
26
864892
Тройник ввертной симметричный
Кол-во
0
?
Узнать цену
864892
Тройник КАМАЗ ввертный М14х1.5 КГ1/8
Производство:
ПАО КАМАЗ
Под заказ
302
p
В корзину
27
5511-8607114
Кронштейн блока управления
Кол-во
0
?
Оставить заявку
28
1/59705/21
Болт М10х1,25-6gх20
Кол-во
0
?
Оставить заявку
29
1/05168/70
Шайба 10 пружинная
Кол-во
0
?
Оставить заявку
30
864822
Угольник ввертной
Кол-во
0
?
Узнать цену
864822
Угольник КАМАЗ М10х14 крана стояночного тормоза
Производство:
ПАО КАМАЗ
25 в наличии
292
p
В корзину
31
5511-8606140
Трубка подвода воздуха в сборе
Кол-во
0
?
Оставить заявку
32
55102-8607115
Тройник ввертный угловой
Кол-во
0
?
Узнать цену
55102-8607115
тройник
Производство:
ПАО КАМАЗ
Под заказ
206
p
В корзину
33
5511-8606120
Трубка подвода воздуха в сборе
Кол-во
0
?
Оставить заявку
34
182.8607005
Блок гидрораспределительный в сборе
Кол-во
0
?
Оставить заявку
35
1/60446/21
Болт М8-6gх70
Кол-во
0
?
Оставить заявку
36
1/61008/11
Гайка М8х1,25-6Н
Кол-во
0
?
Оставить заявку
37
1/05166/70
Шайба 8 пружинная
Кол-во
0
?
Оставить заявку
38
853973
Штуцер ввертной задних колес
Кол-во
0
?
Оставить заявку
39
5511-8606145
Трубка подвода воздуха в сборе
Кол-во
0
?
Оставить заявку
40
1/59705/21
Болт М10х1,25-6gх20
Кол-во
0
?
Оставить заявку
41
18.8609228
Скоба
Кол-во
0
?
Оставить заявку
42
1/05168/70
Шайба 10 пружинная
Кол-во
0
?
Оставить заявку
43
1/21647/11
Гайка М10х1,25-6Н
Кол-во
0
?
Оставить заявку
44
55102-8609369
Кронштейн
Кол-во
0
?
Оставить заявку
45
55102-8609135-10
Труба высокого давления в сборе
Кол-во
0
?
Оставить заявку
46
5511-8609090-01
Рукав высокого давления в сборе
Кол-во
0
?
Оставить заявку
Получить консультацию
У нас большой опыт по подбору запчастей, и мы с радостью поможем вам найти нужную деталь, даже если вы не знаете ее артикул
Дмитрий Иванов
Директор отдела продаж
Мобильный номер:
8 (912) 474-74-74
E-mail:
td.uralval@mail.ru
Вы должны включить JavaScript чтобы использовать эту форму.
Ваше имя
Ваш телефон
Комментарий
Я соглашаюсь с
Политикой конфиденциальности
и даю согласие на обработку персональных данных.
Feed me
Отправить