Запчасти для грузовых автомобилей
8-800-555-32-41
Перезвоните мне
Отправить готовую заявку
0
Корзина
Поиск
КАТАЛОГ ПРОДУКЦИИ
Запчасти УРАЛ
Запчасти КамАЗ
Запчасти АМТ
Запчасти ЧТЗ
Запчасти погрузчиков Dalian
Запчасти ЯМЗ
Двигатели ЯМЗ в сборе
Запчасти Shaanxi Fast Gear
Лебедки
Спецпредложения
О компании
Доставка и оплата
Гарантии и сервис
Контакты
Графические каталоги запчастей
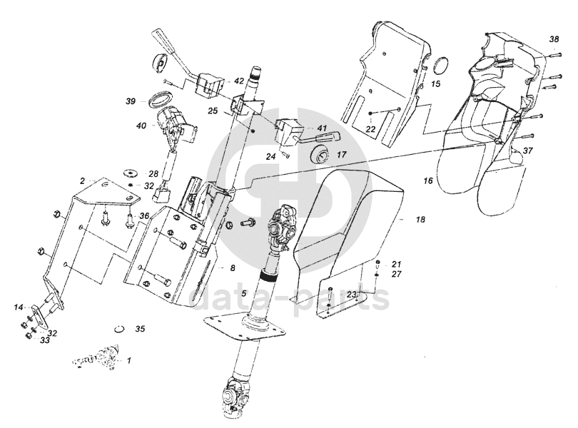
6520-3400004-40 Установка колонки рулевого управления КамАЗ-6460 (Евро 4)
Главная
/
Графические каталоги
/
КамАЗ
/
КамАЗ-6460 (Евро 4)
/
6520-3400004-40 Установка колонки рулевого управления
1
2
8
14
15
16
17
18
21
23
24
25
27
28
32
32
33
35
36
37
38
39
40
41
42
%
1
6520-3406014-19
Установка крана регулировки рулевой колонки
Кол-во
1
?
Оставить заявку
2
6520-3403030-19
Кронштейн
Кол-во
1
?
Узнать цену
6520-3403030-19
кронштейн
Производство:
ПАО КАМАЗ
Под заказ
2 624
p
В корзину
8
6520-3444006-30
Колонка рулевого управления с карданным валом
Кол-во
1
?
Узнать цену
6520-3444006-30
колонка рулевого управления с карданным валом
Производство:
ПАО КАМАЗ
Под заказ
83 204
p
В корзину
14
6520-3403008
Пластина
Кол-во
1
?
Узнать цену
6520-3403008
пластина
Производство:
ПАО КАМАЗ
Под заказ
267
p
В корзину
15
6520-3444071-19
Кожух колонки задний
Кол-во
1
?
Оставить заявку
16
6520-3444073-19
Кожух колонки передний
Кол-во
1
?
Оставить заявку
17
53205-3444074
Кожух защитный
Кол-во
2
?
Оставить заявку
18
6520-3444074-40
Кожух колонки нижний
Кол-во
1
?
Оставить заявку
21
1/09028/21
Болт М6-6gx30
Кол-во
4
?
Оставить заявку
23
1/59705/21
Болт М10х1,25-6gх20
Кол-во
2
?
Оставить заявку
24
1/33112/01
Винт М5-6gх20
Кол-во
4
?
Оставить заявку
25
1/58964/11
Гайка М5-6Н
Кол-во
8
?
Оставить заявку
27
1/26397/01
Шайба регулировочная 6х11х1
Кол-во
4
?
Узнать цену
1/26397/01
Шайба
Производство:
АО ЯЗДА
Под заказ
8
p
В корзину
28
1/26443/01
Шайба плоская 10х35х3
Кол-во
2
?
Оставить заявку
32
1/05168/73
Шайба 10 пружинная
Кол-во
8
?
Оставить заявку
33
1/21647/11
Гайка М10х1,25-6Н
Кол-во
4
?
Оставить заявку
35
864309
Пробка транспортная
Кол-во
2
?
Оставить заявку
36
45104991007000
Болт М10х1,25-6gx30
Кол-во
2
?
Оставить заявку
37
45104992569500
Винт М5-6gx18
Кол-во
1
?
Оставить заявку
38
45104992544500
Винт 356-71445
Кол-во
4
?
Оставить заявку
39
1111-3704201
Кольцо уплотнительное
Кол-во
1
?
Оставить заявку
40
4542253585
Выключатель приборов и стартера с противоугонным устройством 2126-3704005-20
Кол-во
1
?
Оставить заявку
41
45104370902100
Переключатель указателей поворотов ближнего и дальнего света 6602.3709-01 ТУ37.003.1336-87
Кол-во
1
?
Оставить заявку
42
4573431388
Переключатель стеклоочистителя со стеклоомывателем 4002.3709 ТУ37.003.1335-87
Кол-во
1
?
Оставить заявку
Получить консультацию
У нас большой опыт по подбору запчастей, и мы с радостью поможем вам найти нужную деталь, даже если вы не знаете ее артикул
Дмитрий Иванов
Директор отдела продаж
Мобильный номер:
8 (912) 474-74-74
E-mail:
td.uralval@mail.ru
Вы должны включить JavaScript чтобы использовать эту форму.
Ваше имя
Ваш телефон
Комментарий
Я соглашаюсь с
Политикой конфиденциальности
и даю согласие на обработку персональных данных.
Feed me
Отправить