Запчасти для грузовых автомобилей
8-800-555-32-41
Перезвоните мне
Отправить готовую заявку
0
Корзина
Поиск
КАТАЛОГ ПРОДУКЦИИ
Запчасти УРАЛ
Запчасти КамАЗ
Запчасти АМТ
Запчасти ЧТЗ
Запчасти погрузчиков Dalian
Запчасти ЯМЗ
Двигатели ЯМЗ в сборе
Запчасти Shaanxi Fast Gear
Лебедки
Спецпредложения
О компании
Доставка и оплата
Гарантии и сервис
Контакты
Графические каталоги запчастей
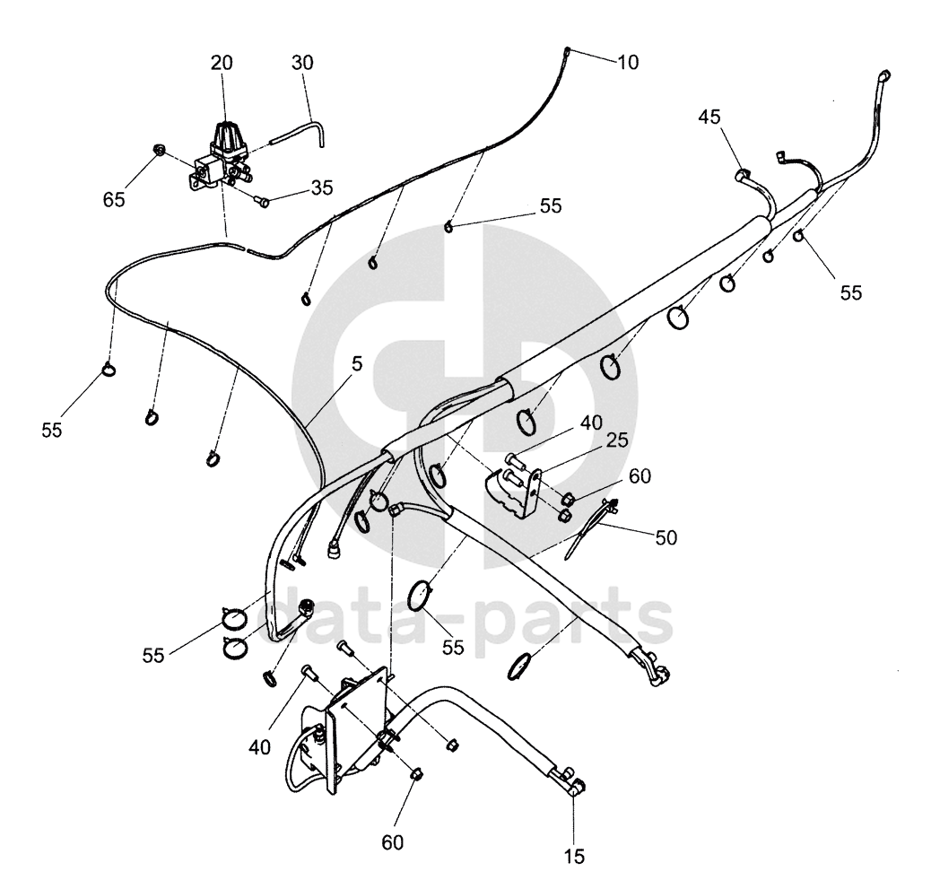
5490-1208500-10 Установка подающего модуля КамАЗ-5490
Главная
/
Графические каталоги
/
КамАЗ
/
КамАЗ-5490
/
5490-1208500-10 Установка подающего модуля
5
10
15
20
25
30
35
40
40
45
50
55
55
55
55
55
60
60
65
%
5
65205-1208133-06
Трубка
Кол-во
1
?
Узнать цену
65205-1208133-06
трубка
Производство:
ПАО КАМАЗ
Под заказ
1 101
p
В корзину
10
65205-1208141-06
Трубка
Кол-во
1
?
Узнать цену
65205-1208141-06
трубка
Производство:
ПАО КАМАЗ
Под заказ
1 189
p
В корзину
15
5490-1208550-10
Подающий модуль
Кол-во
1
?
Узнать цену
5490-1208550-10
подающий модуль
Производство:
ПАО КАМАЗ
Под заказ
98 869
p
В корзину
20
5490-1208850
Клапан ограничения давления
Кол-во
1
?
Узнать цену
5490-1208850
Клапан КАМАЗ-5490 6580 65207 ограничения давления
Производство:
ПАО КАМАЗ
Под заказ
12 313
p
В корзину
25
5490-1208930
Кронштейн трубопроводов
Кол-во
1
?
Узнать цену
5490-1208930
кронштейн
Производство:
ПАО КАМАЗ
Под заказ
375
p
В корзину
30
53205-3506026
Труба
Кол-во
1
?
Узнать цену
53205-3506026
трубка полиамидная
Производство:
ПАО КАМАЗ
Под заказ
242
p
В корзину
35
1/59707/21
Болт М10х1,25-6gх25
Кол-во
1
?
Оставить заявку
40
1/55404/21
Болт М12х1,25-6gх30
Кол-во
4
?
Оставить заявку
45
45104120821590
Линия в сборе подвода от бака
Кол-во
1
?
Оставить заявку
50
45104350011990
Хомут с клипсой 9818723
Кол-во
1
?
Оставить заявку
55
45104372405400
Хомут
Кол-во
21
?
Оставить заявку
60
45104993013400
Гайка М12x1,25-6Н
Кол-во
4
?
Оставить заявку
65
45104993014300
Гайка М10х1,25-6Н
Кол-во
1
?
Оставить заявку
Получить консультацию
У нас большой опыт по подбору запчастей, и мы с радостью поможем вам найти нужную деталь, даже если вы не знаете ее артикул
Дмитрий Иванов
Директор отдела продаж
Мобильный номер:
8 (912) 474-74-74
E-mail:
td.uralval@mail.ru
Вы должны включить JavaScript чтобы использовать эту форму.
Ваше имя
Ваш телефон
Комментарий
Я соглашаюсь с
Политикой конфиденциальности
и даю согласие на обработку персональных данных.
Feed me
Отправить