Запчасти для грузовых автомобилей
8-800-555-32-41
Перезвоните мне
Отправить готовую заявку
0
Корзина
Поиск
КАТАЛОГ ПРОДУКЦИИ
Запчасти УРАЛ
Запчасти КамАЗ
Запчасти АМТ
Запчасти ЧТЗ
Запчасти погрузчиков Dalian
Запчасти ЯМЗ
Двигатели ЯМЗ в сборе
Запчасти Shaanxi Fast Gear
Лебедки
Спецпредложения
О компании
Доставка и оплата
Гарантии и сервис
Контакты
Графические каталоги запчастей
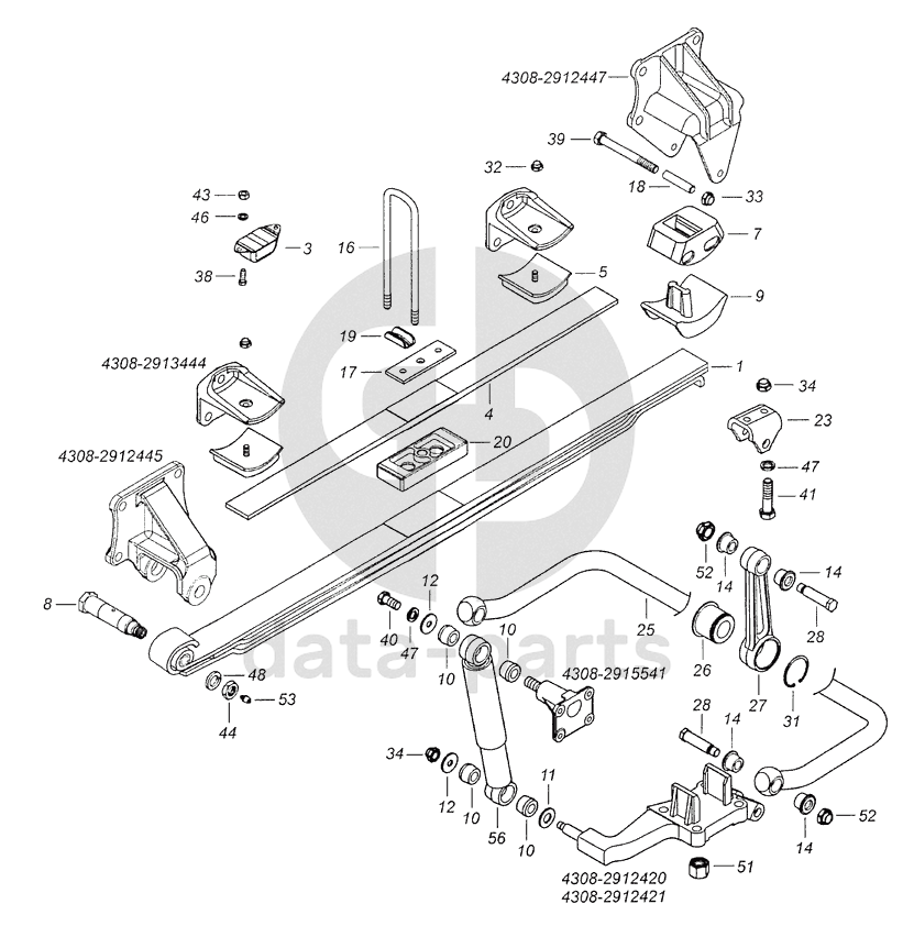
4308-2900002 Установка задней подвески КамАЗ-4308 (Евро 3)
Главная
/
Графические каталоги
/
КамАЗ
/
КамАЗ-4308 (Евро 3)
/
4308-2900002 Установка задней подвески
1
3
4
5
7
8
9
10
10
10
10
11
12
12
14
14
14
14
16
17
18
19
20
23
25
26
27
28
28
31
32
33
34
34
38
39
40
41
43
44
46
47
47
48
51
52
52
53
56
%
1
65115-2902012-15
Рессора передняя
Кол-во
2
?
Оставить заявку
3
5320-2912624
Буфер задней рессоры в сборе
Кол-во
2
?
Оставить заявку
4
4308-2913012-10
Рессора дополнительная в сборе
Кол-во
2
?
Оставить заявку
5
4308-2913410
Подушка дополнительной рессоры
Кол-во
4
?
Оставить заявку
7
6520-2902430
Упругий элемент
Кол-во
2
?
Оставить заявку
8
4308-2902478
Палец ушка
Кол-во
2
?
Узнать цену
4308-2902478
Палец КАМАЗ-4308 ушка рессоры
Производство:
ПАО КАМАЗ
22 в наличии
1 535
p
В корзину
9
6520-2902520
Опора рессоры
Кол-во
2
?
Узнать цену
6520-2902520
Опора КАМАЗ заднего кронштейна рессоры передней
Производство:
ПАО КАМАЗ
9 в наличии
2 504
p
В корзину
10
53212-2905486
Втулка крепления амортизатора
Кол-во
8
?
Оставить заявку
11
53212-2905574
Шайба упорная
Кол-во
2
?
Узнать цену
53212-2905574
Шайба КАМАЗ упорная пальца амортизатора
Производство:
ПАО КАМАЗ
29 в наличии
81
p
В корзину
12
53212-2905576
Шайба упорная
Кол-во
4
?
Узнать цену
53212-2905576
Шайба КАМАЗ упорная втулки амортизатора
Производство:
ПАО КАМАЗ
25 в наличии
157
p
В корзину
14
65115-2906079
Втулка стабилизатора
Кол-во
8
?
Оставить заявку
16
4308-2912408
Стремянка задней рессоры
Кол-во
4
?
Узнать цену
4308-2912408
Стремянка КАМАЗ-4308 рессоры задней
Производство:
ПАО КАМАЗ
Под заказ
1 737
p
В корзину
17
4308-2912412
Накладка задней рессоры
Кол-во
2
?
Узнать цену
4308-2912412
накладка
Производство:
ПАО КАМАЗ
Под заказ
1 605
p
В корзину
18
6520-2902487
Втулка стяжного болта
Кол-во
2
?
Узнать цену
6520-2902487
Втулка КАМАЗ болта стяжного подвески передней
Производство:
ПАО КАМАЗ
Под заказ
214
p
В корзину
19
4308-2912418
Подкладка стремянки задней рессоры
Кол-во
4
?
Узнать цену
4308-2912418
прокладка
Производство:
ПАО КАМАЗ
Под заказ
780
p
В корзину
20
4308-2913430
Проставка дополнительной рессоры
Кол-во
2
?
Узнать цену
4308-2913430
проставка
Производство:
ПАО КАМАЗ
Под заказ
4 879
p
В корзину
23
4308-2916090
Кронштейн стабилизатора
Кол-во
2
?
Узнать цену
4308-2916090
кронштейн
Производство:
ПАО КАМАЗ
Под заказ
2 731
p
В корзину
25
4308-2916016
Штанга стабилизатора
Кол-во
1
?
Узнать цену
4308-2916016
Штанга стабилизатора КАМАЗ-4308
Производство:
ПАО КАМАЗ
Под заказ
59 380
p
В корзину
26
4925-2916040
Подушка стабилизатора
Кол-во
2
?
Узнать цену
4925-2916040
Подушка КАМАЗ-ЕВРО стабилизатора
Производство:
ПАО КАМАЗ
Под заказ
1 119
p
В корзину
27
6520-2916060
Стойка стабилизатора
Кол-во
2
?
Узнать цену
6520-2916060
Стойка стабилизатора КАМАЗ-6520
Производство:
ПАО КАМАЗ
2 в наличии
2 861
p
В корзину
28
6460-2916075
Ось стабилизатора
Кол-во
4
?
Узнать цену
6460-2916075
Ось КАМАЗ-6460 стабилизатора
Производство:
ПАО КАМАЗ
192 в наличии
527
p
В корзину
31
4598360548
Кольцо В75
Кол-во
2
?
Оставить заявку
32
251647
Гайка М12х1,25-6Н ОСТ 37.001.197-97
Кол-во
4
?
Оставить заявку
33
251647
Гайка М12х1,25-6Н ОСТ 37.001.197-97
Кол-во
2
?
Оставить заявку
34
251649
Гайка М16х1,5-6Н ОСТ 37.001.197-97
Кол-во
6
?
Оставить заявку
38
1/59707/21
Болт М10х1,25-6gх25
Кол-во
4
?
Оставить заявку
39
1/55421/21
Болт М12х1,25х150
Кол-во
2
?
Оставить заявку
40
1/13762/21
Болт М16х1,5-6gх35
Кол-во
2
?
Оставить заявку
41
1/13915/21
Болт М16х1,5-6gх45
Кол-во
4
?
Оставить заявку
43
1/21647/11
Гайка М10х1,25-6Н
Кол-во
4
?
Оставить заявку
44
1/07267/11
Гайка низкая М20х1,5-6Н
Кол-во
2
?
Узнать цену
1/07267/11
Гайка М20 на эксентрик узкая
Производство:
ПАО КАМАЗ
Под заказ
152
p
В корзину
46
1/05168/77
Шайба 10 пружинная
Кол-во
4
?
Узнать цену
1/05168/77
Шайба
Производство:
АО ЯЗДА
Под заказ
13
p
В корзину
47
1/05172/77
Шайба 16 пружинная
Кол-во
6
?
Оставить заявку
48
1/05174/77
Шайба 20 пружинная
Кол-во
4
?
Оставить заявку
51
853525
Гайка М20х1,5-6Н
Кол-во
8
?
Оставить заявку
52
853528
Гайка М20х1,5-6Н
Кол-во
4
?
Узнать цену
853528
Гайка крепления ушка передней рессоры самаконтрящая (М20*1,5) н/о
Производство:
Россия
Под заказ
цена по запросу
В корзину
53
864006
Масленка 1.3.Ц6хр.ГОСТ 19853-74
Кол-во
2
?
Оставить заявку
56
45104290500200
Амортизатор
Кол-во
2
?
Оставить заявку
Получить консультацию
У нас большой опыт по подбору запчастей, и мы с радостью поможем вам найти нужную деталь, даже если вы не знаете ее артикул
Дмитрий Иванов
Директор отдела продаж
Мобильный номер:
8 (912) 474-74-74
E-mail:
td.uralval@mail.ru
Вы должны включить JavaScript чтобы использовать эту форму.
Ваше имя
Ваш телефон
Комментарий
Я соглашаюсь с
Политикой конфиденциальности
и даю согласие на обработку персональных данных.
Feed me
Отправить