Запчасти для грузовых автомобилей
8-800-555-32-41
Перезвоните мне
Отправить готовую заявку
0
Корзина
Поиск
КАТАЛОГ ПРОДУКЦИИ
Запчасти УРАЛ
Запчасти КамАЗ
Запчасти АМТ
Запчасти ЧТЗ
Запчасти погрузчиков Dalian
Запчасти ЯМЗ
Двигатели ЯМЗ в сборе
Запчасти Shaanxi Fast Gear
Лебедки
Спецпредложения
О компании
Доставка и оплата
Гарантии и сервис
Контакты
Графические каталоги запчастей
6520-3518010-83 Блок управления тормозами задней тележки КамАЗ-6522 (Евро-4)
Главная
/
Графические каталоги
/
КамАЗ
/
КамАЗ-6522 (Евро-4)
/
6520-3518010-83 Блок управления тормозами задней тележки
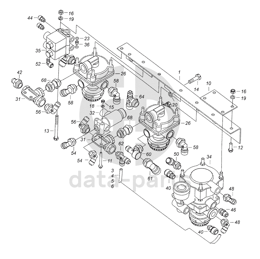
1
3
4
5
6
10
11
12
13
14
15
16
16
18
19
19
20
23
26
26
26
31
31
32
34
35
36
40
40
42
44
46
48
48
50
52
54
54
56
56
58
58
58
60
61
62
64
68
68
%
1
6520-3518018-81
Кронштейн
Кол-во
1
?
Оставить заявку
3
53205-3506026
Труба
Кол-во
1
?
Узнать цену
53205-3506026
трубка полиамидная
Производство:
ПАО КАМАЗ
Под заказ
242
p
В корзину
4
53205-3506026
Труба
Кол-во
0
?
Узнать цену
53205-3506026
трубка полиамидная
Производство:
ПАО КАМАЗ
Под заказ
242
p
В корзину
5
53205-3506026
Труба
Кол-во
0
?
Узнать цену
53205-3506026
трубка полиамидная
Производство:
ПАО КАМАЗ
Под заказ
242
p
В корзину
6
53205-3506041
Трубка
Кол-во
1
?
Узнать цену
53205-3506041
Трубка КАМАЗ привода выключения сцепления короткая
Производство:
ПАО КАМАЗ
Под заказ
99
p
В корзину
10
6520-3522018-82
Кронштейн
Кол-во
1
?
Оставить заявку
11
45104991010900
Болт М6-6gх55
Кол-во
2
?
Оставить заявку
12
1/60436/21
Болт М8-6gх25
Кол-во
2
?
Оставить заявку
13
1/60450/21
Болт М8-6gх90
Кол-во
2
?
Оставить заявку
14
1/59709/21
Болт М10х1,25-6gх35
Кол-во
2
?
Оставить заявку
15
1/58962/11
Гайка ЕМ6-6Н
Кол-во
2
?
Узнать цену
1/58962/11
Гайка М6Х1 Камаз
Производство:
АО ЯЗДА
Под заказ
13
p
В корзину
16
1/61008/11
Гайка М8х1,25-6Н
Кол-во
4
?
Оставить заявку
18
1/05164/77
Шайба 6 пружинная
Кол-во
2
?
Узнать цену
1/05164/77
Шайба
Производство:
АО ЯЗДА
Под заказ
53
p
В корзину
19
1/05166/77
Шайба 8 пружинная
Кол-во
4
?
Узнать цену
1/05166/77
Шайба
Производство:
АО ЯЗДА
Под заказ
38
p
В корзину
20
1/05168/77
Шайба 10 пружинная
Кол-во
2
?
Узнать цену
1/05168/77
Шайба
Производство:
АО ЯЗДА
Под заказ
13
p
В корзину
23
45104999102200
Кольцо 007-010-19-2-2
Кол-во
2
?
Оставить заявку
26
5350-3518001-01
Клапан ускорительный с глушителем
Кол-во
2
?
Узнать цену
5350-3518001-01
Клапан КАМАЗ-5350 ускорительный в сборе с глушителем
Производство:
ПАО КАМАЗ
Под заказ
4 565
p
В корзину
26
2233-3518010-20
Клапан ускорительный с глушителем
Кол-во
2
?
Оставить заявку
31
45104356201000
Клапан двухмагистральный
Кол-во
2
?
Оставить заявку
31
25-3562010
Клапан двухмагистральный
Кол-во
2
?
Оставить заявку
32
45104350600290
Дифференциальный клапан
Кол-во
1
?
Оставить заявку
34
2233-3522010-10
Клапан управления тормозами прицепа с двухпроводным приводом с клапаном обрыва
Кол-во
1
?
Оставить заявку
35
4573765244
Клапан электромагнитный КЭМ 10-11
Кол-во
2
?
Оставить заявку
36
45104312500200
Трубка соединительная
Кол-во
1
?
Оставить заявку
40
45104350604990
Фитинг прямой
Кол-во
2
?
Оставить заявку
42
45104350605790
Фитинг прямой
Кол-во
1
?
Оставить заявку
44
45104350604000
Фитинг прямой
Кол-во
2
?
Оставить заявку
46
45104350605190
Фитинг прямой
Кол-во
1
?
Оставить заявку
48
45104350604190
Фитинг угловой
Кол-во
2
?
Оставить заявку
50
45104350605090
Фитинг угловой
Кол-во
1
?
Оставить заявку
52
45104177201290
Фитинг угловой
Кол-во
1
?
Оставить заявку
54
45104350604490
Фитинг угловой
Кол-во
2
?
Оставить заявку
56
45104350604290
Фитинг угловой
Кол-во
2
?
Оставить заявку
58
45104350604390
Фитинг угловой
Кол-во
4
?
Оставить заявку
60
45104350603000
Тройник горизонтальный
Кол-во
1
?
Оставить заявку
61
45104350600800
Фитинг прямой
Кол-во
1
?
Оставить заявку
62
45104350607200
Тройник вертикальный
Кол-во
1
?
Оставить заявку
64
45104350601600
Тройник горизонтальный
Кол-во
1
?
Оставить заявку
68
45104350601100
Переходник
Кол-во
2
?
Оставить заявку
Получить консультацию
У нас большой опыт по подбору запчастей, и мы с радостью поможем вам найти нужную деталь, даже если вы не знаете ее артикул
Дмитрий Иванов
Директор отдела продаж
Мобильный номер:
8 (912) 474-74-74
E-mail:
td.uralval@mail.ru
Вы должны включить JavaScript чтобы использовать эту форму.
Ваше имя
Ваш телефон
Комментарий
Я соглашаюсь с
Политикой конфиденциальности
и даю согласие на обработку персональных данных.
Feed me
Отправить