Запчасти для грузовых автомобилей
8-800-555-32-41
Перезвоните мне
Отправить готовую заявку
0
Корзина
Поиск
КАТАЛОГ ПРОДУКЦИИ
Запчасти УРАЛ
Запчасти КамАЗ
Запчасти АМТ
Запчасти ЧТЗ
Запчасти погрузчиков Dalian
Запчасти ЯМЗ
Двигатели ЯМЗ в сборе
Запчасти Shaanxi Fast Gear
Лебедки
Спецпредложения
О компании
Доставка и оплата
Гарантии и сервис
Контакты
Графические каталоги запчастей
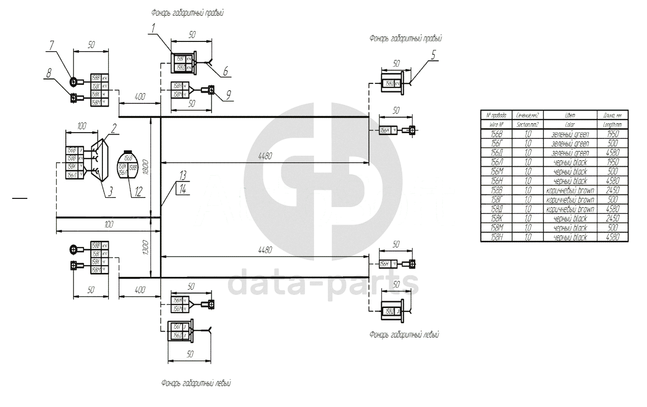
45142-3724073 Пучок проводов габаритных фонарей КамАЗ-45142
Главная
/
Графические каталоги
/
КамАЗ
/
КамАЗ-45142
/
45142-3724073 Пучок проводов габаритных фонарей
1
2
3
5
6
7
8
9
12
13
14
%
1
66052-3731014
Чехол защитный
Кол-во
4
?
Оставить заявку
2
4573738865
Гнездо ОСТ 37.003.032-88
Кол-во
2
?
Оставить заявку
3
4573738845
Гнездо ОСТ 37.003.032-88
Кол-во
1
?
Оставить заявку
5
4573738006
Гнездо 02-6,3-12 ОСТ 37.003.032-88
Кол-во
2
?
Оставить заявку
6
4573738007
Гнездо 02-6,3-13 ОСТ 37.003.032-88
Кол-во
2
?
Оставить заявку
7
4573738552
Наконечник d 4,2
Кол-во
2
?
Оставить заявку
8
4573738851
Наконечник d 5,2
Кол-во
2
?
Оставить заявку
9
4573738849
Наконечник d6,2
Кол-во
4
?
Оставить заявку
12
4573732211
Соединитель типа СЦ 5.601.203
Кол-во
1
?
Оставить заявку
13
3552120104
Провод ПГВА -1,0
Кол-во
0
?
Оставить заявку
14
ТГА-СП-12
Труба гофрированная ТГА-СП-12 ТУ 4811-01299064-01
Кол-во
0
?
Оставить заявку
Получить консультацию
У нас большой опыт по подбору запчастей, и мы с радостью поможем вам найти нужную деталь, даже если вы не знаете ее артикул
Дмитрий Иванов
Директор отдела продаж
Мобильный номер:
8 (912) 474-74-74
E-mail:
td.uralval@mail.ru
Вы должны включить JavaScript чтобы использовать эту форму.
Ваше имя
Ваш телефон
Комментарий
Я соглашаюсь с
Политикой конфиденциальности
и даю согласие на обработку персональных данных.
Feed me
Отправить