Запчасти для грузовых автомобилей
8-800-555-32-41
Перезвоните мне
Отправить готовую заявку
0
Корзина
Поиск
КАТАЛОГ ПРОДУКЦИИ
Запчасти УРАЛ
Запчасти КамАЗ
Запчасти АМТ
Запчасти ЧТЗ
Запчасти погрузчиков Dalian
Запчасти ЯМЗ
Двигатели ЯМЗ в сборе
Запчасти Shaanxi Fast Gear
Лебедки
Спецпредложения
О компании
Доставка и оплата
Гарантии и сервис
Контакты
Графические каталоги запчастей
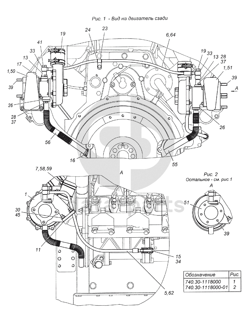
740.30-1118000 Установка турбокомпрессоров на двигатель КамАЗ-4350 (4х4)
Главная
/
Графические каталоги
/
КамАЗ
/
КамАЗ-4350 (4х4)
/
740.30-1118000 Установка турбокомпрессоров на двигатель
%
1
7406.1118010
Турбокомпрессор ТКР 7С-6
Кол-во
2
?
Узнать цену
7406.1118010
ТКР 7С-6
Производство:
ПАО КАМАЗ
Под заказ
23 728
p
В корзину
5
740.21-1118290-10
Трубка подвода масла
Кол-во
1
?
Узнать цену
740.21-1118290-10
Трубка КАМАЗ-ЕВРО ТКР подвода масла
Производство:
ПАО КАМАЗ
Под заказ
2 577
p
В корзину
6
740.21-1118310-10
Трубка соединительная подвода масла
Кол-во
1
?
Узнать цену
740.21-1118310-10
трубка
Производство:
ПАО КАМАЗ
Под заказ
2 720
p
В корзину
7
5320-1303033
Хомут 63 в сборе
Кол-во
4
?
Оставить заявку
11
7403.1118189
Прокладка турбины
Кол-во
2
?
Узнать цену
7403.1118189
Прокладка КАМАЗ-ЕВРО турбокомпрессора
Производство:
ПАО КАМАЗ
98 в наличии
183
p
В корзину
13
7405.1118200
Переходник
Кол-во
2
?
Узнать цену
7405.1118200
Переходник КАМАЗ на ТКР
Производство:
ПАО КАМАЗ
3 в наличии
413
p
В корзину
15
7405.1118204
Штуцер
Кол-во
1
?
Узнать цену
7405.1118204
штуцер
Производство:
ПАО КАМАЗ
Под заказ
164
p
В корзину
16
740.13-1118237
Кольцо уплотнительное
Кол-во
4
?
Оставить заявку
17
7405.1118245
Прокладка
Кол-во
2
?
Оставить заявку
19
7406.1118276
Рукав 50х61-0,29
Кол-во
2
?
Оставить заявку
23
7405.111832
Кляммер
Кол-во
1
?
Оставить заявку
24
7405.1118325
Прокладка
Кол-во
1
?
Оставить заявку
26
7405.1118335
Прокладка
Кол-во
2
?
Оставить заявку
28
1/60434/21
Болт М8-6gх20
Кол-во
4
?
Оставить заявку
30
1/21647/27
Гайка М10х1,25-6Н
Кол-во
8
?
Оставить заявку
33
1/02800/60
Прокладка уплотнительная 14х20х1,5
Кол-во
5
?
Оставить заявку
34
1/02599/60
Прокладка 18х24х1,5
Кол-во
1
?
Оставить заявку
37
1/05166/73
Шайба 8 пружинная
Кол-во
4
?
Оставить заявку
39
1/35435/33
Шпилька М8х1,25-6gх16х25
Кол-во
12
?
Оставить заявку
39
1/34495/33
Шпилька М10х1,25х15х25
Кол-во
8
?
Оставить заявку
41
870005
Болт М14х1,5-6gх30
Кол-во
1
?
Узнать цену
870005
Болт М14х1.5х30 фильтра топливного КАМАЗ
Производство:
ПАО КАМАЗ
Под заказ
81
p
В корзину
43
870031
Болт М14х1,5-6gх50
Кол-во
1
?
Узнать цену
870031
Болт М14х1.5х50 клапана электромагнитного КАМАЗ
Производство:
ПАО КАМАЗ
Под заказ
101
p
В корзину
45
870860
Шайба тарельчатая 10
Кол-во
8
?
Узнать цену
870860
Втулка КАМАЗ болта коллектора
Производство:
ПАО КАМАЗ
72 в наличии
24
p
В корзину
50
45104111800391
Турбокомпрессор S2В/7624 ТАЕ/0,76D9 левый 314448
Кол-во
1
?
Оставить заявку
51
45104111800392
Турбокомпрессор S2В/7624 ТАЕ/0,76D9 правый 314450
Кол-во
1
?
Оставить заявку
55
45104111840000
Трубка слива масла, ТСМ29.2.400.00
Кол-во
1
?
Оставить заявку
56
45104111843000
Трубка слива масла, ТСМ29.2.430.00
Кол-во
1
?
Оставить заявку
58
45104998010490
Хомут ТОRRО 50-70/12С7-W1
Кол-во
4
?
Оставить заявку
59
45104998010410
Хомут стяжной (50-70)х13
Кол-во
4
?
Оставить заявку
62
45104111829001
Трубка подвода масла, ЕАЛР. 302 646.001- 01
Кол-во
1
?
Оставить заявку
64
45104111831010
Трубка подвода масла, ЕАЛР. 302 646.004
Кол-во
1
?
Оставить заявку
1
740.30-1118000-01
Установка турбокомпрессора
Кол-во
0
?
Оставить заявку
2
740.30-1118000
Установка турбокомпрессора
Кол-во
0
?
Оставить заявку
Получить консультацию
У нас большой опыт по подбору запчастей, и мы с радостью поможем вам найти нужную деталь, даже если вы не знаете ее артикул
Дмитрий Иванов
Директор отдела продаж
Мобильный номер:
8 (912) 474-74-74
E-mail:
td.uralval@mail.ru
Вы должны включить JavaScript чтобы использовать эту форму.
Ваше имя
Ваш телефон
Комментарий
Я соглашаюсь с
Политикой конфиденциальности
и даю согласие на обработку персональных данных.
Feed me
Отправить