Запчасти для грузовых автомобилей
8-800-555-32-41
Перезвоните мне
Отправить готовую заявку
0
Корзина
Поиск
КАТАЛОГ ПРОДУКЦИИ
Запчасти УРАЛ
Запчасти КамАЗ
Запчасти АМТ
Запчасти ЧТЗ
Запчасти погрузчиков Dalian
Запчасти ЯМЗ
Двигатели ЯМЗ в сборе
Запчасти Shaanxi Fast Gear
Лебедки
Спецпредложения
О компании
Доставка и оплата
Гарантии и сервис
Контакты
Графические каталоги запчастей
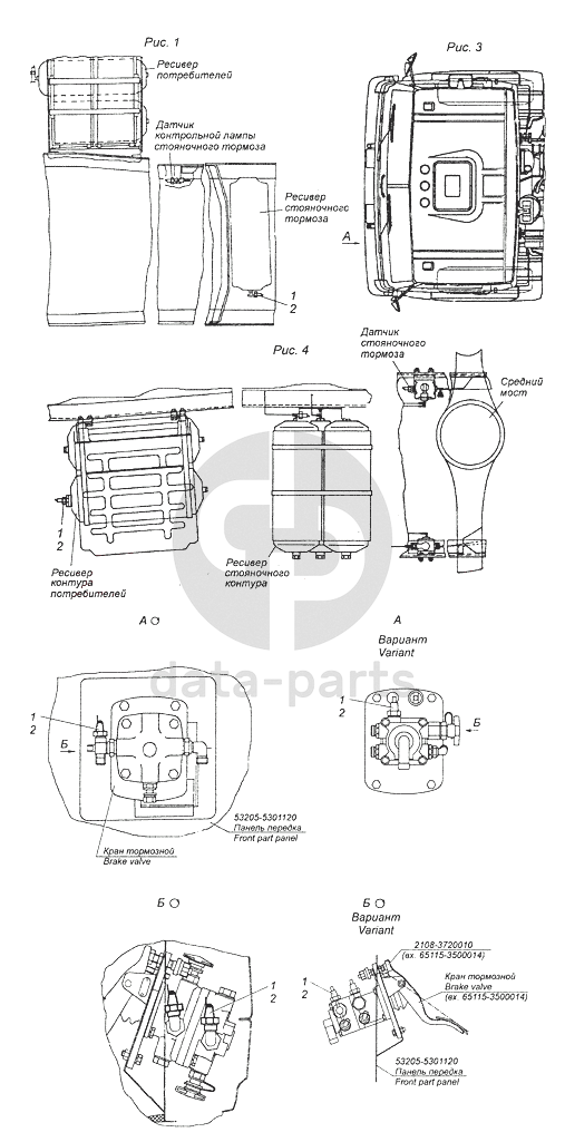
43114-3830002 Установка датчиков аварийного давления воздуха КамАЗ-43261 (Евро-1, 2)
Главная
/
Графические каталоги
/
КамАЗ
/
КамАЗ-43261 (Евро-1, 2)
/
43114-3830002 Установка датчиков аварийного давления воздуха
1
1
1
1
1
1
2
2
2
2
2
2
%
1
1/02984/60
Прокладка 12,2х18х1,5
Кол-во
5
?
Оставить заявку
2
4573826193
Датчик аварийного давления воздуха ММ124Д ТУ 37.003.546-76
Кол-во
5
?
Оставить заявку
Получить консультацию
У нас большой опыт по подбору запчастей, и мы с радостью поможем вам найти нужную деталь, даже если вы не знаете ее артикул
Дмитрий Иванов
Директор отдела продаж
Мобильный номер:
8 (912) 474-74-74
E-mail:
td.uralval@mail.ru
Вы должны включить JavaScript чтобы использовать эту форму.
Ваше имя
Ваш телефон
Комментарий
Я соглашаюсь с
Политикой конфиденциальности
и даю согласие на обработку персональных данных.
Feed me
Отправить