Запчасти для грузовых автомобилей
8-800-555-32-41
Перезвоните мне
Отправить готовую заявку
0
Корзина
Поиск
КАТАЛОГ ПРОДУКЦИИ
Запчасти УРАЛ
Запчасти КамАЗ
Запчасти АМТ
Запчасти ЧТЗ
Запчасти погрузчиков Dalian
Запчасти ЯМЗ
Двигатели ЯМЗ в сборе
Запчасти Shaanxi Fast Gear
Лебедки
Спецпредложения
О компании
Доставка и оплата
Гарантии и сервис
Контакты
Графические каталоги запчастей
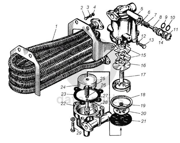
Водоотделитель пневмо-тормозов тормозной системы КамАЗ-4326
Главная
/
Графические каталоги
/
КамАЗ
/
КамАЗ-4326
/
Водоотделитель пневмо-тормозов тормозной системы
1
2
3
4
5
6
7
8
9
10
11
12
13
14
15
16
17
18
19
20
21
22
23
24
25
26
27
28
29
%
1
11.3511050
Охладитель
Кол-во
1
?
Оставить заявку
2
1/59705/21
Болт М10х1,25-6gх20
Кол-во
6
?
Оставить заявку
3
1/05168/77
Шайба 10 пружинная
Кол-во
6
?
Узнать цену
1/05168/77
Шайба
Производство:
АО ЯЗДА
Под заказ
13
p
В корзину
4
1/21647/11
Гайка М10х1,25-6Н
Кол-во
6
?
Оставить заявку
5
11.3511025
Корпус
Кол-во
1
?
Оставить заявку
6
11.3511086
Тарелка пружины
Кол-во
1
?
Оставить заявку
7
11.3511062
Пружина клапана
Кол-во
1
?
Оставить заявку
8
11.3511082
Клапан в сборе
Кол-во
1
?
Оставить заявку
9
11.3511065
Кольцо уплотнительное
Кол-во
1
?
Оставить заявку
10
11.3511066
Кольцо уплотнительное
Кол-во
1
?
Оставить заявку
11
11.3511089
Кольцо А-22
Кол-во
1
?
Оставить заявку
12
252135
Шайба
Кол-во
5
?
Оставить заявку
13
201241
Болт
Кол-во
3
?
Оставить заявку
14
11.3511088
Поршень
Кол-во
1
?
Оставить заявку
15
11.3511092
Диск направляющий
Кол-во
2
?
Оставить заявку
16
11.3511093
Диск направляющий нижний
Кол-во
1
?
Оставить заявку
17
11.3511091
Винт пустотелый
Кол-во
1
?
Оставить заявку
18
11-3511042
Кольцо упорное
Кол-во
1
?
Оставить заявку
19
11-3511095
Шайба
Кол-во
1
?
Оставить заявку
20
11-3511098
Диск мембранный
Кол-во
1
?
Оставить заявку
21
11.3511096
Мембрана
Кол-во
1
?
Оставить заявку
22
11.3511070
Крышка
Кол-во
1
?
Оставить заявку
23
11.3511075
Уплотнение
Кол-во
1
?
Оставить заявку
24
11.3511094
Поршень
Кол-во
1
?
Оставить заявку
25
11.3511064
Пружина золотника
Кол-во
1
?
Оставить заявку
26
11.3511078
Кольцо уплотнительное
Кол-во
1
?
Оставить заявку
27
11.3511034
Золотник клапана
Кол-во
1
?
Оставить заявку
28
11.3511036
Диск уплотняющий
Кол-во
1
?
Оставить заявку
29
201253
Болт
Кол-во
3
?
Оставить заявку
Получить консультацию
У нас большой опыт по подбору запчастей, и мы с радостью поможем вам найти нужную деталь, даже если вы не знаете ее артикул
Дмитрий Иванов
Директор отдела продаж
Мобильный номер:
8 (912) 474-74-74
E-mail:
td.uralval@mail.ru
Вы должны включить JavaScript чтобы использовать эту форму.
Ваше имя
Ваш телефон
Комментарий
Я соглашаюсь с
Политикой конфиденциальности
и даю согласие на обработку персональных данных.
Feed me
Отправить