Запчасти для грузовых автомобилей
8-800-555-32-41
Перезвоните мне
Отправить готовую заявку
0
Корзина
Поиск
КАТАЛОГ ПРОДУКЦИИ
Запчасти УРАЛ
Запчасти КамАЗ
Запчасти АМТ
Запчасти ЧТЗ
Запчасти погрузчиков Dalian
Запчасти ЯМЗ
Двигатели ЯМЗ в сборе
Запчасти Shaanxi Fast Gear
Лебедки
Спецпредложения
О компании
Доставка и оплата
Гарантии и сервис
Контакты
Графические каталоги запчастей
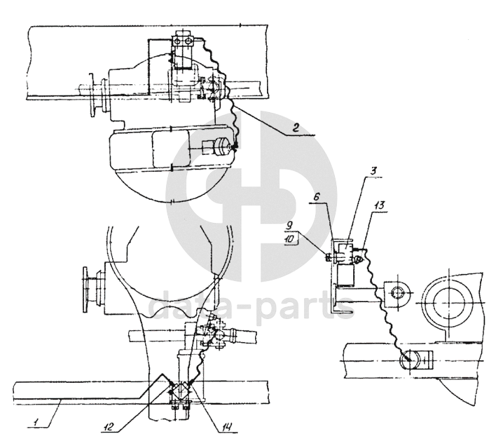
Привод блокировки МКД КамАЗ-4326
Главная
/
Графические каталоги
/
КамАЗ
/
КамАЗ-4326
/
Привод блокировки МКД
1
2
3
6
9
10
12
13
14
%
1
4326-2411042
Трубка
Кол-во
1
?
Оставить заявку
2
4310-3125050
Шланг гибкий к шинам передних колес в сборе
Кол-во
1
?
Оставить заявку
3
5320-3721500
Клапан пневмосигнала с электромагнитом в сборе
Кол-во
1
?
Узнать цену
5320-3721500
Клапан КАМАЗ, МАЗ с электромагнитом в сборе 24V 151.3747 КАМЭК
Производство:
Россия
Под заказ
цена по запросу
В корзину
6
55102-2411054
Пластина электромагнитного
Кол-во
1
?
Оставить заявку
9
1/13069/21
Болт М10х1,25-6gх30
Кол-во
2
?
Оставить заявку
10
1/05168/77
Шайба 10 пружинная
Кол-во
2
?
Узнать цену
1/05168/77
Шайба
Производство:
АО ЯЗДА
Под заказ
13
p
В корзину
12
853973
Штуцер ввертной задних колес
Кол-во
1
?
Оставить заявку
13
864000-10
Клапан предохранительный крышки в сборе
Кол-во
1
?
Узнать цену
864000-10
Клапан КАМАЗ-ЕВРО предохранительный (сапун)
Производство:
ПАО КАМАЗ
53 в наличии
184
p
В корзину
14
864870
Штуцер ввертный
Кол-во
1
?
Оставить заявку
Получить консультацию
У нас большой опыт по подбору запчастей, и мы с радостью поможем вам найти нужную деталь, даже если вы не знаете ее артикул
Дмитрий Иванов
Директор отдела продаж
Мобильный номер:
8 (912) 474-74-74
E-mail:
td.uralval@mail.ru
Вы должны включить JavaScript чтобы использовать эту форму.
Ваше имя
Ваш телефон
Комментарий
Я соглашаюсь с
Политикой конфиденциальности
и даю согласие на обработку персональных данных.
Feed me
Отправить