Запчасти для грузовых автомобилей
8-800-555-32-41
Перезвоните мне
Отправить готовую заявку
0
Корзина
Поиск
КАТАЛОГ ПРОДУКЦИИ
Запчасти УРАЛ
Запчасти КамАЗ
Запчасти АМТ
Запчасти ЧТЗ
Запчасти погрузчиков Dalian
Запчасти ЯМЗ
Двигатели ЯМЗ в сборе
Запчасти Shaanxi Fast Gear
Лебедки
Спецпредложения
О компании
Доставка и оплата
Гарантии и сервис
Контакты
Графические каталоги запчастей
Установка ускорительных клапанов КамАЗ-43114
Главная
/
Графические каталоги
/
КамАЗ
/
КамАЗ-43114
/
Установка ускорительных клапанов
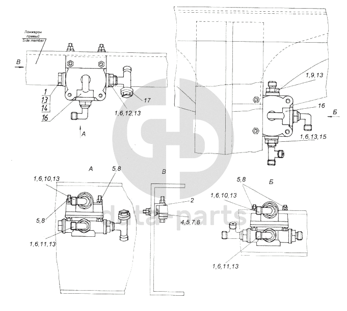
1
1
1
1
1
1
1
1
2
4
5
5
5
5
6
6
6
6
6
6
7
8
8
8
8
9
10
10
11
11
12
13
13
13
13
13
13
13
13
14
15
16
16
17
%
1
740.1003439
Кольцо уплотнительное
Кол-во
8
?
Оставить заявку
2
5320-3518019
Кронштейн крепления ускорительного клапана
Кол-во
1
?
Узнать цену
5320-3518019
кронштейн
Производство:
ПАО КАМАЗ
Под заказ
69
p
В корзину
4
1/60438/21
Болт М8-6gх30
Кол-во
2
?
Оставить заявку
5
1/61008/11
Гайка М8х1,25-6Н
Кол-во
6
?
Оставить заявку
6
861021
Гайка М22х1,5-6Н
Кол-во
5
?
Узнать цену
861021
Гайка М22х1.5 клапана контрольного крана тормозного
Производство:
ПАО КАМАЗ
Под заказ
128
p
В корзину
7
1/05196/77
Шайба плоская 8х17
Кол-во
2
?
Оставить заявку
8
1/05166/77
Шайба 8 пружинная
Кол-во
6
?
Узнать цену
1/05166/77
Шайба
Производство:
АО ЯЗДА
Под заказ
38
p
В корзину
9
853977
Штуцер 12 ввертный
Кол-во
1
?
Узнать цену
853977
Штуцер КАМАЗ ввертный М22х18 (43118)
Производство:
ПАО КАМАЗ
Под заказ
329
p
В корзину
10
861005
Угольник ввертный
Кол-во
2
?
Узнать цену
861005
Угольник КАМАЗ М14х22
Производство:
ПАО КАМАЗ
Под заказ
705
p
В корзину
11
861007
Угольник
Кол-во
2
?
Узнать цену
861007
Угольник КАМАЗ М22х18 ГТК Н/О
Производство:
ПАО КАМАЗ
5 в наличии
705
p
В корзину
12
861016
Тройник
Кол-во
1
?
Узнать цену
861016
тройник
Производство:
ПАО КАМАЗ
Под заказ
737
p
В корзину
13
861024
Шайба
Кол-во
8
?
Узнать цену
861024
шайба
Производство:
ПАО КАМАЗ
200 в наличии
15
p
В корзину
14
864806
Переходник
Кол-во
1
?
Оставить заявку
15
861032
Тройник
Кол-во
1
?
Узнать цену
861032
тройник
Производство:
ПАО КАМАЗ
Под заказ
722
p
В корзину
16
8001-3518010
Клапан ускорительный в сборе
Кол-во
2
?
Оставить заявку
17
16-3515310
Клапан контрольного вывода в сборе
Кол-во
1
?
Оставить заявку
Получить консультацию
У нас большой опыт по подбору запчастей, и мы с радостью поможем вам найти нужную деталь, даже если вы не знаете ее артикул
Дмитрий Иванов
Директор отдела продаж
Мобильный номер:
8 (912) 474-74-74
E-mail:
td.uralval@mail.ru
Вы должны включить JavaScript чтобы использовать эту форму.
Ваше имя
Ваш телефон
Комментарий
Я соглашаюсь с
Политикой конфиденциальности
и даю согласие на обработку персональных данных.
Feed me
Отправить