Запчасти для грузовых автомобилей
8-800-555-32-41
Перезвоните мне
Отправить готовую заявку
0
Корзина
Поиск
КАТАЛОГ ПРОДУКЦИИ
Запчасти УРАЛ
Запчасти КамАЗ
Запчасти АМТ
Запчасти ЧТЗ
Запчасти погрузчиков Dalian
Запчасти ЯМЗ
Двигатели ЯМЗ в сборе
Запчасти Shaanxi Fast Gear
Лебедки
Спецпредложения
О компании
Доставка и оплата
Гарантии и сервис
Контакты
Графические каталоги запчастей
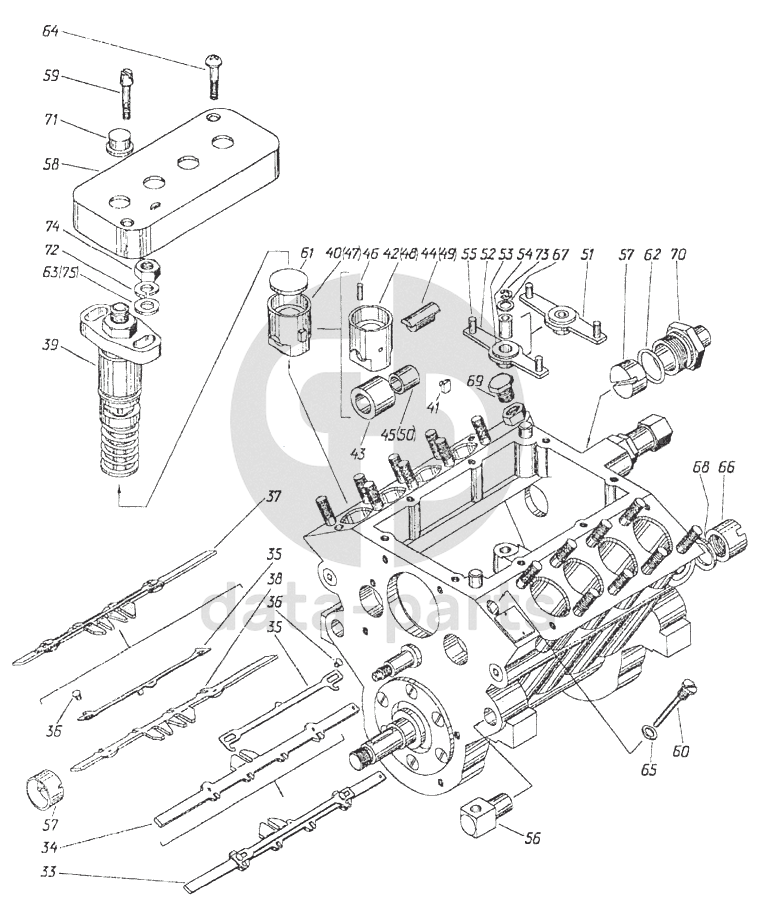
Корпус в сборе топливного насоса КамАЗ-43114
Главная
/
Графические каталоги
/
КамАЗ
/
КамАЗ-43114
/
Корпус в сборе топливного насоса
33
34
35
35
36
36
37
38
39
40
41
42
43
44
45
46
47
48
49
50
51
52
53
54
55
56
57
57
58
59
60
61
62
63
64
65
66
67
68
69
70
71
72
73
74
75
%
33
33.1111027-01
Рейка левая в сборе
Кол-во
1
?
Оставить заявку
34
33.1111039
Рейка левая
Кол-во
1
?
Оставить заявку
35
33.1111044-10
Фиксатор рейки
Кол-во
1
?
Узнать цену
33.1111044-10
Фиксатор
Производство:
АО ЯЗДА
Под заказ
131
p
В корзину
36
33.1111057-10
Ось рейки
Кол-во
1
?
Оставить заявку
37
33.1111031-01
Рейка правая в сборе
Кол-во
1
?
Оставить заявку
38
33.1111040
Рейка правая
Кол-во
1
?
Оставить заявку
39
33.1111050-01
Секция ТНВД в сборе
Кол-во
8
?
Оставить заявку
40
33.1111136
Толкатель плунжера в сборе
Кол-во
8
?
Оставить заявку
41
33.1111117-01
Сухарь толкателя
Кол-во
8
?
Узнать цену
33.1111117-01
Сухарь толкателя
Производство:
АО ЯЗДА
Под заказ
107
p
В корзину
42
33.1111138
Толкатель
Кол-во
8
?
Оставить заявку
43
33.1111140
Ролик
Кол-во
8
?
Узнать цену
33.1111140
Ролик
Производство:
АО ЯЗДА
Под заказ
158
p
В корзину
44
33.1111142
Ось ролика
Кол-во
8
?
Оставить заявку
45
33.1111144
Втулка
Кол-во
8
?
Оставить заявку
46
870751
Штифт
Кол-во
8
?
Оставить заявку
47
33.1111136-02
Толкатель
Кол-во
8
?
Оставить заявку
48
33.1111138-20
Толкатель
Кол-во
8
?
Оставить заявку
49
33.1111142-20
Ось
Кол-во
8
?
Оставить заявку
50
33.1111144-20
Втулка
Кол-во
8
?
Оставить заявку
51
33.1111400
Рычаг реек в сборе
Кол-во
1
?
Узнать цену
33.1111400
Рычаг рейки
Производство:
АО ЯЗДА
Под заказ
822
p
В корзину
52
33.1111402
Рычаг реек
Кол-во
1
?
Оставить заявку
53
33.1111404
Втулка
Кол-во
1
?
Оставить заявку
54
33.1111406
Втулка внутренняя
Кол-во
1
?
Узнать цену
33.1111406
Втулка
Производство:
АО ЯЗДА
Под заказ
153
p
В корзину
55
33.1111408
Палец рычага реек
Кол-во
2
?
Оставить заявку
56
33.1111028
Палец
Кол-во
4
?
Узнать цену
33.1111028
Палец крепления насоса
Производство:
АО ЯЗДА
Под заказ
293
p
В корзину
57
33.1111042
Втулка рейки
Кол-во
4
?
Оставить заявку
58
33.1111098
Кожух защитный
Кол-во
2
?
Узнать цену
33.1111098
Кожух КАМАЗ защитный ТНВД
Производство:
АО ЯЗДА
Под заказ
339
p
В корзину
59
33.1111126
Винт крепления кожуха
Кол-во
2
?
Узнать цену
33.1111126
Винт
Производство:
АО ЯЗДА
Под заказ
165
p
В корзину
60
33.1111418
Винт стопорный
Кол-во
2
?
Узнать цену
33.1111418
Винт стопорный
Производство:
АО ЯЗДА
Под заказ
168
p
В корзину
61
33.1111575
Пята толкателя
Кол-во
8
?
Узнать цену
33.1111575
Пята толкателя
Производство:
АО ЯЗДА
Под заказ
236
p
В корзину
62
33.1112342
Кольцо уплотнительное
Кол-во
2
?
Узнать цену
33.1112342
Кольцо КАМАЗ уплотнительное форсунки комплект (1 поз./8 дет.)
Производство:
АО ЯЗДА
Под заказ
112
p
В корзину
63
320-88727
Шайба плоская 10х18
Кол-во
16
?
Оставить заявку
64
870355
Винт М6-6gх32
Кол-во
2
?
Оставить заявку
65
870455
Прокладка 8х12х1
Кол-во
2
?
Оставить заявку
66
870501
Гайка кольцевая М14х1,5-6Н
Кол-во
1
?
Оставить заявку
67
870615
Шайба 7
Кол-во
1
?
Оставить заявку
68
870869
Шайба пружинная 14
Кол-во
1
?
Оставить заявку
69
870885
Пробка М14х1,5-6g
Кол-во
1
?
Оставить заявку
70
870890
Пробка М27х1,5
Кол-во
2
?
Оставить заявку
71
870941
Заглушка штуцера
Кол-во
8
?
Оставить заявку
72
1/05168/77
Шайба 10 пружинная
Кол-во
16
?
Узнать цену
1/05168/77
Шайба
Производство:
АО ЯЗДА
Под заказ
13
p
В корзину
73
1/10877/76
Шайба стопорная 5х11х0,7
Кол-во
1
?
Узнать цену
1/10877/76
Кольцо
Производство:
АО ЯЗДА
Под заказ
15
p
В корзину
74
1/21647/21
Гайка М10х1,25-6Н
Кол-во
16
?
Узнать цену
1/21647/21
Гайка
Производство:
АО ЯЗДА
Под заказ
57
p
В корзину
75
1/26386/71
Шайба плоская 10х18
Кол-во
16
?
Оставить заявку
Получить консультацию
У нас большой опыт по подбору запчастей, и мы с радостью поможем вам найти нужную деталь, даже если вы не знаете ее артикул
Дмитрий Иванов
Директор отдела продаж
Мобильный номер:
8 (912) 474-74-74
E-mail:
td.uralval@mail.ru
Вы должны включить JavaScript чтобы использовать эту форму.
Ваше имя
Ваш телефон
Комментарий
Я соглашаюсь с
Политикой конфиденциальности
и даю согласие на обработку персональных данных.
Feed me
Отправить