Запчасти для грузовых автомобилей
8-800-555-32-41
Перезвоните мне
Отправить готовую заявку
0
Корзина
Поиск
КАТАЛОГ ПРОДУКЦИИ
Запчасти УРАЛ
Запчасти КамАЗ
Запчасти АМТ
Запчасти ЧТЗ
Запчасти погрузчиков Dalian
Запчасти ЯМЗ
Двигатели ЯМЗ в сборе
Запчасти Shaanxi Fast Gear
Лебедки
Спецпредложения
О компании
Доставка и оплата
Гарантии и сервис
Контакты
Графические каталоги запчастей
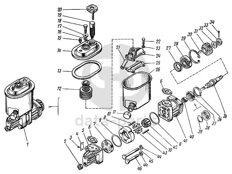
Насос гидроусилителя руля левого вращения 53212-3407200 КамАЗ-43101
Главная
/
Графические каталоги
/
КамАЗ
/
КамАЗ-43101
/
Насос гидроусилителя руля левого вращения 53212-3407200
1
2
3
4
5
6
7
8
8
9
10
10
11
12
13
14
15
16
17
18
19
20
21
22
23
24
25
26
27
28
29
30
31
32
33
34
35
36
37
38
39
40
41
42
43
44
44
45
46
%
1
53212-3407200
Насос гидроусилителя руля в сборе
Кол-во
1
?
Оставить заявку
2
853889
Пробка транспортная
Кол-во
1
?
Оставить заявку
3
Заклепка 2х6,37
Заклепка 2х6,37
Кол-во
2
?
Оставить заявку
4
130-3903183-04
Табличка 40х20
Кол-во
1
?
Оставить заявку
5
53212-3407212
Крышка в сборе
Кол-во
1
?
Оставить заявку
6
5320-3407437-01
Прокладка уплотнительная
Кол-во
2
?
Оставить заявку
7
5320-3407255
Диск распределительный
Кол-во
1
?
Оставить заявку
8
864217
Кольцо уплотнительное
Кол-во
2
?
Оставить заявку
9
5320-3407253
Статор насоса
Кол-во
1
?
Оставить заявку
10
853757
Штифт 5х43
Кол-во
2
?
Оставить заявку
11
853883-01
Пробка транспортная
Кол-во
1
?
Оставить заявку
12
53212-3407338
Фильтр насоса в сборе
Кол-во
1
?
Оставить заявку
13
5320-3407413
Прокладка уплотнительная крышки бачка
Кол-во
1
?
Оставить заявку
14
53212-3407400
Крышка бачка в сборе
Кол-во
1
?
Оставить заявку
15
864000
Клапан предохранительный на давление 0,12-0,24 кг/см2
Кол-во
1
?
Узнать цену
864000
клапан предохранительный
Производство:
ПАО КАМАЗ
Под заказ
139
p
В корзину
16
864218
Кольцо уплотнительное
Кол-во
1
?
Оставить заявку
17
1/26470/01
Шайба плоская 8,45х25х2,5
Кол-во
1
?
Оставить заявку
18
1/60439/21
Болт М8-6gх35
Кол-во
1
?
Оставить заявку
19
5320-3407328
Фильтр заливной в сборе
Кол-во
1
?
Оставить заявку
20
5320-3407350
Пробка заливной горловины бачка в сборе
Кол-во
1
?
Оставить заявку
21
5320-3407441
Трубка бачка
Кол-во
1
?
Оставить заявку
22
1/09026/21
Болт М6-6gх25
Кол-во
4
?
Узнать цену
1/09026/21
Болт
Производство:
АО ЯЗДА
Под заказ
38
p
В корзину
23
1/05194/01
Шайба плоская 6х12х1,5
Кол-во
4
?
Оставить заявку
24
5320-3407435
Коллектор насоса
Кол-во
1
?
Оставить заявку
25
5320-3407439
Прокладка коллектора насоса
Кол-во
1
?
Оставить заявку
26
5320-3407300-01
Бачок насоса в сборе
Кол-во
1
?
Оставить заявку
27
5320-3407220
Кольцо маслоотгонное
Кол-во
1
?
Оставить заявку
28
864713
Подшипник 6-305
Кол-во
1
?
Оставить заявку
29
862806
Кольцо Б 62 ГОСТ 13943-68
Кол-во
1
?
Оставить заявку
30
853803
Шпонка сегментная 5х7,5х19
Кол-во
1
?
Оставить заявку
31
5320-3407240
Шестерня привода насоса гидроусилителя руля
Кол-во
1
?
Оставить заявку
32
1/35507/01
Шайба плоская 16х30
Кол-во
1
?
Оставить заявку
33
853536
Гайка М16х1,5-6Н
Кол-во
1
?
Оставить заявку
34
1/07970/01
Шплинт 4х30
Кол-во
1
?
Оставить заявку
35
5320-3407217
Валик насоса
Кол-во
1
?
Оставить заявку
36
740.1308131
Кольцо Б47
Кол-во
1
?
Оставить заявку
37
864121
Манжета 24х46 в сборе
Кол-во
1
?
Оставить заявку
38
864122
Корпус манжеты
Кол-во
1
?
Оставить заявку
39
864124
Пружина манжеты
Кол-во
1
?
Оставить заявку
40
464714
Подшипник игольчатый 154901Е
Кол-во
1
?
Оставить заявку
41
5320-3407211
Корпус насоса
Кол-во
1
?
Оставить заявку
42
5320-3407248
Ротор насоса
Кол-во
1
?
Оставить заявку
43
5320-3407251
Лопасть насоса
Кол-во
10
?
Оставить заявку
44
1/05168/77
Шайба 10 пружинная
Кол-во
4
?
Узнать цену
1/05168/77
Шайба
Производство:
АО ЯЗДА
Под заказ
13
p
В корзину
45
853043
Болт М10х1,25-6gх90
Кол-во
2
?
Оставить заявку
46
853041
Болт М10х1,25-6gх70
Кол-во
2
?
Оставить заявку
Получить консультацию
У нас большой опыт по подбору запчастей, и мы с радостью поможем вам найти нужную деталь, даже если вы не знаете ее артикул
Дмитрий Иванов
Директор отдела продаж
Мобильный номер:
8 (912) 474-74-74
E-mail:
td.uralval@mail.ru
Вы должны включить JavaScript чтобы использовать эту форму.
Ваше имя
Ваш телефон
Комментарий
Я соглашаюсь с
Политикой конфиденциальности
и даю согласие на обработку персональных данных.
Feed me
Отправить