Запчасти для грузовых автомобилей
8-800-555-32-41
Перезвоните мне
Отправить готовую заявку
0
Корзина
Поиск
КАТАЛОГ ПРОДУКЦИИ
Запчасти УРАЛ
Запчасти КамАЗ
Запчасти АМТ
Запчасти ЧТЗ
Запчасти погрузчиков Dalian
Запчасти ЯМЗ
Двигатели ЯМЗ в сборе
Запчасти Shaanxi Fast Gear
Лебедки
Спецпредложения
О компании
Доставка и оплата
Гарантии и сервис
Контакты
Графические каталоги запчастей
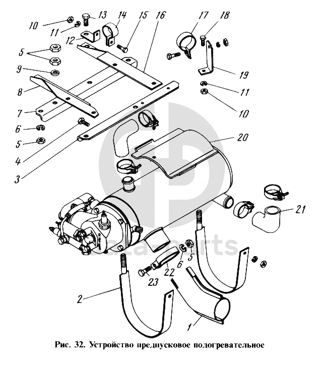
Устройство предпусковое подогревательное(6) КамАЗ-4310
Главная
/
Графические каталоги
/
КамАЗ
/
КамАЗ-4310
/
Устройство предпусковое подогревательное(6)
1
2
3
4
5
5
5
6
6
7
8
9
10
10
11
11
12
13
14
15
16
17
18
19
20
21
22
23
%
1
5320-1015306
Патрубок в сборе
Кол-во
1
?
Узнать цену
5320-1015306
патрубок
Производство:
ПАО КАМАЗ
Под заказ
392
p
В корзину
2
5320-1015022
Лента в сборе
Кол-во
2
?
Узнать цену
5320-1015022
лента крепления
Производство:
ПАО КАМАЗ
Под заказ
296
p
В корзину
3
5320-1015069
Угольник левый
Кол-во
1
?
Узнать цену
5320-1015069
угольник
Производство:
ПАО КАМАЗ
Под заказ
235
p
В корзину
4
1/60434/21
Болт М8-6gх20
Кол-во
2
?
Оставить заявку
5
1/21647/11
Гайка М10х1,25-6Н
Кол-во
16
?
Оставить заявку
6
1/05168/77
Шайба 10 пружинная
Кол-во
18
?
Узнать цену
1/05168/77
Шайба
Производство:
АО ЯЗДА
Под заказ
13
p
В корзину
7
5320-1015068
Угольник правый
Кол-во
1
?
Узнать цену
5320-1015068
угольник
Производство:
ПАО КАМАЗ
Под заказ
235
p
В корзину
8
5320-1015072
Кронштейн передний
Кол-во
1
?
Узнать цену
5320-1015072
кронштейн
Производство:
ПАО КАМАЗ
Под заказ
276
p
В корзину
9
1/26386/01
Шайба плоская 10,6х18х2
Кол-во
9
?
Оставить заявку
10
1/61008/11
Гайка М8х1,25-6Н
Кол-во
5
?
Оставить заявку
11
1/05166/77
Шайба 8 пружинная
Кол-во
5
?
Узнать цену
1/05166/77
Шайба
Производство:
АО ЯЗДА
Под заказ
38
p
В корзину
12
5320-1015092
Кронштейн
Кол-во
1
?
Узнать цену
5320-1015092
кронштейн
Производство:
ПАО КАМАЗ
Под заказ
111
p
В корзину
13
1/59707/21
Болт М10х1,25-6gх25
Кол-во
6
?
Оставить заявку
14
864408
Хомут 37
Кол-во
2
?
Узнать цену
864408
Хомут КАМАЗ бачка расширительного
Производство:
ПАО КАМАЗ
Под заказ
234
p
В корзину
15
1/60439/21
Болт М8-6gх35
Кол-во
2
?
Оставить заявку
16
5320-1015074
Кронштейн задний
Кол-во
1
?
Узнать цену
5320-1015074
кронштейн
Производство:
ПАО КАМАЗ
Под заказ
391
p
В корзину
17
864413
Хомут 45
Кол-во
1
?
Узнать цену
864413
Хомут КАМАЗ ПЖД
Производство:
ПАО КАМАЗ
Под заказ
143
p
В корзину
18
1/60436/21
Болт М8-6gх25
Кол-во
1
?
Оставить заявку
19
5320-1015198
Кронштейн правый
Кол-во
1
?
Узнать цену
5320-1015198
кронштейн
Производство:
ПАО КАМАЗ
Под заказ
86
p
В корзину
20
5320-1015115
Опора котла
Кол-во
1
?
Узнать цену
5320-1015115
опора
Производство:
ПАО КАМАЗ
Под заказ
416
p
В корзину
21
5320-1311049
Рукав
Кол-во
1
?
Оставить заявку
22
864404
Хомут 63,5
Кол-во
1
?
Узнать цену
864404
хомут
Производство:
ПАО КАМАЗ
Под заказ
444
p
В корзину
23
1/59709/21
Болт М10х1,25-6gх35
Кол-во
1
?
Оставить заявку
Получить консультацию
У нас большой опыт по подбору запчастей, и мы с радостью поможем вам найти нужную деталь, даже если вы не знаете ее артикул
Дмитрий Иванов
Директор отдела продаж
Мобильный номер:
8 (912) 474-74-74
E-mail:
td.uralval@mail.ru
Вы должны включить JavaScript чтобы использовать эту форму.
Ваше имя
Ваш телефон
Комментарий
Я соглашаюсь с
Политикой конфиденциальности
и даю согласие на обработку персональных данных.
Feed me
Отправить