Запчасти для грузовых автомобилей
8-800-555-32-41
Перезвоните мне
Отправить готовую заявку
0
Корзина
Поиск
КАТАЛОГ ПРОДУКЦИИ
Запчасти УРАЛ
Запчасти КамАЗ
Запчасти АМТ
Запчасти ЧТЗ
Запчасти погрузчиков Dalian
Запчасти ЯМЗ
Двигатели ЯМЗ в сборе
Запчасти Shaanxi Fast Gear
Лебедки
Спецпредложения
О компании
Доставка и оплата
Гарантии и сервис
Контакты
Графические каталоги запчастей
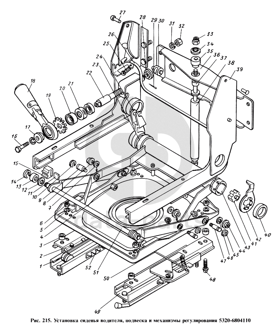
Установка сиденья водителя, подвеска и механизмы регулирования КамАЗ-4310
Главная
/
Графические каталоги
/
КамАЗ
/
КамАЗ-4310
/
Установка сиденья водителя, подвеска и механизмы регулирования
1
2
3
4
5
6
7
8
9
10
11
12
13
14
15
16
17
18
19
20
21
22
23
24
26
27
28
29
30
31
32
33
34
35
36
37
39
40
41
42
43
44
45
46
47
48
49
50
51
52
38
25
%
1
5320-6804125
Ролик механизма перемещения сиденья
Кол-во
4
?
Оставить заявку
2
864736
Шарик Б5
Кол-во
8
?
Оставить заявку
3
1/21647/11
Гайка М10х1,25-6Н
Кол-во
4
?
Оставить заявку
4
251646
Гайка М10х1,25-6Н ОСТ 37.001.197-75
Кол-во
4
?
Оставить заявку
5
1/05166/77
Шайба 8 пружинная
Кол-во
8
?
Узнать цену
1/05166/77
Шайба
Производство:
АО ЯЗДА
Под заказ
38
p
В корзину
6
1/61008/11
Гайка М8х1,25-6Н
Кол-во
4
?
Оставить заявку
7
5320-6804568
Прокладка подвески сиденья
Кол-во
6
?
Узнать цену
5320-6804568
прокладка
Производство:
ПАО КАМАЗ
Под заказ
13
p
В корзину
8
5320-6804617
Втулка оси шарнира
Кол-во
4
?
Оставить заявку
9
5320-6804614
Ось соединения шарниров подвески
Кол-во
4
?
Оставить заявку
10
1/10880/76
Шайба стопорная 9х18,5х1,1
Кол-во
6
?
Оставить заявку
11
5320-6804533
Сухарь буфера
Кол-во
4
?
Узнать цену
5320-6804533
сухарь
Производство:
ПАО КАМАЗ
Под заказ
цена по запросу
В корзину
12
5320-6804568
Прокладка подвески сиденья
Кол-во
0
?
Узнать цену
5320-6804568
прокладка
Производство:
ПАО КАМАЗ
Под заказ
13
p
В корзину
13
5320-6804569
Ролик шарнира
Кол-во
4
?
Оставить заявку
14
1/10880/76
Шайба стопорная 9х18,5х1,1
Кол-во
0
?
Оставить заявку
15
5320-6804530
Буфер шарнира
Кол-во
4
?
Оставить заявку
16
1/60434/21
Болт М8-6gх20
Кол-во
1
?
Оставить заявку
17
5320-6804751
Подкладка ручки
Кол-во
1
?
Оставить заявку
18
5320-6804756
Ручка регулировки торсиона в сборе
Кол-во
1
?
Оставить заявку
19
5320-6804749
Звездочка винта
Кол-во
1
?
Узнать цену
5320-6804749
звездочка
Производство:
ПАО КАМАЗ
Под заказ
161
p
В корзину
20
5320-6804681
Подкладка ручки
Кол-во
2
?
Оставить заявку
21
864767
Подшипник
Кол-во
1
?
Оставить заявку
22
5320-6804665
Винт регулировки торсиона
Кол-во
1
?
Оставить заявку
23
5320-6804592
Окантовка трубы торсиона подвески сиденья
Кол-во
2
?
Оставить заявку
24
5320-6804625
Вилка торсиона подвески
Кол-во
1
?
Оставить заявку
25
5320-6804327
Пружина регулировочная
Кол-во
0
?
Оставить заявку
26
5320-6804320
Механизм регулировки наклона спинки в сборе
Кол-во
1
?
Оставить заявку
27
1/04315/00
Заклепка 6х14
Кол-во
0
?
Оставить заявку
28
5320-6804741
Ограничитель винта
Кол-во
1
?
Оставить заявку
29
1/07969/01
Шплинт 3,7х25
Кол-во
1
?
Оставить заявку
30
5320-6804683
Втулка скользящая
Кол-во
1
?
Оставить заявку
31
1/05166/77
Шайба 8 пружинная
Кол-во
0
?
Узнать цену
1/05166/77
Шайба
Производство:
АО ЯЗДА
Под заказ
38
p
В корзину
32
1/61096/11
Гайка глухая
Кол-во
4
?
Оставить заявку
33
251646
Гайка М10х1,25-6Н ОСТ 37.001.197-75
Кол-во
0
?
Оставить заявку
34
5320-6804675
Шайба специальная
Кол-во
2
?
Оставить заявку
35
5320-6804653
Буфер амортизатора наружный
Кол-во
2
?
Оставить заявку
36
5320-6804643
Поперечина крепления амортизатора подвески сиденья
Кол-во
1
?
Узнать цену
5320-6804643
поперечина
Производство:
ПАО КАМАЗ
Под заказ
680
p
В корзину
37
5320-6804655
Буфер амортизатора внутренний
Кол-во
2
?
Оставить заявку
38
5320-6804672
Амортизатор однотрубный в сборе
Кол-во
0
?
Оставить заявку
39
5320-6804511
Боковина подвески сиденья левая в сборе
Кол-во
1
?
Оставить заявку
40
5320-6804592
Окантовка трубы торсиона подвески сиденья
Кол-во
0
?
Оставить заявку
41
5320-6804627
Держатель торсиона
Кол-во
1
?
Оставить заявку
42
5320-6804595
Указатель направления вращения торсиона подвески сиденья
Кол-во
1
?
Оставить заявку
43
5320-6804623
Торсион подвески сиденья
Кол-во
2
?
Узнать цену
5320-6804623
торсион подвески
Производство:
ПАО КАМАЗ
Под заказ
583
p
В корзину
44
5320-6804617
Втулка оси шарнира
Кол-во
0
?
Оставить заявку
45
1/10880/76
Шайба стопорная 9х18,5х1,1
Кол-во
0
?
Оставить заявку
46
5320-6804568
Прокладка подвески сиденья
Кол-во
0
?
Узнать цену
5320-6804568
прокладка
Производство:
ПАО КАМАЗ
Под заказ
13
p
В корзину
47
5320-6804614
Ось соединения шарниров подвески
Кол-во
0
?
Оставить заявку
48
1/32796/01
Винт с крестообразным шлицем
Кол-во
4
?
Оставить заявку
49
5320-6804111
Механизм перемещения сиденья водителя левый в сборе
Кол-во
1
?
Оставить заявку
50
5320-6804163
Стяжка механизма перемещения сиденья
Кол-во
1
?
Узнать цену
5320-6804163
стяжка
Производство:
ПАО КАМАЗ
Под заказ
34
p
В корзину
51
5320-6804560
Шарнир подвески сиденья водителя передний в сборе
Кол-во
1
?
Оставить заявку
52
5320-6804540
Основание подвески сиденья в сборе
Кол-во
1
?
Узнать цену
5320-6804540
Основание КАМАЗ подвески сиденья водителя в сборе
Производство:
ПАО КАМАЗ
Под заказ
1 410
p
В корзину
Получить консультацию
У нас большой опыт по подбору запчастей, и мы с радостью поможем вам найти нужную деталь, даже если вы не знаете ее артикул
Дмитрий Иванов
Директор отдела продаж
Мобильный номер:
8 (912) 474-74-74
E-mail:
td.uralval@mail.ru
Вы должны включить JavaScript чтобы использовать эту форму.
Ваше имя
Ваш телефон
Комментарий
Я соглашаюсь с
Политикой конфиденциальности
и даю согласие на обработку персональных данных.
Feed me
Отправить