Запчасти для грузовых автомобилей
8-800-555-32-41
Перезвоните мне
Отправить готовую заявку
0
Корзина
Поиск
КАТАЛОГ ПРОДУКЦИИ
Запчасти УРАЛ
Запчасти КамАЗ
Запчасти АМТ
Запчасти ЧТЗ
Запчасти погрузчиков Dalian
Запчасти ЯМЗ
Двигатели ЯМЗ в сборе
Запчасти Shaanxi Fast Gear
Лебедки
Спецпредложения
О компании
Доставка и оплата
Гарантии и сервис
Контакты
Графические каталоги запчастей
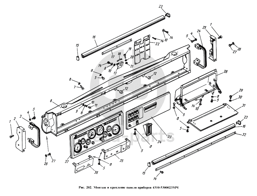
Монтаж и крепление панели приборов КамАЗ-4310
Главная
/
Графические каталоги
/
КамАЗ
/
КамАЗ-4310
/
Монтаж и крепление панели приборов
1
1
2
3
4
4
5
5
5
5
5
5
5
5
6
7
8
8
8
8
8
8
8
8
9
10
10
10
10
11
12
12
13
14
14
14
14
14
15
15
16
16
17
18
19
20
21
22
23
23
24
25
26
26
27
27
28
29
30
31
32
33
34
35
36
37
%
1
1/33130/01
Винт М6-6gх16
Кол-во
4
?
Оставить заявку
2
5320-5325113
Накладка боковая левая {а}
Кол-во
1
?
Оставить заявку
3
5320-8202201
Ручка левая в сборе
Кол-во
1
?
Узнать цену
5320-8202201
Ручка КАМАЗ двери наружная левая
Производство:
ПАО КАМАЗ
Под заказ
722
p
В корзину
4
251644
Гайка М6-6Н ОСТ 37.001.197-75
Кол-во
8
?
Оставить заявку
5
1/09020/21
Болт М6-6gх12
Кол-во
29
?
Оставить заявку
6
5320-5325010
Панель приборов в сборе
Кол-во
1
?
Узнать цену
5320-5325010
Панель приборов КАМАЗ
Производство:
ПАО КАМАЗ
Под заказ
12 250
p
В корзину
7
1/09026/21
Болт М6-6gх25
Кол-во
2
?
Узнать цену
1/09026/21
Болт
Производство:
АО ЯЗДА
Под заказ
38
p
В корзину
8
1/05164/77
Шайба 6 пружинная
Кол-во
26
?
Узнать цену
1/05164/77
Шайба
Производство:
АО ЯЗДА
Под заказ
53
p
В корзину
9
1/58962/11
Гайка ЕМ6-6Н
Кол-во
1
?
Узнать цену
1/58962/11
Гайка М6Х1 Камаз
Производство:
АО ЯЗДА
Под заказ
13
p
В корзину
10
1/05194/01
Шайба плоская 6х12х1,5
Кол-во
8
?
Оставить заявку
11
5320-3805131
Фиксатор
Кол-во
1
?
Оставить заявку
12
5320-8401296
Буфер
Кол-во
2
?
Оставить заявку
13
5320-5325183
Кронштейн пружины
Кол-во
1
?
Оставить заявку
14
1/03767/01
Винт М6-6gх16
Кол-во
18
?
Оставить заявку
15
5320-5325171
Заглушка окантовки торцовая левая
Кол-во
2
?
Узнать цену
5320-5325171
заглушка окантовки
Производство:
ПАО КАМАЗ
Под заказ
75
p
В корзину
16
5320-5325163
Окантовка панели приборов
Кол-во
2
?
Оставить заявку
17
5320-5325165
Планка окантовки верхняя
Кол-во
1
?
Узнать цену
5320-5325165
планка
Производство:
ПАО КАМАЗ
Под заказ
133
p
В корзину
18
5320-5325185
Пружина запора
Кол-во
1
?
Оставить заявку
19
1/32718/01
Винт М4-6gх8
Кол-во
2
?
Оставить заявку
20
1/11963/77
Шайба пружинная 4
Кол-во
2
?
Оставить заявку
21
1/07940/11
Гайка низкая М4
Кол-во
2
?
Оставить заявку
22
5320-3722503
Кронштейн предохранителей
Кол-во
1
?
Оставить заявку
23
5320-5325170
Заглушка окантовки торцовая правая
Кол-во
2
?
Узнать цену
5320-5325170
заглушка окантовки
Производство:
ПАО КАМАЗ
Под заказ
75
p
В корзину
24
5320-8202200
Ручка правая в сборе
Кол-во
1
?
Узнать цену
5320-8202200
Ручка КАМАЗ двери наружная правая
Производство:
ПАО КАМАЗ
Под заказ
722
p
В корзину
25
5320-5325112
Накладка боковая правая
Кол-во
1
?
Оставить заявку
26
1/05166/77
Шайба 8 пружинная
Кол-во
2
?
Узнать цену
1/05166/77
Шайба
Производство:
АО ЯЗДА
Под заказ
38
p
В корзину
27
1/60431/21
Болт М8-6gх14
Кол-во
2
?
Оставить заявку
28
5320-5303012
Ящик вещевой в сборе
Кол-во
1
?
Узнать цену
5320-5303012
Ящик КАМАЗ вещевой в сборе
Производство:
ПАО КАМАЗ
Под заказ
1 589
p
В корзину
29
1/32739/01
Винт М5-6gх10
Кол-во
4
?
Оставить заявку
30
1/11954/77
Шайба 5 пружинная
Кол-во
4
?
Оставить заявку
31
5320-5303020
Дверка в сборе
Кол-во
1
?
Оставить заявку
32
5320-5325167
Планка окантовки нижняя
Кол-во
1
?
Узнать цену
5320-5325167
планка
Производство:
ПАО КАМАЗ
Под заказ
195
p
В корзину
33
4310-3710428
Панель выключателей в сборе
Кол-во
1
?
Оставить заявку
34
5320-8203010
Пепельница передняя в сборе
Кол-во
1
?
Оставить заявку
35
5320-5325130
Щиток нижний длинный в сборе
Кол-во
1
?
Узнать цену
5320-5325130
щиток
Производство:
ПАО КАМАЗ
Под заказ
624
p
В корзину
36
5320-5325132
Щиток панели приборов нижний короткий
Кол-во
1
?
Узнать цену
5320-5325132
Щиток КАМАЗ-5320 панели приборов нижний короткий
Производство:
ПАО КАМАЗ
Под заказ
488
p
В корзину
37
4310-3805010-14
Щиток приборов в сборе
Кол-во
1
?
Оставить заявку
Получить консультацию
У нас большой опыт по подбору запчастей, и мы с радостью поможем вам найти нужную деталь, даже если вы не знаете ее артикул
Дмитрий Иванов
Директор отдела продаж
Мобильный номер:
8 (912) 474-74-74
E-mail:
td.uralval@mail.ru
Вы должны включить JavaScript чтобы использовать эту форму.
Ваше имя
Ваш телефон
Комментарий
Я соглашаюсь с
Политикой конфиденциальности
и даю согласие на обработку персональных данных.
Feed me
Отправить