Запчасти для грузовых автомобилей
8-800-555-32-41
Перезвоните мне
Отправить готовую заявку
0
Корзина
Поиск
КАТАЛОГ ПРОДУКЦИИ
Запчасти УРАЛ
Запчасти КамАЗ
Запчасти АМТ
Запчасти ЧТЗ
Запчасти погрузчиков Dalian
Запчасти ЯМЗ
Двигатели ЯМЗ в сборе
Запчасти Shaanxi Fast Gear
Лебедки
Спецпредложения
О компании
Доставка и оплата
Гарантии и сервис
Контакты
Графические каталоги запчастей
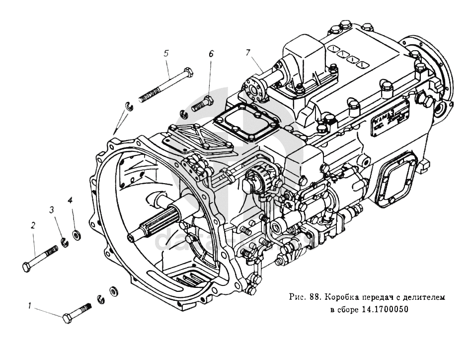
Коробка передач с делителем в сборе Общий (см. мод-ции)
Главная
/
Графические каталоги
/
КамАЗ
/
Общий (см. мод-ции)
/
Коробка передач с делителем в сборе
1
2
3
4
5
6
7
%
1
1/55415/31
Болт М12х1,25-6gх90
Кол-во
0
?
Оставить заявку
2
1/55418/31
Болт М12х1,25-6gх120
Кол-во
0
?
Оставить заявку
3
1/05170/73
Шайба 12 пружинная
Кол-во
0
?
Оставить заявку
4
1/05200/01
Шайба плоская 12х22х3
Кол-во
0
?
Оставить заявку
5
870017
Болт М12х1,25-6gх180
Кол-во
0
?
Оставить заявку
6
1/55408/31
Болт М12х1,25-6gх50
Кол-во
0
?
Оставить заявку
7
15.1700050
Коробка передач с делителем, управлением и деталями сцепления в сборе
Кол-во
0
?
Оставить заявку
Получить консультацию
У нас большой опыт по подбору запчастей, и мы с радостью поможем вам найти нужную деталь, даже если вы не знаете ее артикул
Дмитрий Иванов
Директор отдела продаж
Мобильный номер:
8 (912) 474-74-74
E-mail:
td.uralval@mail.ru
Вы должны включить JavaScript чтобы использовать эту форму.
Ваше имя
Ваш телефон
Комментарий
Я соглашаюсь с
Политикой конфиденциальности
и даю согласие на обработку персональных данных.
Feed me
Отправить