Запчасти для грузовых автомобилей
8-800-555-32-41
Перезвоните мне
Отправить готовую заявку
0
Корзина
Поиск
КАТАЛОГ ПРОДУКЦИИ
Запчасти УРАЛ
Запчасти КамАЗ
Запчасти АМТ
Запчасти ЧТЗ
Запчасти погрузчиков Dalian
Запчасти ЯМЗ
Двигатели ЯМЗ в сборе
Запчасти Shaanxi Fast Gear
Лебедки
Спецпредложения
О компании
Доставка и оплата
Гарантии и сервис
Контакты
Графические каталоги запчастей
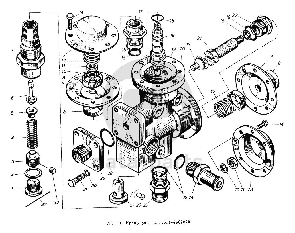
Кран управления 5511-8607070 Общий (см. мод-ции)
Главная
/
Графические каталоги
/
КамАЗ
/
Общий (см. мод-ции)
/
Кран управления 5511-8607070
1
2
3
4
5
6
7
8
8
8
9
9
10
10
11
11
12
12
13
14
14
15
15
15
16
16
16
17
18
19
19
20
21
22
23
24
25
26
27
28
29
30
31
32
33
%
1
5511-8607081
Пробка
Кол-во
0
?
Оставить заявку
2
1/02795/60
Прокладка прямоугольного сечения 22х28х1
Кол-во
0
?
Оставить заявку
3
5511-8607022
Пробка
Кол-во
0
?
Оставить заявку
4
5511-8607023
Пружина
Кол-во
0
?
Оставить заявку
5
5511-8607079
Тарелка
Кол-во
0
?
Оставить заявку
6
5511-8607078
Клапан
Кол-во
0
?
Оставить заявку
7
5511-8607074
Стакан пружины
Кол-во
0
?
Оставить заявку
8
5511-8607038
Шайба
Кол-во
0
?
Оставить заявку
9
5511-8607040
Мембрана в сборе
Кол-во
0
?
Оставить заявку
10
1/05168/70
Шайба 10 пружинная
Кол-во
0
?
Оставить заявку
11
1/21647/11
Гайка М10х1,25-6Н
Кол-во
0
?
Оставить заявку
12
5511-8607054
Пружина
Кол-во
0
?
Оставить заявку
13
5511-8607020
Крышка в сборе
Кол-во
0
?
Оставить заявку
14
1/09020/21
Болт М6-6gх12
Кол-во
0
?
Оставить заявку
15
012-016-25-2-2
Кольцо
Кол-во
0
?
Узнать цену
012-016-25-2-2
Кольцо
Производство:
АЗ Урал
Под заказ
цена по запросу
В корзину
16
024-029-30-2-2
Кольцо
Кол-во
0
?
Оставить заявку
17
5511-8607031
Штуцер
Кол-во
0
?
Оставить заявку
18
5511-8607028
Толкатель
Кол-во
0
?
Оставить заявку
19
5511-8607043
Клапан
Кол-во
0
?
Оставить заявку
20
5511-8607060
Корпус с седлами в сборе
Кол-во
0
?
Оставить заявку
21
5511-8607029
Толкатель
Кол-во
0
?
Оставить заявку
22
5511-8607032
Штуцер
Кол-во
0
?
Оставить заявку
23
5511-8607024
Крышка
Кол-во
0
?
Оставить заявку
24
5511-8607048
Штуцер
Кол-во
0
?
Оставить заявку
25
5511-8607033
Штуцер
Кол-во
0
?
Оставить заявку
26
5511-8607083
Штифт
Кол-во
0
?
Оставить заявку
27
5511-8607076
Втулка направляющая
Кол-во
0
?
Оставить заявку
28
034-038-25-2-2
Кольцо
Кол-во
0
?
Узнать цену
034-038-25-2-2
Кольцо на сцепление (нового образца) (5557-8607014)
Производство:
Россия
Под заказ
цена по запросу
В корзину
29
5511-8604088
Штуцер
Кол-во
0
?
Оставить заявку
30
1/05166/70
Шайба 8 пружинная
Кол-во
0
?
Оставить заявку
31
1/60436/21
Болт М8-6gх25
Кол-во
0
?
Оставить заявку
32
870764
Штифт 3,6х5
Кол-во
0
?
Оставить заявку
33
258224
Шпливт 0,8х175
Кол-во
0
?
Оставить заявку
Получить консультацию
У нас большой опыт по подбору запчастей, и мы с радостью поможем вам найти нужную деталь, даже если вы не знаете ее артикул
Дмитрий Иванов
Директор отдела продаж
Мобильный номер:
8 (912) 474-74-74
E-mail:
td.uralval@mail.ru
Вы должны включить JavaScript чтобы использовать эту форму.
Ваше имя
Ваш телефон
Комментарий
Я соглашаюсь с
Политикой конфиденциальности
и даю согласие на обработку персональных данных.
Feed me
Отправить